|
Микросхема представляет собой усилитель мощности звуковой частоты. Содержит 86 интегральных элементов. Конструктивно оформлена в корпусе типа 238.12-2. Масса не более 1,5 гр.
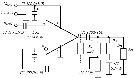
Типовая схема включения ИМС К174УН9
Электрические параметры
Предельно допустимые режимы эксплуатации
Общие рекомендации по применению Допускается использовать микросхемы только в типовой схеме включения. При проведении монтажных операций допускается не более трех перепаек выводов микросхемы. Допускается кратковременное повышение напряжения питания до 40 В и входного напряжения до 1,5 В в течении не более 50 мс с периодичностью не менее 5 с. Корректирующая цепочка RC вводится при необходимости для устранения возбуждения (С = 39 пФ ± 10 %, R = 43 Ом ± 5 %). Для уменьшения коэффициента усиления допускается изменение сопротивления резисторов R1 и R2. Допускается применять конденсаторы емкостью: С1 = 1…10 мкФ, С2 = 100…500 мкФ, С5 = 1000…2200 мкФ, не приводящих к изменению электрических параметров. Допустимое значение статического потенциала 500 В.
Литература Микросхемы для бытовой радиоаппаратуры: Справочник /И. В. Новачек, В. М. Петухов, И. П. Блудов, А. В. Юровский. - Москва: КУБК-а, 1995г. - 384с.:ил. Интегральные микросхемы и их зарубежные аналоги: Справочник. Том 2./А. В. Нефедов. - М.:КУБК-а, 1996г. - 640с.:ил. Аналоговые интегральные микросхемы: Справочник /А .Л. Булычев, В. И. Галкин, В. А. Прохоренко. - 2-е издание, переработанное и дополненное - Минск: Беларусь, 1993г. - 382с. |
Усилитель мощности К174УН9 (ТУ 1989г.)
Doc
Просмотров: 10582

