|
ИС КР1008ВЖ18 (аналог фирмы SAMSUNG - КТ3170, MITEL - МТ8870, HUALON - НМ9270) и КР1008ВЖ19 (аналог фирмы UMC - UM91531) производит НПО "ИНТЕГРАЛ" в г. Минске. ИС КР1008ВЖ19 представляет собой тонально - импульсный (DTMF/PULSE) номеронабиратель с параллельным вводом информации. Работает под управлением микроконтроллера (компьютера) и вырабатывает как DTMF, так и импульсные сигналы набора номера. Частоты всех необходимых двухтональных и импульсных сигналов формируются кварцевым генератором. ИС применима в аппаратуре телефонной, факсимильной и модемной связи, системах дистанционного управления.
Основные характеристики ИС КР1008ВЖ19 Параллельный ввод 4-разрядной информации с микроконтроллера (компьютера). Входы и выходы микросхемы ТТЛ совместимые. Для обеспечения высокой точности и стабильности частот используется кварцевый генератор с частотой 3,579545 МГц. Напряжение питания 2,5 - 5,5 В. Возможность выбора импульсного коэффициента. Частота импульсов набора 10 Гц. Тональная (DTMF) передача цифр 0 - 9, *, #, А, В, С, D. Импульсная (PULSE) передача цифр 0 - 9, *, #, А. Высокий уровень выходного тонального сигнала: 2 дБ. Малые нелинейные искажения DTMF сигнала. Совместимость с интерфейсом RS-470 и СЕРТ. Цоколёвка ИС приведена на рис. 8.1, назначение выводов в табл. 8.1, структурная схема на рис. 8.2. Временные диаграммы входов и выходов ИС КР1008ВЖ19 приведены на рис. 8.3, статические и динамические характеристики в табл. 8.2 и 8.3. Выходные сигналы DTMF и PULSE ИС КР1008ВЖ19, соответствующие параллельному коду на входах D0 - D3, приведены в табл. 8.4. Табл. 8.1. Назначение выводов ИС КР1008ВЖ19.
Предельно допустимые характеристики ИС КР1008ВЖ19: Напряжение питания (OV + UDD) .................................. от -0.3 В до +10 В. Входное напряжение (Uin) ................................. от -0,3 В до (UDD + 0,3) В. Допустимая рассеиваемая мощность (при 25 С) ........................... 600 мВт. Рабочая температура (Тор) ........................................... от -20 С до +70 С. Температура хранения (ТsтG) ........................ от -55 С до +125° С. Работа ИС в предельных режимах не рекомендуется. Их превышение вызывает повреждение микросхемы. Для надёжной работы ИС рекомендуется руководствоваться статическими и динамическими характеристиками, приведёнными в табл. 8.2 и 8.3. Табл. 8.2. Статические характеристики ИС КР1008ВЖ19.
Табл. 8.3. Динамические характеристики ИС КР1008ВЖ19.
Табл. 8.4. Выходные сигналы ИС КР1008ВЖ19, соответствующие параллельному коду на входах D0 - D3.
На рис. 8.4. приведена схема включения ИС КР1008ВЖ19. Входы DO -D3, LATCH и выход АСК подключены к микроконтроллеру. Выход TONE подключен к усилителю сигнала DTMF, a DP к импульсному ключу. Если используется ИС UM91531, то конденсаторы С2 и СЗ можно не применять. На рис. 8.5 приведена схема включения ИС КР1008ВЖ19 в качестве номеронабирателя. Для преобразования сигналов клавиатуры в двоичный код используется ИС приоритетного шифратора 8-3 К556ИВ1. При нажатии одной из кнопок клавиатуры "0" - "7" на выходах А0 - A3 (выводы 9, 7, 6) формируется двоичный код этой цифры. Логические элементы DD2.4 - DD2.6 инвертируют его и подают на входы D0 - D2 ИС КР1008ВЖ19. На выходе GS ИС К555ИВ1 (вывод 14) в момент нажатия кнопки клавиатуры изменяется уровень из "высокого" в "низкий", а на выходе инвертора DD2.3 из "низкого" в "высокий". Изменение уровня из "низкого" в "высокий" на входе LATCH загружает двоичный код на входах D0 - D3. В момент отпускания кнопки клавиатуры обратное изменение уровня на выходе GS ИС К555ИВ1 и на входе LATCH ИС КР1008ВЖ19 приводит к набору номера на выходе TONE
или DP (в зависимости от положения переключателя SA1). С момента загрузки двоичного кода и до окончания набора цифры горит светодиод VD1. Во время свечения светодиода VD1 набор следующей цифры невозможен. Если перевести переключатель SA2 в разомкнутое состояние, то это позволит производить набор цифр больше 7. В тестовом режиме ИС КР1008ВЖ19 позволяет осуществлять тональный и импульсный набор номера с гораздо более высокой скоростью. Если изменить состояние входа M/S, когда вход выборки кристалла СЕ (вывод 13) находится в активном ("низкий" уровень) состоянии, включается тестовый режим. ИС остаётся в тестовом режиме до тех пор, пока не будет отключена. Импульсный набор номера в тестовом режиме осуществляется в 48 раз быстрее (с частотой 480 Гц). Тональный набор номера осуществляется в 8 раз быстрее (длительность тональной посылки и паузы между тональными посылками составляет 8,75 мс). При этом нижняя и верхняя группа частот разделяются по выходам TONE и DP. Для цифр 0, 1, 6, 8 на выходе TONE будет присутствовать сигнал с частотой нижней группы двухчастотной посылки, а на выходе DP - верхней. Для цифр 2, 3, 4, 5, 8, 9, *, #, А, В, С, D на выходе TONE будет присутствовать сигнал с частотой верхней группы, а на выходе DP - нижней. На выход TONE подаётся синусоидальный сигнал, а на выход DP - прямоугольные импульсы соответствующей частоты. Микросхема КР1008ВЖ18 представляет собой приёмник - декодер двухтонального (DTMF) сигнала (код 2 из 8). ИС изготавливается в пластмассовом корпусе типа 2104.18-А (DIP-18) по КМОП технологии и содержит полосовые фильтры на переключаемых конденсаторах. Микросхема контролирует длительности поступающих двухтональных посылок и пауз между ними. Выходная информация выводится в виде 4-разрядного двоичного кода. Тактирование микросхемы осуществляется кварцевым генератором. Основные характеристики ИС КР1008ВЖ18 Детектирование всех 16 стандартных DTMF сигналов. Низкая потребляемая мощность: 15 мВт. Один источник питания: 5 В+5%. Используется стандартный телевизионный кварцевый резонатор с частотой 3,579545 МГц. Выходы с тремя состояниями. Режим понижения потребляемой мощности в неактивном состоянии. Низкая вероятность ошибки декодирования: 1/10000. Основные области применения ИС КР1008ВЖ18 ° Приёмные устройства АТС. ° Системы передачи сигнала поискового вызова. ° Дистанционные системы управления. ° Системы кредитных карт. ° Пейджеры. ° Автоответчики. ° Бытовые автоматические системы. ° Мобильные радиосистемы. Цоколёвка ИС приведена на рис. 8.6, назначение выводов в табл. 8.5, структурная схема на рис. 8.7. Электрические и временные характеристики приведены в табл. 8.6. Временные диаграммы входов и выходов приведены на рис. 8.8, параллельный код на выходах Q1 - Q4, соответствующий входному двухтональному (DTMF) сигналу, - в табл. 8.7. Табл. 8.5. Назначение выводов ИС КР1008ВЖ18.
Предельно допустимые характеристики. ИС КР1008ВЖ18: Максимальное напряжение питания (UDD) ................... 6 В. Входное напряжение аналогового сигнала (UINA) ....... от -0,3 В до (UDD + 0,3) В. Входное напряжение цифрового сигнала (UIND) ......... от -0,3 В до (UDD + 0,3) В. Максимальный постоянный входной ток для любого вывода (1м) .......... 10 мА. Рабочая температура (ТOPR) ............................................... от -40 С до +85 С. Температура хранения (ТSTG) ........................................... от -60 С до +15 С. Табл. 8.6. Электрические и временные характеристики ИС КР1008ВЖ18.
Табл. 8.7. Параллельный код на выходах Q1 - Q4 ИС КР1008ВЖ18, соответствующий входному двухтональному (DTMF) сигналу. На рис. 8.9 приведена схема включения ИС КР1008ВЖ18. Входной сигнал DTMF через разделительный конденсатор С1 и резистор R1 поступает на инвертирующий вход IN- операционного усилителя. Коэффициент усиления ОУ Ку = R2/R1 (для данной схемы Ку = 1). Для смещения входа ОУ подаётся напряжение 2,5 B c выхода Ust на неинвертирующий вход IN+. Входной импеданс схемы приблизительно равен сопротивлению R1. Если кварцевый резонатор ZQ1 установлен непосредственно у выводов OSC1 и OSC2, и генератор работает устойчиво, то конденсаторы С2 и СЗ можно не применять. Продолжительность выходного сигнала ("высокий." уровень) на выходе DSO (вывод 15) соответствует продолжительности тонального сигнала, поступившего на вход ИС. На этом выходе "высокий" уровень присутствует с момента опознавания сигнала DTMF и поступления декодированного двоичного кода на выходы данных Q1 - Q4. Выход DSO возвращается в состояние "низкого" уровня после опознавания и обработки межцифровой паузы (см. рис. 8.8). Резистор R3 и конденсатор С4, подключенные к выводам ESO и SI/GTO, задают минимальную длительность обработки тонального сигнала или паузы после того, как сигнал или межцифровая пауза были опознаны: - длительность обработки тонального сигнала tGTP = 0,875хRзхС4 (26 мс); - длительность обработки межцифровой паузы tGTA = 0,956хR3хС4 (29 мс).
Длительность обработки тонального сигнала и межцифровой паузы для схемы рис. 8.9 приблизительно равны. Если длительность тонального сигнала больше межцифровой паузы, то можно . подключить внешние элементы, как показано на рис. 8.10а. Если же длительность тонального сигнала меньше межцифровой паузы, то рекомендуется внешние элементы подключить по рис. 8.106. Для схемы рис. 8.10а: tGTP= 0,875xR1xC; tGTA= 0,956x[R1xR2/(R1+R2)]C. Для схемы рис. 8.106: tGTP= 0,875x[R1xR2/(R1+R2)]xC;
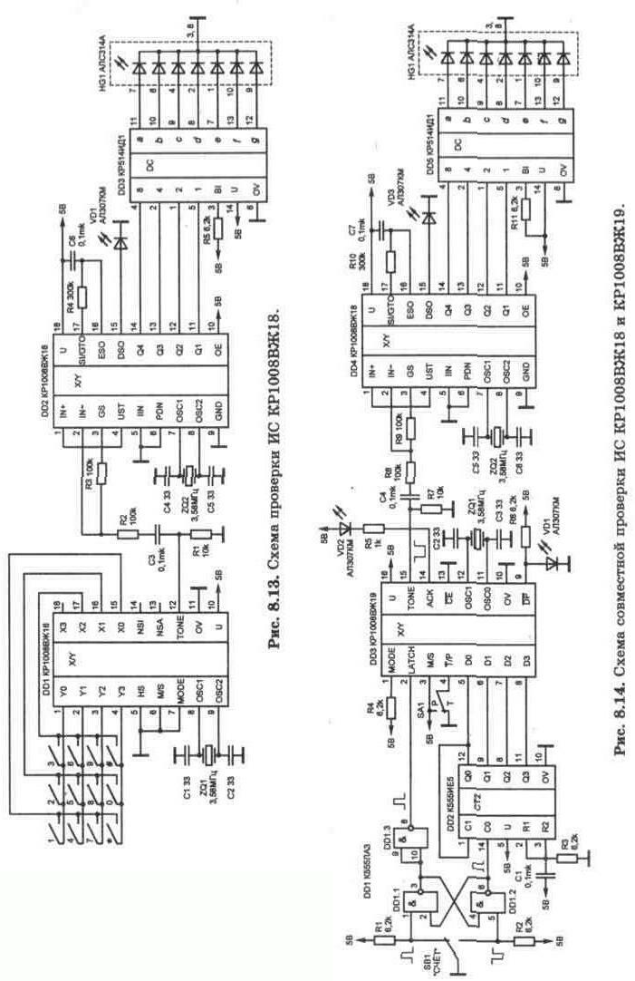
tGTA= 0,956xR1xC. Ha рис. 8.13 приведена схема проверки ИС КР1008ВЖ18. В качестве номеронабирателя тонального сигнала используется ИС КР1008ВЖ16. При нажатии на любую кнопку номеронабирателя с выхода TONE (вывод 12) через разделительный конденсатор СЗ DTMF сигнал подаётся на вход ОУ ИС КР1008ВЖ18. Тональный сигнал декодируется и 4-разрядный двоичный код (табл. 8.7), соответствующий входному DTMF сигналу, подаётся на входы 1, 2, 4, 8 дешифратора КР514ИД1. С момента опознавания и до окончания тональной посылки горит светодиод VD1. Выходы a - g дешифратора подключены к семисегментному светодиодному индикатору. Символ на индикаторе соответствует предпоследней колонке табл. 8.7. Дешифратор КР514ИД1 содержит внутренние токоограничивающие резисторы (Iвых. = 5 мА), что позволяет подключать индикаторы с общим катодом AJI304A (Б, В), АЛС314А непосредственно к выходам дешифратора. Для использования индикаторов с общим анодом (АЛС324Б, АЛСЗЗЗВ.Г и т. п.) следует применить дешифратор КР514ИД2 (рис. 8.11) или К555ИД18. Поскольку выходы ИС КР514ИД2 выполнены на транзисторах с открытым коллектором, то необходимо установить ограничительные резисторы сопротивлением 300 Ом. Схему можно упростить, применив ИС управляемого индикатора со схемой дешифрации К490ИП2 (рис 8.12). На рис. 8.14 приведена схема совместной проверки ИС КР1008ВЖ19 и КР1008ВЖ18. В исходном состоянии на выходе логических элементов DD1.2, DD1.3 и на выходах Q0 - Q3 десятичного счётчика DD2 К555ИЕ5 - "низкий" уровень, а на выходе АСК ИС КР1008ВЖ19 - "высокий" уровень. Цепь С1, R3 при включении схемы устанавливает выходы ИС DD2 в состояние логического "0" . При нажатии на кнопку SB1 выходы DD1.2 и DD1.3 переходят из "низкого" в "высокий" и ИС КРЮ08ВЖ19 загружает двоичный код по входам D0 - D3. В момент отпускания кнопки RS-триггер на логических элементах DD1.1 и DD1.2 перебрасывается обратно, что приводит к набору загруженной цифры и переводит счётчик DD2 на один такт вперёд. Тональный сигнал "*" с выхода TONE ИС КРЮ08ВЖ19 поступает на вход ИС КР1008ВЖ18 и на индикаторе HGI отображается символ декодированного сигнала (табл. 8.7). С момента загрузки двоичного кода и до окончания набора номера горит светодиод VD2. При следующем нажатии кнопки SB1, происходит набор очередной цифры "1" и т. д. Если переключатель SA1 находится в положении "Р", то при наборе очередной цифры мигает светодиод VD1 с частотой импульсного набора 10 Гц. Количество импульсов соответствует набранной цифре.
|
|||||||||||||||||||||||||||||||||||||||||||||||||||||||||||||||||||||||||||||||||||||||||||||||||||||||||||||||||||||||||||||||||||||||||||||||||||||||||||||||||||||||||||||||||||||||||||||||||||||||||||||||||||||||||||||||||||||||||||||||||||||||||||||||||||||||||||||||||||||||||||||||||||||||||||||||||||||||||||||||||||||||||||||||||||||||||||||||||||||||||||||||||||||||||||||||||||||||||||||||||||||||||||||||||||||||||||||||||||||||||||||||||||||||||||||||||||||||||||||||||||||||||||||||||||||||||||
ИС КР1008ВЖ18 И КР1008ВЖ19
Doc
Просмотров: 8628






