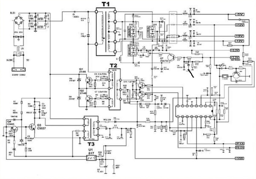
ITX ASUS-500H
Ratings
(0)
slide 6
Doc
20 апреля 2023
Просмотров: 265
Обсудить эту статью
Войдите, чтобы комментировать
Вы здесь:
Главная
Справочный лист
Импульсные блоки питания
ITX ASUS-500H
Поиск
Sign In
Главная
Cхемы
Программы
Библиотека
Форум
Справочный лист
Советы
Обзоры
Это интересно
Cсылки
Вся информация, предоставленная на данном ресурсе разрешена к ознакомлению детям школьного возраста. Все практическое использование может быть связана с повышенной электрической опасностью и разрешено детям только под присмотром взрослых.