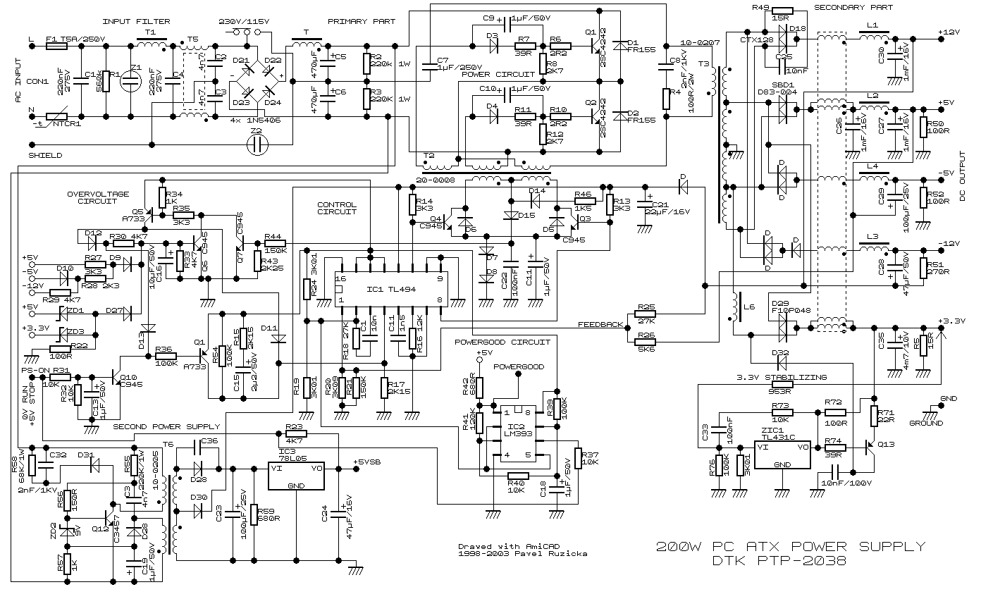
ATX TAP 200W
Ratings
(0)
200w atx tap
Doc
20 апреля 2023
Просмотров: 188
Обсудить эту статью
Войдите, чтобы комментировать
Вы здесь:
Главная
Справочный лист
Импульсные блоки питания
ATX TAP 200W
Поиск
Sign In
Главная
Cхемы
Программы
Библиотека
Форум
Справочный лист
Советы
Обзоры
Это интересно
Cсылки
Вся информация, предоставленная на данном ресурсе разрешена к ознакомлению детям школьного возраста. Все практическое использование может быть связана с повышенной электрической опасностью и разрешено детям только под присмотром взрослых.