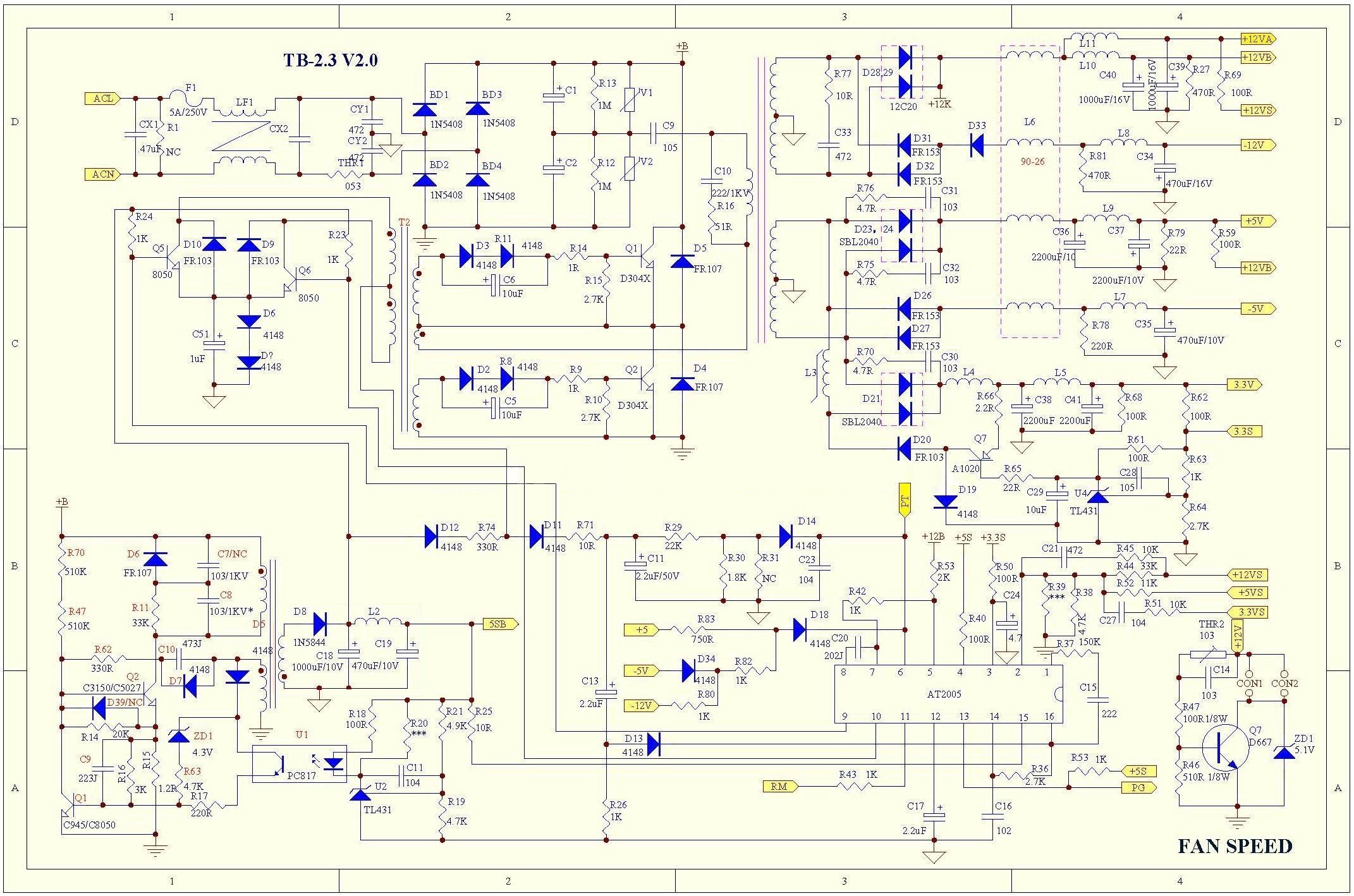
ATX GEMBIRD 350W (ShenZhon 350W)
Doc
Просмотров: 412
Вся информация, предоставленная на данном ресурсе разрешена к ознакомлению детям школьного возраста. Все практическое использование может быть связана с повышенной электрической опасностью и разрешено детям только под присмотром взрослых.