- Сообщений: 1116
- Спасибо получено: 46
Не получается выложить информацию на сайт
- Николай Петрович
-
Автор темы
- Не в сети
Less
Больше
07 март 2015 15:11 - 08 март 2015 10:57 #11
от Николай Петрович
Николай Петрович ответил в теме Не получается выложить информацию на сайт
Для сайта. В раздел автомобильная электроника. Стас, прочти эту тему с самого начала. Имею в виду настоящую тему. Можно ещё и эту
www.radio-portal.ru/kunena/radiolyubitel...knopkoj.html?start=5
Автомат управления ходовыми огнями автотранспорта.
Одно из требований правил дорожного движения, это обязательное включение, в дневное время суток, во время движения автомобиля, фар ближнего света или противотуманных (дополнительных) фар белого цвета именуемых дневными ходовыми огнями.
Включение вместо фар габаритов или эксперементирование с их яркостью свечения, это мягко говоря, не умная затея. Из своего опыта и из разговоров с проффисиональными водителями мне известно, что глаза настолько привыкают к включённым фарам, что автомобиль с выключенными фарами замечается не далее 100 – 200 метров.Излишне говорить, что это опастно для жизни.
Разработанный автомат управления ДХО обеспечивает следующие режимы работ.
1, Автомат никогда не забывает включать и отключать фары (ДХО), естественно, если это он их включил.
2. После пуска двигателя, обеспечивает автоматическое включение ДХО, или фар ближнего света.
3. При наличии ДХО, включение ближнего или дальнего света, обеспечивает автоматическое выключение ДХО.
4. Если в качестве ДХО используется ближний свет, при включении дальнего света, ближний свет автоматически выключается.
5. В режиме прогрева двигателя (работа двигателя на минимальных оборотах), возможно отключение ДХО. При трогании с места, ДХО автоматически включатся. Для отключения ДХО не нужно дополнительных переключателей, кроме штатных, установленных на автомобиле.
6. Отключение замка зажигания, отключение двигателя, обеспечивает автоматическое отключение ДХО или фар ближнего света.
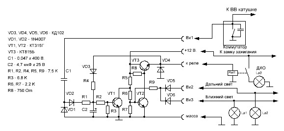
При включении замка зажигания реле К1 обесточено, т.к. напряжение питания, через резистор R5 и R6 открывает транзистор VT2, который закрывает транзистор VT3. После пуска двигателя импульсы с прерывателя или тахометра, через конденсатор С1 выпрямляются диодами VD!, VD2 и через фильтр R1, C2, R2 открывают транзистор VT1. В свою очередь, транзистор VT1 закрывает транзистор VT2. Транзистор VT3 открывается, реле получает питание и включается, включая ДХО. Диод VD3 и резистор R4 обеспечивают крутой фронт нарастания напряжения на втягивающей катушке реле, кроме того, препятствуют отключению реле, при движении автомобиля накатом с выключенной передачей и работающем двигателем на холостых оборотах.
Включение фар ближнего или дальнего света приводит к тому, что напряжение с ламп фар, через диод VD5 или VD6, резистор R9 открывают транзистор VT2. VT2 закрывает транзистор VT3. Реле отключается, отключая ДХО.
В режиме прогрева двигателя, на холостых оборотах когда ДХО не нужны, достаточно, для их отключения, включить и выключить ближний или дальний свет. Напряжение с ламп фар откроют транзистор VT2. VT3 закроется, реле отключится и выключит ДХО. В это время частота искрообразования сравнительно не большая, не достаточная для открывания транзистора VT1, ДХО не включатся. С началом движения автомобиля ДХО включатся автоматически.
Возможно транзистор VT3 заменить МОСФЕТом и включить ДХО непосредственно от него, без реле. Но, как известно, они боятся статического электричества, а в авто его предостаточно. По этому считаю, что реле будет надёжнее.
Качество искрообразования и холостые обороты различных автомобилей не одинаковы, Поэтому, для обеспечения функции № 5, если на холостых оборотах, после включения и отключения ближнего или дальнего света фар, ДХО вновь включатся, следует уменьшить номинал резистора R3. Если эта функция не нужна, наладка не требуется.
При эксплуатации автомата управления ДХО никаких влияний автоматом на искрообразование или на показания тахометра замечено не было. Несмотря на свою простоту, настоящий автомат управления ДХО не уступает, а часто и превосходит аналогичные устройства по алгоритму работы
www.radio-portal.ru/kunena/radiolyubitel...knopkoj.html?start=5
Автомат управления ходовыми огнями автотранспорта.
Одно из требований правил дорожного движения, это обязательное включение, в дневное время суток, во время движения автомобиля, фар ближнего света или противотуманных (дополнительных) фар белого цвета именуемых дневными ходовыми огнями.
Включение вместо фар габаритов или эксперементирование с их яркостью свечения, это мягко говоря, не умная затея. Из своего опыта и из разговоров с проффисиональными водителями мне известно, что глаза настолько привыкают к включённым фарам, что автомобиль с выключенными фарами замечается не далее 100 – 200 метров.Излишне говорить, что это опастно для жизни.
Разработанный автомат управления ДХО обеспечивает следующие режимы работ.
1, Автомат никогда не забывает включать и отключать фары (ДХО), естественно, если это он их включил.
2. После пуска двигателя, обеспечивает автоматическое включение ДХО, или фар ближнего света.
3. При наличии ДХО, включение ближнего или дальнего света, обеспечивает автоматическое выключение ДХО.
4. Если в качестве ДХО используется ближний свет, при включении дальнего света, ближний свет автоматически выключается.
5. В режиме прогрева двигателя (работа двигателя на минимальных оборотах), возможно отключение ДХО. При трогании с места, ДХО автоматически включатся. Для отключения ДХО не нужно дополнительных переключателей, кроме штатных, установленных на автомобиле.
6. Отключение замка зажигания, отключение двигателя, обеспечивает автоматическое отключение ДХО или фар ближнего света.
При включении замка зажигания реле К1 обесточено, т.к. напряжение питания, через резистор R5 и R6 открывает транзистор VT2, который закрывает транзистор VT3. После пуска двигателя импульсы с прерывателя или тахометра, через конденсатор С1 выпрямляются диодами VD!, VD2 и через фильтр R1, C2, R2 открывают транзистор VT1. В свою очередь, транзистор VT1 закрывает транзистор VT2. Транзистор VT3 открывается, реле получает питание и включается, включая ДХО. Диод VD3 и резистор R4 обеспечивают крутой фронт нарастания напряжения на втягивающей катушке реле, кроме того, препятствуют отключению реле, при движении автомобиля накатом с выключенной передачей и работающем двигателем на холостых оборотах.
Включение фар ближнего или дальнего света приводит к тому, что напряжение с ламп фар, через диод VD5 или VD6, резистор R9 открывают транзистор VT2. VT2 закрывает транзистор VT3. Реле отключается, отключая ДХО.
В режиме прогрева двигателя, на холостых оборотах когда ДХО не нужны, достаточно, для их отключения, включить и выключить ближний или дальний свет. Напряжение с ламп фар откроют транзистор VT2. VT3 закроется, реле отключится и выключит ДХО. В это время частота искрообразования сравнительно не большая, не достаточная для открывания транзистора VT1, ДХО не включатся. С началом движения автомобиля ДХО включатся автоматически.
Возможно транзистор VT3 заменить МОСФЕТом и включить ДХО непосредственно от него, без реле. Но, как известно, они боятся статического электричества, а в авто его предостаточно. По этому считаю, что реле будет надёжнее.
Качество искрообразования и холостые обороты различных автомобилей не одинаковы, Поэтому, для обеспечения функции № 5, если на холостых оборотах, после включения и отключения ближнего или дальнего света фар, ДХО вновь включатся, следует уменьшить номинал резистора R3. Если эта функция не нужна, наладка не требуется.
При эксплуатации автомата управления ДХО никаких влияний автоматом на искрообразование или на показания тахометра замечено не было. Несмотря на свою простоту, настоящий автомат управления ДХО не уступает, а часто и превосходит аналогичные устройства по алгоритму работы
Вложения:
Последнее редактирование: 08 март 2015 10:57 пользователем Николай Петрович.
Пожалуйста Войти или Регистрация, чтобы присоединиться к беседе.
Модераторы: Doc