помогите пожалуйста описать работу схемы

Больше
16 апр 2013 20:10 - 16 апр 2013 20:12 #1 от magu86
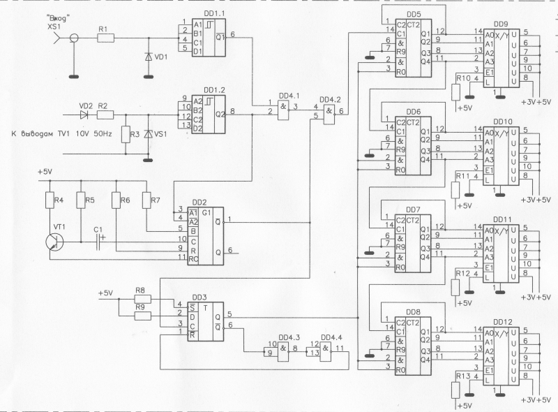
помогите описать схему четырехразрядного индикатора частоты как можно подробнее и объемнее, конечно не за так.





Последнее редактирование: 16 апр 2013 20:12 пользователем magu86.

Пожалуйста Войти или Регистрация, чтобы присоединиться к беседе.

Модераторы: Doc
Вся информация, предоставленная на данном ресурсе разрешена к ознакомлению детям школьного возраста. Все практическое использование может быть связана с повышенной электрической опасностью и разрешено детям только под присмотром взрослых.