- Сообщений: 394
- Спасибо получено: 29
Автоматическое включение вентилятора
- Стас
-
Автор темы
- Не в сети
Less
Больше
13 март 2014 10:55 #1
от Стас
Стас создал тему: Автоматическое включение вентилятора
Всем добрый день. Собрал мощный лабораторный блок питания на TL494, встал вопрос об охлаждении радиатора. Ставить вентилятор на постоянный обдув нет смысла, так как радиатор нагревается при работе блока питания с нагрузкой более 6 А. С таким током работаю редко, но всё же работаю. Может посоветуете проверенные схемки автоматического включения вентилятора при нагреве радиатора? Спасибо.
Пожалуйста Войти или Регистрация, чтобы присоединиться к беседе.
- Doc
-
- Не в сети
13 март 2014 12:54 - 13 март 2014 12:55 #2
от Doc
Малое знание опасно, впрочем, как и большое....
Doc ответил в теме Автоматическое включение вентилятора
Малое знание опасно, впрочем, как и большое....
Вложения:
Последнее редактирование: 13 март 2014 12:55 пользователем Doc.
Спасибо сказали: Стас
Пожалуйста Войти или Регистрация, чтобы присоединиться к беседе.
- Стас
-
Автор темы
- Не в сети
Less
Больше
- Сообщений: 394
- Спасибо получено: 29
13 март 2014 14:11 #3
от Стас
Стас ответил в теме Автоматическое включение вентилятора
Спасибо DOC, сегодня после работы вечером попробую.
Пожалуйста Войти или Регистрация, чтобы присоединиться к беседе.
- Стас
-
Автор темы
- Не в сети
Less
Больше
- Сообщений: 394
- Спасибо получено: 29
13 март 2014 20:30 #4
от Стас
Стас ответил в теме Автоматическое включение вентилятора
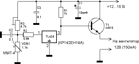
К сожалению не смог найти у себя ни LM301 ни К157УД2, из операционных усилителей были только LM393, по быстрому спаял схемку, заработала сразу. Из терморезисторов нашёл только в компьютерном блоке питания ( был прикручен на радиаторе), его сопротивление 10 Ом. Регулировка предела включения вентилятора осуществляется Р1.
Вложения:
Пожалуйста Войти или Регистрация, чтобы присоединиться к беседе.
- Doc
-
- Не в сети
14 март 2014 17:47 #5
от Doc
Малое знание опасно, впрочем, как и большое....
Doc ответил в теме Автоматическое включение вентилятора
как я понимаю устройство получилось пороговое , тоесть при достижении определенной температуры просто идет включение.
какова дельта петли гистерезиса (порога срабатывания и отключения) - нет ли момента котгда вентилятор все время отключается и включаться через 2-3 секунды?
какова дельта петли гистерезиса (порога срабатывания и отключения) - нет ли момента котгда вентилятор все время отключается и включаться через 2-3 секунды?
Малое знание опасно, впрочем, как и большое....
Пожалуйста Войти или Регистрация, чтобы присоединиться к беседе.
Модераторы: Doc