LCD Nokia --- LPT

  • tomas111
  • tomas111 аватар Автор темы
Больше
19 янв 2007 06:19 #1 от tomas111
tomas111 создал тему: LCD Nokia --- LPT
Привет всем !!!
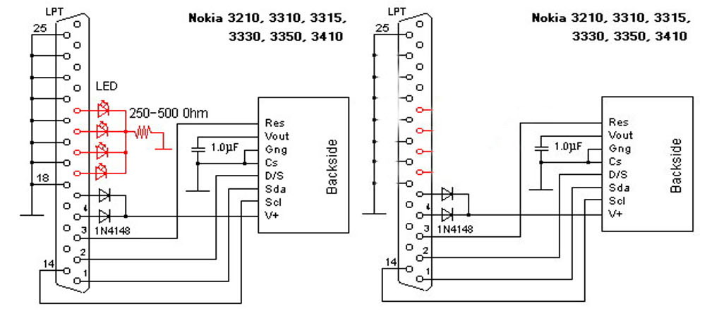
Вот недавно нашол схему спаял её а она неработает вотн емойму толи дело в софте толи что то с распайкой ....

На икране отоброжается как бы точки, и он иногда ешё мигает ... А вывести какуюнибуть точную информацию неполучается :(

Правдо я ешё спаял по своему.. думаю может из за этого глюк ???
Вложения:

Пожалуйста Войти или Регистрация, чтобы присоединиться к беседе.

  • tomas111
  • tomas111 аватар Автор темы
Больше
19 янв 2007 09:28 #2 от tomas111
tomas111 ответил в теме LCD Nokia --- LPT
Добавлю:
Спаял я экран от Nokia 3310, но он наработает не пойму толи это софт толи что то аппаратное (Схема). Из аппаратного мог только поставить не тот кондёр (Я поставил шас 1 Мкф, но может нужно 0.1 Мкф ???)
А проблема такая:
Подключил к компу, запустил прогу LCDHype, открыл скрипт в предпросмотре вижу что показывает а на экране что то похожее на точки в беспорядочном движении (Есть фото).
После некоторых экспериментов получил результат – стал мигать  Но от этого мне легче не стало. И мигает тоже недолго около 1 мин, потом гаснет.
Есть какие нибуть соображения ???

Пожалуйста Войти или Регистрация, чтобы присоединиться к беседе.

  • K01I
  • K01I аватар
Больше
19 янв 2007 09:55 #3 от K01I
K01I ответил в теме LCD Nokia --- LPT

tomas111 пишет: Я поставил шас 1 Мкф, но может нужно 0.1 Мкф

на схеме написан 1 мкф такчто аппаратная часть в этом месте правильно собрана

Пожалуйста Войти или Регистрация, чтобы присоединиться к беседе.

  • tomas111
  • tomas111 аватар Автор темы
Больше
19 янв 2007 11:18 #4 от tomas111
tomas111 ответил в теме LCD Nokia --- LPT
А почему тогда так работает икранчик ???

Пожалуйста Войти или Регистрация, чтобы присоединиться к беседе.

  • tomas111
  • tomas111 аватар Автор темы
Больше
19 янв 2007 12:51 #5 от tomas111
tomas111 ответил в теме LCD Nokia --- LPT
Теперь экран показыват только это :(
Вложения:

Пожалуйста Войти или Регистрация, чтобы присоединиться к беседе.

Модераторы: Doc
Вся информация, предоставленная на данном ресурсе разрешена к ознакомлению детям школьного возраста. Все практическое использование может быть связана с повышенной электрической опасностью и разрешено детям только под присмотром взрослых.