Лабораторник из АТХ

Больше
01 фев 2015 14:17 #1 от zak
zak создал тему: Лабораторник из АТХ
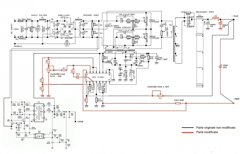
вот решил занятся переделкой АТХ посаветуйте по какой схеме переделывать.. мой блок собран на TL494 + LM393.. в инете нашел 2 схемы одна какогото итальянца вторая вообще низнаю чья!!

Пожалуйста Войти или Регистрация, чтобы присоединиться к беседе.

Больше
01 фев 2015 14:21 #2 от zak
zak ответил в теме Лабораторник из АТХ
вот разобрал кое что выпаял и чегото засомневался что выпаивать еще( подскажите конкретнее 123 освабаждаем я так понял и 15 -16 ... думаю делать блок с LM358 ибо в схеме итальянца без операционников при КЗ защита говорят неработает.


Пожалуйста Войти или Регистрация, чтобы присоединиться к беседе.

Больше
08 фев 2015 08:02 #3 от zak
zak ответил в теме Лабораторник из АТХ
тут живие интересно вообще бывают!!:) если есть тут еще ктото помогите распознать резисторы на сколько они наминалом? мне надо 0.05 ома ... прибором мерю показывает 0 и все... прибор только 10е мерит ома!! в инете ничего про такое обозначение не нашел!!
Вложения:

Пожалуйста Войти или Регистрация, чтобы присоединиться к беседе.

Больше
08 фев 2015 09:07 #4 от Стас
Стас ответил в теме Лабораторник из АТХ
Здравствуйте. Ваши резисторы на 10 ватт 0,2 Ома каждый. Я тоже когда то искал резистор 0,05 Ома. Найти не смог и поставил параллельно два по 0,1 Ом, в сумме получилось как раз то что надо. А если есть приборчик, можно и самому сделать.

Пожалуйста Войти или Регистрация, чтобы присоединиться к беседе.

Больше
08 фев 2015 11:25 #5 от Doc
Doc ответил в теме Лабораторник из АТХ
а зачем Вы радиаторы сняли с выпрямительных диодов?

Малое знание опасно, впрочем, как и большое....

Пожалуйста Войти или Регистрация, чтобы присоединиться к беседе.

Модераторы: Doc
Вся информация, предоставленная на данном ресурсе разрешена к ознакомлению детям школьного возраста. Все практическое использование может быть связана с повышенной электрической опасностью и разрешено детям только под присмотром взрослых.