- Сообщений: 328
- Спасибо получено: 0
Помогите сгенерировать переменное напряжение
- Владимир
-
Автор темы
- Не в сети
Less
Больше
09 янв 2009 13:49 #1
от Владимир
Владимир создал тему: Помогите сгенерировать переменное напряжение
Всех поздравляю с Рождеством Христовым! Разобрал старый дисковод, и вытащил от туда движок. Он работает от переменного наряжения. И вот мне нужно сделать генератор. Я тут нарисовал схемку и прошу специалистов посмотреть правильно ли и если правильно чего не хватает или может чего убрать. вывод ПИКа выдает то + то -. Ну вообщем я думаю специалисты разберутся.
Вложения:
Пожалуйста Войти или Регистрация, чтобы присоединиться к беседе.
- NIKOLAS
-
Less
Больше
- Спасибо получено: 0
09 янв 2009 15:58 #2
от NIKOLAS
NIKOLAS ответил в теме Помогите сгенерировать переменное напряжение
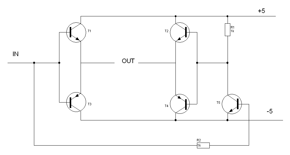
ПРИМЕРНО ТАК ЛУЧШЕ БУДЕТ
Вложения:
Пожалуйста Войти или Регистрация, чтобы присоединиться к беседе.
- Владимир
-
Автор темы
- Не в сети
Less
Больше
- Сообщений: 328
- Спасибо получено: 0
09 янв 2009 17:56 #3
от Владимир
Владимир ответил в теме Помогите сгенерировать переменное напряжение
На IN надо PIC подключить, который плюс минус дает ?
Пожалуйста Войти или Регистрация, чтобы присоединиться к беседе.
- NIKOLAS
-
Less
Больше
- Спасибо получено: 0
09 янв 2009 18:28 #4
от NIKOLAS
NIKOLAS ответил в теме Помогите сгенерировать переменное напряжение
ага. а на вых будет форма, прим как на входе
Пожалуйста Войти или Регистрация, чтобы присоединиться к беседе.
- Doc
-
- Не в сети
09 янв 2009 20:09 #5
от Doc
Малое знание опасно, впрочем, как и большое....
Doc ответил в теме Помогите сгенерировать переменное напряжение
hookov а что за двигатель такой ?
что-то я не помню чтобы в дисководах были движки переменного тока такого типа??
там всегда стояло два двигателя - один шаговый , другой переменного тока но трехфазный
что-то я не помню чтобы в дисководах были движки переменного тока такого типа??
там всегда стояло два двигателя - один шаговый , другой переменного тока но трехфазный
Малое знание опасно, впрочем, как и большое....
Пожалуйста Войти или Регистрация, чтобы присоединиться к беседе.
Модераторы: Doc