Схема триггера управления фонариком с нефиксируемой кнопокой

Больше
10 янв 2013 00:24 - 10 янв 2013 00:27 #1 от Джабир
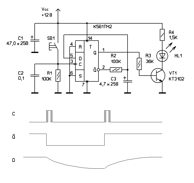
Здравствуйте, форумчане! Хочется оживить китайский светодиодный фонарик, одевающийся на голову. Раньше работал в нескольких режимах нажатием кнопки: тускло - ярко - очень ярко - стробоскоп - выкл. Теперь мерцает и еле горит. В нем бескорпусная микросхема. Так как там нефиксируемая кнопка, то хочется собрать триггерную схему, скажем на 561ТМ2, чтобы работал только на включение и выключение. Подскажите пожалуйста, как это реализовать? В радиотехнике не силен, поэтому прошу вашей помощи, если можно, то схематически. Пока лишь дружу с паяльником и в ридоэлементах немного разбираюсь. Про этот триггер прочитал в интернете, но по существу информации не нашел.

ВНИМАНИЕ: Спойлер!
Вложения:
Последнее редактирование: 10 янв 2013 00:27 пользователем Джабир.

Пожалуйста Войти или Регистрация, чтобы присоединиться к беседе.

Больше
11 янв 2013 01:16 - 11 янв 2013 01:28 #2 от Алексей
Резисторы в ниже приложенной схеме могут быть от 4,7к до 10к.
Первый "Т" триггер формирует команды для второго - просто прямым подключением копки к "D" триггеру работы его добиться не возможно - любая кнопка в момент включения формирует пачку импульсов - можете видеть по осциллографу. Сопротивления нужны для поддержания отрицательной команды на входах - без них на входах после снятия положительной команды остаётся статический положительный заряд не дающий сработать триггеру при подаче команды на второй вывод.
Транзистор думаю можно не ставить - микросхема должна выдержать силу тока светодиодов - для уточнения нужно замерить силу тока и поглядеть в справочнике, сколько миллиампер держит 561тм2.
В режиме ожидания схема можно сказать ток не потребляет - показывает 0,4 мА.
Забыл указать номинал резистора в цепи базы: 500 Ом.
Последнее редактирование: 11 янв 2013 01:28 пользователем Алексей.
Спасибо сказали: Джабир

Пожалуйста Войти или Регистрация, чтобы присоединиться к беседе.

Больше
11 янв 2013 01:51 #3 от Джабир
Благодарю Вас, Алексей! Вот это я понимаю, разжевано все. За триггером придется в магазин, не нашел ни этот, ни аналог у себя среди буржуйского хлама, к сожалению.

Пожалуйста Войти или Регистрация, чтобы присоединиться к беседе.

Больше
11 янв 2013 02:12 #4 от Алексей
Сейчас подумал ..., думаю там в фонаре кнопка не с тремя выводами, а мостырить другую кнопку не так просто. Есть вариант подавить дребезг контактов у установленной кнопки и подключить её к последнему триггеру.
Сейчас попробовал припаять параллельно кнопке кандёр на 100 нФ - получилось.
Подробнее: отпаеваем перемычку 1-11 выводов м-мы, 11 вывод через сопротивление 10к припаиваем на минус, ещё его-же 11 через кандёр припаиваем к плюсу питания и параллельно кандёру кнопку.
Все входы первого триггера не используются и их полагается всех соединить на массу или микросхема начинает потреблять много тока и греется.

Пожалуйста Войти или Регистрация, чтобы присоединиться к беседе.

Больше
11 янв 2013 02:37 - 11 янв 2013 02:47 #5 от Джабир
Сейчас разглядывал еще один форум и надыбал для двухкнопочной с подавлением дребезга. Насчет такой распайки с первым T что скажете?
ВНИМАНИЕ: Спойлер!
Вложения:
Последнее редактирование: 11 янв 2013 02:47 пользователем Джабир.

Пожалуйста Войти или Регистрация, чтобы присоединиться к беседе.

Модераторы: Doc
Вся информация, предоставленная на данном ресурсе разрешена к ознакомлению детям школьного возраста. Все практическое использование может быть связана с повышенной электрической опасностью и разрешено детям только под присмотром взрослых.