Генератор шума против микрофонов-стетоскопов

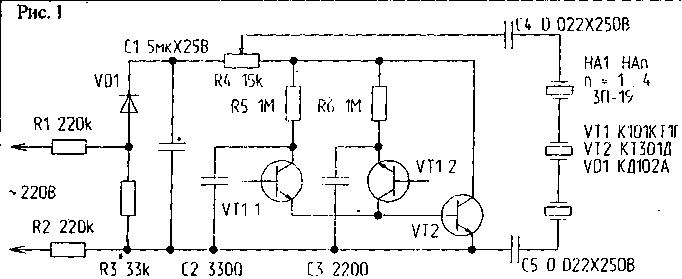
Генераторы акустического шума (рис.1, 2) предназначены для срыва прослушивания конфиденциальных разговоров через оконные стекла. При разговоре в помещении звуковые волны, воздействуя на оконные стекла, вызывают вибрацию последних, поэтому, применяя узконаправленные микрофоны или системы оптического контроля, можно дистанционно считать информацию. Так, при использовании лазерного излучателя и приемника считывание информации возможно в пределах прямой видимости. Устройство (рис. 1) содержит два генератора импульсов, частоты которых не стабилизированы и отличаются друг от Друга. Нагрузка генераторов - общая, в этой связи импульсы (щелчки, следующие с частотой в сотни герц) подаются через буферный каскад, выполненный на транзисторе VT2, на пьезокерамические излучатели НА1 ...НАn. Период времени между импульсами постоянно изменяется, в связи с чем считывание информации со стекол в условиях апериодических акустических помех с использованием фильтров и т.п. устройств маловероятно. Громкость звукового сигнала можно плавно регулировать потенциометром R4.

 

 

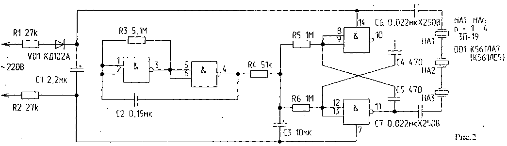
Генератор шума (рис.2) выполнен на основе микросхемы К561ЛА7 (либо К561ЛЕ5, микросхем серии К564). Устройство генерирует сигнал, частота которого "плавает" в области звуковых частот (речевого диапазона звуков). Для усложнения характера генерируемых сигналов питание генератора также не стабилизировано и на выходе выпрямителя присутствуют несглаженные пульсации. Нагрузкой генератора, как и в первом случае, являются пьезокерамические излучатели, например типа ЗП-19. Напряжения питания устройств не превышают паспортных значений используемых в схемах полупроводниковых приборов, в связи с чем возможна их длительная эксплуатация без отключения от сети.

 

 

 

Нагрузка генераторов развязана от питающей сети гасящими сопротивлениями выпрямителей и малыми емкостями переходных конденсаторов. Устройства собраны в пластмассовых корпусах с внутренним размером 63х22х18мм. Пьезоке-рамические излучатели (от одного до четырех - в зависимости от количества стекол в оконной раме) наклеивают в центре стекла внутренних рам и присоединяют к генераторам тонким проводом. Излучатели могут быть соединены последовательно или параллельно-последовательно. Разговор в помещении при проведении переговоров нс должен быть громким, окна должны быть закрыты и зашторены плотными тканями.
М.ШУСТОВ, г.Томск.

 

Обсудить эту статью на форуме (0 ответов).
Вся информация, предоставленная на данном ресурсе разрешена к ознакомлению детям школьного возраста. Все практическое использование может быть связана с повышенной электрической опасностью и разрешено детям только под присмотром взрослых.