Телефонный жучок с частотной модуляцией

 

 

 

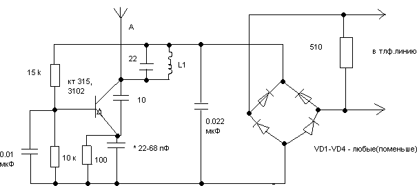
Телефонный жучок с частотной модуляцией. Радиус действия - до 200м. Включается в разрыв любого телефонного провода. Катушка L1 наматывается на сверле диаметром 3мм проводом ПЭВ-0,5 и содержит для диапазона УКВ - 7, а для диапазона FM - 3 витка.

 

 

 

 

 

 

 

 

Обсудить эту статью на форуме (0 ответов).
Вся информация, предоставленная на данном ресурсе разрешена к ознакомлению детям школьного возраста. Все практическое использование может быть связана с повышенной электрической опасностью и разрешено детям только под присмотром взрослых.