Трехполосную акустическую систему 35АС-1, разработанную около десяти лет назад в конструкторском бюро “Орбита” рижского производственного объединения “Радиотехника”, можно без преувеличения назвать родоначальницей семейства АС, сделавших реальностью высококачественное звуковоспроизведение в домашних условиях. По тем временам 35АС-1 была лучшей не только среди отечественных бытовых громкоговорителей, она звучала лучше многих АС зарубежных фирм.
В 1979 г. на основе 35АС-1 (изменениям подверглись разделительный фильтр и передняя панель акустического оформления) была создана 35АС-212 (S-90), которая в настоящее время выпускается несколькими предприятиями под названиями 35АС-012 и 35АС-016. К сожалению, сегодня эти АС уже не удовлетворяют возросшие запросы любителей высококачественного звучания.
Как показали исследования, проведенные на кафедре радиовещания и электроакустики Московского электротехнического института связи (МЭИС), наиболее слабое звено AC — среднечастотная динамическая головка 15ГД-11 А. Частотная характеристика этой головки имеет резкий спад выше 4,5 кГц, что практически исключает возможность получения “яркого”, “прозрачного” звучания в области средних частот. Есть у нее и другой недостаток — большая масса подвижной системы, с которым, впрочем, можно успешно бороться введением акустического демпфирования [1].
Не лишена недостатков и высокочастотная головка 10ГД-35. Основной из них — высокая частота резонанса подвижной системы. Разделительный фильтр с частотой среза 5 кГц не в состоянии ослабить компоненты сигнала, частота которых совпадает с резонансной, а это порождает много неприятных призвуков.
Существенно улучшить качество звучания АС можно, устранив причины, ухудшающие его, т. е. заменив головку 15ГД-11А широкополосной головкой 5ГДШ-5-4 (прежнее обозначение — 4ГД-53) и повысив частоту разделения средне- и высокочастотной полос с 5 до 10 кГц. После такой доработки паспортная мощность АС снижается примерно вдвое, поэтому эксплуатировать ее можно только с усилителем, номинальная выходная мощность которого не превышает 50 Вт (на один канал). Однако, как показывает практика, этого
|
вполне достаточно для получении высококачественного звуковоспроизведения в любой жилой комнате.
Выбор широкополосной головки 5ГДШ-5-4 не в последнюю очередь обусловлен идентичностью ее установочных размеров с головкой 15ГД-11А, что облегчает замену и позволяет сохранить в неприкосновенности внешний вид АС.
Для улучшения параметров головки 5ГДШ-5-4 необходимо промазать часть верхнего подвеса диффузора незасыхающей вибропоглощающей мастикой [2] и снабдить ее панелью акустического сопротивления, заклеив окна диффузородержателя синтетическим войлоком (ТУ 17-35-3941-81) или другим подходящим материалом [1].
Порядок доработки рассмотрим на примере системы 35АС-016. Положив ее задней стенкой вниз, вывинчивают шурупы, снимают декоративные накладки, извлекают головки 15ГД-11А н 30ГД-1 и через отверстие под последнюю — плату разделительного фильтра. Поскольку толщина фланца диффузородержателя новой головки значительно тоньше, под него необходимо подложить кольцевую прокладку, вырезанную точно по размерам фланца из пористой резины толщиной 8...10 мм. Bо избежание касания диффузора и защитной сетки на шурупы (между головкой и декоративной накладкой) следует надеть гайки М5 — они плотно прижмут головку к боксу среднечастотной головки и, кроме того, предотвратят деформацию накладок под действием шурупов.
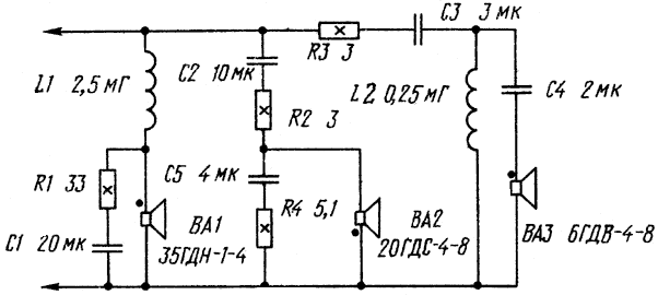
Подключают головку 5ГДШ-5-4 в той же полярности, что и 15ГД-11А. Для выравнивания чувствительности и согласования головки 5ГДШ-5-4 с разделительным фильтром (рис. 1) последовательно с ней включают резистор R' (на схеме изображен штриховыми линиями), который закрепляют на плате фильтра.
Изменения в фильтре сводятся к следующему (позиционные обозначения элементов, номиналы которых изменяются при доработке, снабжены штрихами). Отпаяв выводы катушки L4 (0,56 мГн), ее снимают, а на освободившееся место устанавливают катушку L1 (0,22 мГн), которую включают в фильтр вместо L4 (это повышает верхнюю границу рабочей полосы частот среднечастотной головки). Затем отматывают от катушки L4 115 витков (новая индуктивность — 0,1 мГн) и установив ее на плату, подключают вместо катушки L1. Конденсатор С1 (2мкФ) заменяют конденсатором С2 (1 мкФ), а вместо последнего включают бумажный конденсатор емкостью 0,5 мкФ. После такой переделки частота среза высокочастотного звена фильтра повышается до 10 кГц.
Для оценки эффективности предлагаемой доработки рекомендуется вначале переделать одну АС и сравнить ее звучание с непеределанной в монофоническом режиме. Оценка будет более объективной, если слушатели не будут знать, какая именно АС подверглась модернизации, и определят ее по предпочтительности звучания. Переключать АС необходимо быстро (например, с помощью тумблера), причем желательно делать это несколько раз во время прослушивания одного и того же музыкального произведения.
Частотные характеристики АС до (штриховая линия) и после переделки (сплошная линия) приведены на рис. 2. Как видно, результат доработки проявляется в некотором уменьшении (с К) до (1 дБ) неравномерности характеристики в области средних частот. Сравнительное прослушивание показало уверенно заметную предпочтительность звучания переделанной АС.
|
В заключение — несколько слов о доработке других модификаций этой АС. Принципиальные схемы их разделительных фильтров отличаются от изображенной на рис. 1 в основном лишь номиналами и нумерацией элементов, Так катушке индуктивности L4 соответствует катушка L1 (0,43 мГн) в 35АС-212 и L4 (0,55 мГн) в 35АС-012 и 35АС-1: катушке L1—L4 (0,22 мГн) в 35АС-212, L2 (0,23 мГн) в 35АС-012 и L1 в 35АС-1. Конденсатору С1 на рис. 1 соответствует конденсатор С2 (2 мкФ) в 35АС-212, С1 (2 мкФ) в 35АС-012 и С1 (1 мкФ) в 35АС-1;
конденсатору С2—С8 (1 мкФ) в 35АС-212 и 35АС-012. В разделительном фильтре 35АС-1 конденсатора, выполняющего функцию С2, нет. поэтому при доработке этой АС в цепь головки 10ГД-35 (в разрыв провода, идущего к переключателю) необходимо включить конденсатор емкостью 0,5 мкФ.
ЛИТЕРАТУРА
1. Попов П. Шоров В. Повышение качества звучания громкоговорителей.— Радио, 1983 №. 6, с. 50- -52.
2. Шоров В. Улучшение головок громкоговорителей - Радио, 1986, № 4. с. 39—41.
|