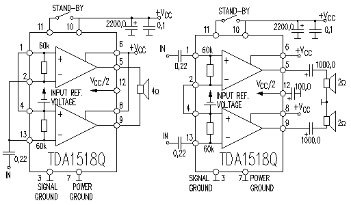
Усилитель TDA1518 2X11W

 

 

VCC MAX=18V

P0=2X11W

ICCO TYP=30mA

Rin=60K

VCC TYP=14,4V

RL=2 Ohm

ICCO MAX=-

Gain=40dB

VCC RNG=6...18V

TDH=10%

IMAX=4A

Noise=1,5mkV

 

Обсудить эту статью на форуме (0 ответов).
Вся информация, предоставленная на данном ресурсе разрешена к ознакомлению детям школьного возраста. Все практическое использование может быть связана с повышенной электрической опасностью и разрешено детям только под присмотром взрослых.