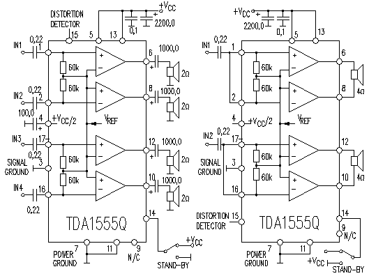
Усилитель TDA1555 4X11W

 

 

VCC MAX=18V

P0=4X11W

ICCO TYP=-

Rin=-

VCC TYP=14,4V

RL=2 Ohm

ICCO MAX=-

Gain=20dB

VCC RNG=-

TDH=10%

IMAX=4A

Noise=-

 

Обсудить эту статью на форуме (0 ответов).
Вся информация, предоставленная на данном ресурсе разрешена к ознакомлению детям школьного возраста. Все практическое использование может быть связана с повышенной электрической опасностью и разрешено детям только под присмотром взрослых.