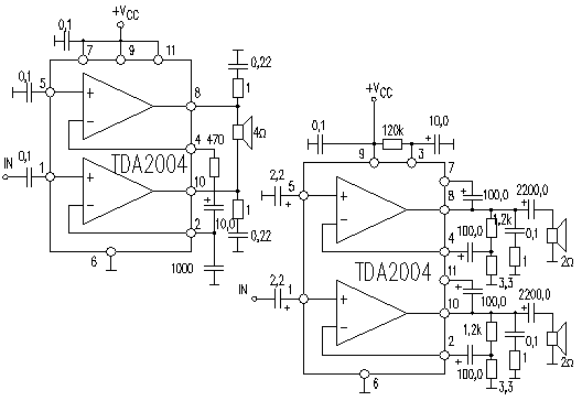
Усилитель TDA2004 2X10W

 

VCC MAX=28V

P0=2X10W

ICCO TYP=65mA

Rin=200K

VCC TYP=14,4V

RL=2 Ohm

ICCO MAX=120mA

Gain=50dB

VCC RNG=8...18V

TDH=10%

IMAX=3,5A

Noise=1,5mkV

 

Обсудить эту статью на форуме (0 ответов).
Вся информация, предоставленная на данном ресурсе разрешена к ознакомлению детям школьного возраста. Все практическое использование может быть связана с повышенной электрической опасностью и разрешено детям только под присмотром взрослых.