|
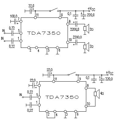
VCC MAX=28V |
P0=2X12W |
ICCO TYP=- |
Rin=50K |
|
VCC TYP=14,4V |
RL=2 Ohm |
ICCO MAX=120mA |
Gain=29dB |
|
VCC RNG=8...18V |
TDH=10% |
IMAX=4A |
Noise=1,5mkV |
|
VCC MAX=28V |
P0=2X12W |
ICCO TYP=- |
Rin=50K |
|
VCC TYP=14,4V |
RL=2 Ohm |
ICCO MAX=120mA |
Gain=29dB |
|
VCC RNG=8...18V |
TDH=10% |
IMAX=4A |
Noise=1,5mkV |
Вся информация, предоставленная на данном ресурсе разрешена к ознакомлению детям школьного возраста. Все практическое использование может быть связана с повышенной электрической опасностью и разрешено детям только под присмотром взрослых.