|
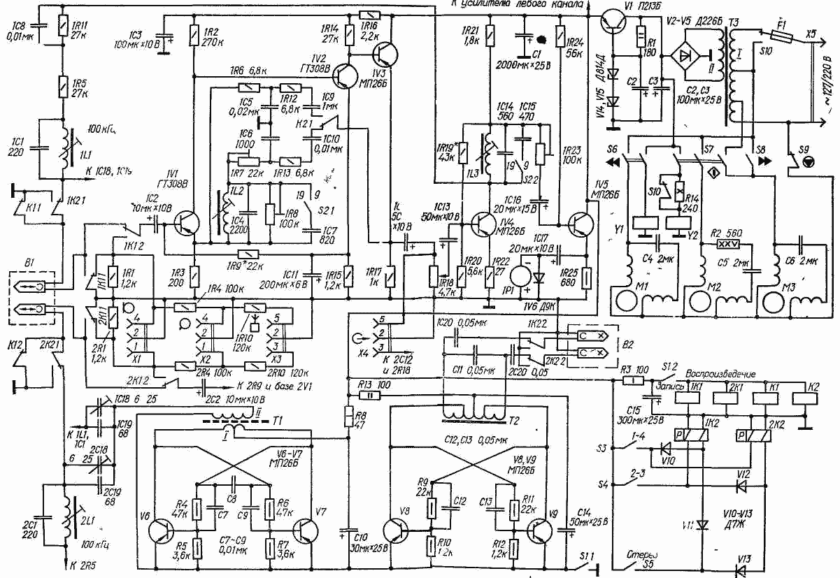
Катушечный магнитофон-приставка предназначен для записи и воспроизведения четырехдорожечных моно и стереофонических фонограмм. Особенности приставки - электрическое управление лентопротяжным механизмом, что стало возможным благодаря использованию трех электродвигателей и двух электромагнитов (одного - для управления прижимным роликом, другого - для управления тормозным устройством подающего узла), и применение раздельных генераторов для стирания и подмагничивания.
Основные параметры
| Скорость ленты, см/с |
19,05 и 9,53 |
| Рабочий диапазон частот капала записи-воспроизведения на линейном выходе, Гц, при скорости ленты, см/с: |
|
| 19,05 |
40...15 000 |
| 9,53 |
40...12 500 |
| Относительный уровень проникания из одного стереоканала в другой (при записи-воспроизведении на частоте 1000 Гц), дБ |
-35 |
| Относительный уровень помех, дБ |
-47 |
| Частота тока, кГц: |
|
| стирания |
30 |
| подмагничивания |
100 |
| Относительный уровень стирания, дБ |
-60 |
Магнитофон состоит из двух идентичных по схеме универсальных усилителей на транзисторах 1V1-1V4 (во втором канале - на схеме не показан - 2V1-2V4), двух индикаторов уровня записи - воспроизведения (1V5, 1P1, 2V5, 2Р1), генераторов тока стирания (V8, V9) и подмагничивания (V6,V7), источника питания с электронным стабилизатором напряжения (V1, V14, V15) и блока коммутации, с помощью которого управляют электрической частью и лентопротяжным механизмом магнитофона.
|
|
Уровень записи регулируют сдвоенным переменным резистором 1R18, 2R18. Перевод магнитофона из режима записи в режим воспроизведения, и наоборот, осуществляется с помощью реле 1K1, 2К1, К1 и К2, управляемых переключателем S1; выбор дорожек при монофонической записи, а также переключение магнитофона в стереофонический режим - переключателями S3-S5, управляющими через диодную матрицу (V10-V13) работой поляризованных реле 1К2, 2К2, выбор скорости ленты - переключателем S2. Переключатели S6-S9, электромагниты Y1 (прижимной ролик) и Y2 (тормоз подающего узла) служат для управления лентопротяжным механизмом.
В магнитофоне применены электродвигатели ЭДГ-6, универсальная и стирающая головки от магнитофона "Яуза-10" (можно использовать унифицированные головки от выпускаемых в настоящее время магнитофонов первого-второго классов), реле РЗС-9, паспорт РС4.524 200 (1К1, 2К1, К1, К2) и РПС-25 (1K2, 2К2). Индикаторы уровня записи и воспроизведения 1Р1,2Р1 -микроамперметры М476 или любые другие с током полного отклонения 100 - 200 мкА. Электромагнит Y1 изготовлен из реле РПТ-100 на 36 В, Y2 - покупной, от магнитофона "Комета МГ-209".
Катушки 1L1, 2L1, 1L2, 2L2, 1L3, 2L3 намотаны проводом ПЭЛШО - 0,1 и помещены в ферритовые (700НМ) броневые сердечники Б22. Первые четыре катушки содержат по 300, остальные - по 500 витков. Трансформатор Т1 выполнен в броневом сердечнике СБ-23а из карбонильного железа. Его обмотка I (2 X 25 витков) намотана проводом ПЭЛШО - 0,25, обмотка II (700 витков) проводом ПЭВ-1 -0,07. Магнитопровод трансформатора Т2 - ферритовое (1000НМ) кольцо типоразмера К20 X 12 X 6. Обмотка состоит из 150 витков провода ПЭЛШО - 0,25 с отводами от 50-, 75- и 100-го витков. Сетевой трансформатор ТЗ намотан на витом разрезном магнитопроводе типоразмера ШЛ20 X 25. Обмотка I содержит 560 + 456 + 744 витка (первые две секции - провод ПЭТ-1 - 0,27, третья - ПЭВ-1 - 0,21), обмотка II - 200 витков провода ПЭВ-2 - 0,55.
|