Сенсорный переключатель входов

Иногда при конструировании низкочастотной усилительной радиоаппаратуры применение широко распространенных переключателей типа П2К является не целесообразным. В большинстве случаев это связано с необходимостью соединения входных разъемов, находящихся на задней стенке устройства, с переключателями, расположенными на передней панели, экранированными проводами. При этом нередко суммарная длина таких проводов оказывается неоправданно большой, что снижает шумовые параметры усилителей. Решить проблему удается лишь с помощью дистанционно - управляемой коммутации.
В настоящее время разработано немало электронных переключателей, которые можно располагать в непосредственной близости от входных гнезд, а органы управления ими выводить на переднюю панель. В этом случае длина провода со слаботочным сигналом резко уменьшается . Однако, применение электронных устройств с коммутирующими транзисторами, в том числе и полевыми, вносит в звуковой сигнал интермодуляционные искажения. Полностью лишены этого недостатка устройства, где в качестве коммутирующих элементов используются электромагнитные реле.
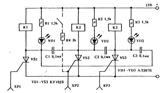
Предлагаемое вниманию любителей-конструкторов устройство отличается простотой, благодаря применению тиристоров и специальных сенсорных площадок. Сигнал коммутируется с помощью малогабаритных электромагнитных реле с двумя ларами контактов. Для использования тиристоров без их подбора по такому параметру, как "ток управления" необходимо изготовить специальные сенсорные площадки. Эти площадки должны обеспечивать диэлектрический зазор между металлической пластиной прикосновения и контактом от управляющего электрода тиристора порядка 0,5 ≈ 1 мм. При легком прикосновении к сенсорной площадке должно происходить переключение электрических контактов реле.


Устройство, принципиальная схема которого приведена на рис. 1, обеспечивает коммутацию только одного из трех тиристоров. С помощью конденсаторов С1 ≈ СЗ на анодах остальных тиристоров создается запирающий отрицательный потенциал. Схема коммутации контактов реле приведена на рис.2.

В устройстве применены конденсаторы типа МБМ, КМ6-Б, резисторы типа МЛТ. Все реле-типа РЭС-60 (паспорт РСЧ.569.438). В крайнем случае, возможно применение двух соединенных вместе реле типа РЭС-10 (паспорт РСЧ.591.006). Правда, в этом случае возрастает потребляемый устройством ток. Применение других типов реле ограничено максимально допустимым током анод-катод применяемых тиристоров (75 мА).
Собранный из исправных деталей переключатель входов налаживания не требует. Устройство легко превратить в псевдосенсорное, если применить замыкающие кнопки (например, КМ-1), подающие с шины +15 В через токоограничительный резистор R4 импульс управления на тиристоры.

Обсудить эту статью на форуме (0 ответов).
Вся информация, предоставленная на данном ресурсе разрешена к ознакомлению детям школьного возраста. Все практическое использование может быть связана с повышенной электрической опасностью и разрешено детям только под присмотром взрослых.