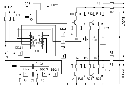
Цифровой регулятор громкости

Схема показана на   Рис 1

R1..R5 1K C1 10mkF*16V DD1 К555ИЕ7
R6..R9 22K C2 47mkF*16V DD2, DD3 К555ЛН1
R10 - R14 3.9K C3,C4 100mkF*16V DA1 КР142ЕН5А

R11 - R15 2.2K
R12 - R16 1K VT КТ3102
R13 - R17 510
R18..25 22K


1 - увеличить громкость
2 - сброс
3 - тактовый выход

Регулятор был задуман для работы с выносным проводным пультом, имеет 16 уровней громости, управляемых кнопками увеличеня громкости и сброса. DD1 - счетчик , выдает 16 разрядный двоичный код для управления Т образным делителем напряжения. DD2 используется как тактовый генератор. DD3 инвертирует сигнал от счетчика. Регулирующий элемент выполнен на резисторах R6/R7, R8/R9 и транзисторных ключах, которые подключая определенные сопротивления на общий провод образовывали Т образный делитель напряжения

Схема печатного монтажа показана на   Рис 2
Обсудить эту статью на форуме (0 ответов).
Вся информация, предоставленная на данном ресурсе разрешена к ознакомлению детям школьного возраста. Все практическое использование может быть связана с повышенной электрической опасностью и разрешено детям только под присмотром взрослых.