Предлагаемый вниманию радиолюбителей усилитель 3Ч имеет очень
низкие коэффициенты гармонических и интермодуляционных искажений, он
сравнительно прост, способен выдерживать кратковременное короткое замыкание
в нагрузке, не требует выносных элементов термостабилизации тока транзисторов
выходного каскада.
Основные технические характеристики
Максимальная мощность на нагрузке сопротивлением
4 0м, Вт... 80
Номинальный диапазон частот, Гц.... 20...20 000
Коэффициент гармоник при максимальной выходной мощности 80
Вт, %, на частоте:
1 кГц... 0,002
20 кГц... 0,004
Коэффициент интермодуляционных искажений, %... 0,0015
Максимальная частота, на которой максимальная мощность снижается
на 1 дБ, кГц... 50
Скорость нарастания выходного напряжения (без конденсатора С2), В/мкс...
40
Принципиальная схема усилителя показана на рис. 1.
Изменения коснулись выходного каскада. Для увеличения его входного сопротивления
в усилитель 3Ч введены транзисторы VT1, VT2. Это облегчило работу ОУ
DA1 и позволило обеспечить стабильное напряжение база-эмиттер транзисторов
VT3, VT4 при изменении температуры. Кроме того, усилитель дополнен каскадом
на транзисторах VT5, VT6, которые совместно с датчиками тока R33, R34
и выходными каскадами на транзисторах VT7—VT10 в режиме покоя образуют
соответственно два генератора тока, что исключает отсечку эмиттерного
тока транзисторов оконечного каскада и снижает коммутационные искажения.
Последнее же, как известно, благоприятно сказывается на спектре гармоник.
Помимо указанных изменений в каждое плечо выходного каскада введена
более глубокая местная ООС за счет увеличения сопротивления резисторов
в эмиттерных цепях транзисторов VT3, VT4, что сделало выходной
каскад более линейным. Так как резисторы R20, R21 подключены к датчикам
тока R33, R34, то получается достаточно жесткая термостабилизация тока
покоя транизисторов оконечного каскада (при колебаниях температуры
теплоотводов выходных транзисторов от 20 до 90 °С ток покоя изменяется
в пределах 150... 180 мА). Наличие датчиков тока R33, R34, глубокой
ООС по постоянному току и токоограничительных резисторов в базовых цепях
транзисторов VT9, VT10 приводит к ограничению их коллекторных токов
до приемлемого значения при коротких замыканиях в нагрузке.
Резистором R14 устанавливается симметрия плеч выходного каскада. Других
изменений в усилитель не вносилось.
Нелинейные искажения измерялись осциллографом С1-68 с использованием
генератора сигналов 3Ч ГЗ-118 (Кг— около 0,002 %) и прецизионного двойного
Т-моста, входящего в комплект генератора. Измерения проводились по методике,
изложенной в статье Ю. Митрофанова «Экономичный режим А в усилителе
мощности» (см. «Радио», 1986, № 5, с. 40—43).
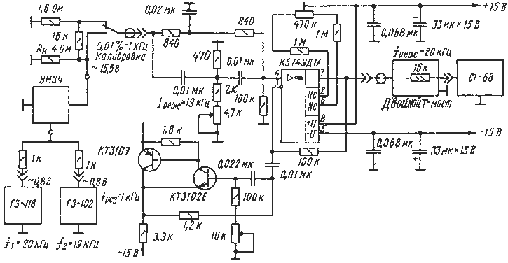
Коэффициент интермодуляционных искажений измерялся по рекомендациям,
которые даются в статье В. Костина «Психоакустические
критерии качества звучания и выбор параметров УМЗЧ» (см. «Радио», 1987,
№ 12, с. 40— 43), с использованием измерительной установки, показанной
на рис. 2.
Там же изображена полная измерительная схема.
При испытании усилителя импульсным сигналом выбросов на выходном напряжении
не наблюдалось.
Г.Брагин