Простой автострож с GSM оповищением

/https://vpn.radio-portal.su/cache/avtostorog_images_stories_pictures_thumb_medium600_0.jpg

/images/stories/pictures/avtostorog.jpg

 

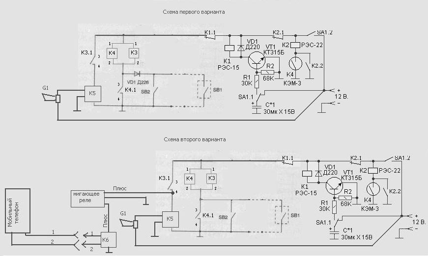
Первый вариант автосторожа. Здесь деталей нужно по больше.У сторожевого устройства, собранного на одном транзисторе. На транзисторе VT1 собрано реле времени, обеспечивающее задержку включения “сторожа”. Она дает возможность выйти из автомобиля после включения охранного устройства. Длительность задержки в пределах 10 – 20 с устанавливают подбором емкости конденсатора С1.

Реле К1 и геркон К2 служат ключом к “сторожу”. Геркон прячут под какой-нибудь пластмассовой (немагнитной) деталью внешней облицовки кузова автомобиля в месте, известном только водителю.
Прежде чем выйти из автомобиля, водитель переводит переключатель SA1 в противоположное по схеме положение, и устройство подсоединяется к источнику питания. Конденсатор С1 начинает разряжаться через резистор R3 и переход “база — эмиттер” транзистора VT1, и открывается. Срабатывает реле К1 и своими контактными пластинами К1.1 разрывает цепь питания сигнализации. В это время водитель выходит из автомобиля, закрывает дверцу. Состояние датчиков пока не влияет на работу “сторожа”.
Через 6—12 с напряжение на С1 снижается до уровня, при котором полупроводниковый триод VT1 закрывается. Цепь питания сигнализации восстанавливается, “сторож” переходит в режим охраны. Поскольку потребление тока от источника питания очень мало, электронное устройство может длительно работать не только от аккумулятора автомобиля, но и от трех последовательно соединенных батарей 3336Л.
Если теперь открыть, например, дверь, замкнется концевой выключатель, установленный в дверном проеме. Реле К1 своей контактной системой заблокирует цепь датчика и включит сигнал тревоги. Если после этого дверь закрыть, сигнал тревоги не прекратится. Отключить его можно только переключателем SA1.2
Чтобы войти в машину, не нарушая покоя окружающих, сигнализацию на время отключают. Незаметно для окружающих подносят небольшой постоянный магнит, замаскированный под какой-нибудь предмет (конфету, спичечный коробок), к месту, где спрятан геркон. Под действием магнитного поля его контактные пластины замкнутся. Сработает реле К2, разрывая цепь питания “сторожа” за счет нарушения контакта К2.1 и самоблокируясь путем замыкания контакта К2.2. Теперь водитель может спокойно сесть в машину и окончательно отключить сигнализацию переключателем SA1.
В электронном охранном устройстве в первом каскаде можно также применить транзисторы КТ501Б (В, Д, Е, И, М, а во втором — КТ503Б (Г). В качестве VD1 и VD2 допустимо также использовать диоды Д7, Д226 с любым буквенным индексом. Резисторы МЛТ-0,25 или МЛТ-0,5. Конденсатор — К50-3, К50-6. В устройстве применены реле РЭС-15 (паспорт PC4.591.003) и РЭС-22 (паспорт РФ4.500.129]. Последние можно заменить на РЭС-6 или РЭС-9 с напряжением срабатывания 12 В. Геркон — любого типа (КЭМ-3, КЭМ-1, КЭМ-2А). Переключатель — П2К.
Есть второй вариант с GSM оповещением. Для этого надо найти какую нибудь старую мобилу, я нашел SAMSUNG X100 и припаял две проводки на кнопке для вызова. Потом надо найти реле, который может заставит мигать и звонить, я взял этот реле от МТЗ 80.2 с помощью которого мигает индикатор ручника. Этот реле надо правильно соединить, если правильно не соединишь то он не будет работать. если хочешь сделать этот вариант, то настроишь :). Остальное смотри на схеме:
Источником этого автосторожа я взял на этом сайте и немного изменил.

Обсудить эту статью на форуме (0 ответов).
Вся информация, предоставленная на данном ресурсе разрешена к ознакомлению детям школьного возраста. Все практическое использование может быть связана с повышенной электрической опасностью и разрешено детям только под присмотром взрослых.