Индикатор М1.5.4 для автомобиля

1. Описание

«Индикатор М1.5.4» предназначен для отображения в режиме реального времени значений внутренних переменных и кодов неисправностей системы управления двигателем с распределенным впрыском топлива и контроллером Bosch M1.5.4. «Индикатор М1.5.4» имеет два режима работы: режим отображения значения внутренней переменной, выбранной пользователем и режим отображения кодов неисправностей. После включения «Индикатор М1.5.4» автоматически переходим в режим отображения значений внутренних переменных и показывает значение той переменной, которая отображалась до выключения «Индикатора М1.5.4». «Индикатор М1.5.4» отображает в режиме реального времени одну из следующих переменных:

Положение дроссельной заслонки (в процентах);
Температура охлаждающей жидкости (в градусах);
Обороты двигателя (в числе оборотов в минуту);
Желаемые обороты холостого хода (в числе оборотов в минуту);
Угол опережения зажигания (в градусах);
Скорость автомобиля (в километрах в час);
Текущее положение регулятора холостого хода (в числе шагов);
Желаемое положение регулятора холостого хода (в числе шагов);
Напряжение бортовой сети (в вольтах);
Длительность импульса впрыска (в миллисекундах);
Массовый расход воздуха (в килограммах в час);
Часовой расход топлива (в литрах в час);
Путевой расход топлива (в литрах на 100 километров).
Путевой расход топлива выводится только при движении автомобиля;
Признак обнаружения детонации (да/нет);
Признак блокировки топливоподачи (да/нет);
Признак холостого хода (да/нет);
Признак мощностного обогащения (да/нет).
Перебор отображаемых параметров осуществляется кнопками «Влево» и «Вправо». Для перехода в режим отображения кодов неисправностей необходимо нажать и отпустить кнопку «Ввод». При этом «Индикатор М1.5.4» считает из блока управления коды неисправностей и отобразит на дисплее их число. Если коды неисправностей обнаружены, то их можно пролистать кнопками «Влево» и «Вправо». Выход из режима просмотра кодов неисправностей в режим отображения значений внутренних переменных происходит при повторном нажатии кнопки «Ввод».

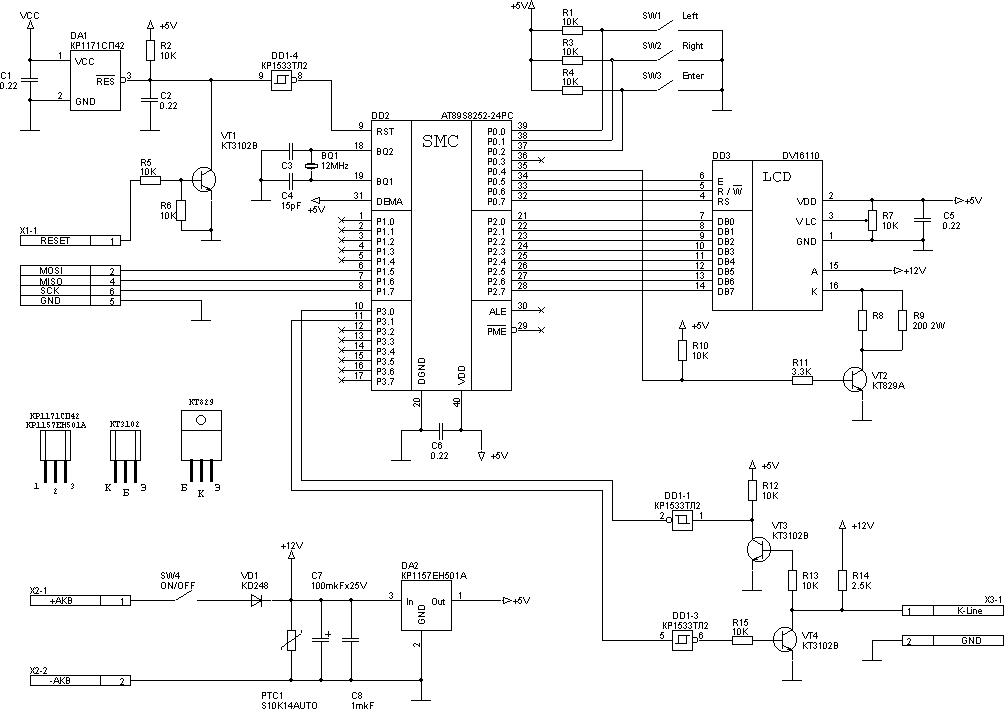
2. Информация по подключению

Если Ваш автомобиль не оборудован иммобилайзером, то связь информационной линии диагностического интерфейса (K-Line) блока управления и контакта «М» колодки диагностики, к которому подключается контакт 1 разъема X3 «Индикатора М1.5.4», разорвана. Для исправления этой ситуации необходимо поставить перемычку между выводами 9 и 18 колодки для подключения иммобилайзера. Если Вам уже делали диагностику в автосервисе, то, скорее всего, данная перемычка уже установлена. Питание (+АКБ) на «Индикатор М1.5.4» рекомендуется подавать с контакта 87 главного реле системы впрыска. При этом «Индикатор М1.5.4» будет автоматически включаться при включении зажигания и выключаться при выключении зажигания.

3. Важное замечание

После включения зажигания контроллер Bosch M1.5.4 пытается установить связь с иммобилайзером. Если Ваш автомобиль не оборудован имобилайзером, то сигналы к иммобилайзеру попадут на вход «Индикатора М1.5.4». Если в момент установки связи контроллера двигателя с иммобилайзером «Индикатор М1.5.4» подключен к диагности-ческой линии и работает на передачу, то двигатель может заглохнуть. Для исключения этой ситуации «Индикатор М1.5.4» после включения делает паузу 3 секунды до первой попытки подключиться к контроллеру двигателя. К автомобилям, оборудованным иммобилайзером, все вышесказанное не относится. В файле prog.zip находятся исходники модулей управляющей программы на языках ASSM и C для компилятора FSI.

Автор проекта: Александр Алехин (E-mail: Адрес электронной почты защищен от спам-ботов. Для просмотра адреса в браузере должен быть включен Javascript.)

Прошу всех сделавших данное изделие отозваться — во-первых, я, наверно, буду модернизировать прибор и смогу выслать обновленную программу, во-вторых, хотелось бы услышать мнение пользователей, их замечания и предложения.

Обсудить эту статью на форуме (0 ответов).
Вся информация, предоставленная на данном ресурсе разрешена к ознакомлению детям школьного возраста. Все практическое использование может быть связана с повышенной электрической опасностью и разрешено детям только под присмотром взрослых.