Адаптер K-Line

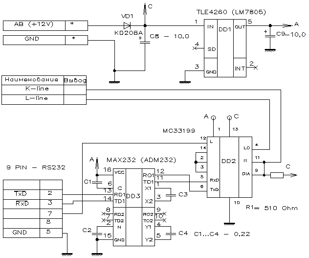
Для работы компьютерных программ диагностики необходимо собрать небольшую схему интерфейса K-Line. Вариантов такой схемы несколько. Для исключения вероятности плохой связи с блоком управления нами была собрана схема с использованием специализированной микросхемы MC33199D.
В схеме интерфейса была использована микросхема стабилизатора +5V 78L05.
Принципиальная схема адаптера предсатавлена на рис.1

Рис.1
Рис.1

Конструктивно адаптер размещен в корпусе разъема, к которому могут подключаться различные кабели, необходимые для диагностики конкретной марки автомобиля и использующие различные варианты питания. Такая конструкция позволяет в дальнейшем дополнять комплект диагностических кабелей.




Этот вариант адаптера k-line отличается от предыдущего (26.Адаптер k-line) тем, что может быть установлен в автомобиле и позволяет подключать к нему не только персональный компьютер или ноутбук (для подключения используется стандартный линковочный кабель или переходник DB9F-DB9F, с распайкой один-в-один, изменив положение джамперов на плате адаптера), но и Palm. Никакой переделки последнего для этого не требуется. В отличии от предыдущего варианта, на плате дополнительно установлен светодиод индикации питания.

Принципиальная схема адаптера предсатавлена на рис.2
Принципиальная схема адаптера предсатавлена на рис.2
Обсудить эту статью на форуме (0 ответов).
Вся информация, предоставленная на данном ресурсе разрешена к ознакомлению детям школьного возраста. Все практическое использование может быть связана с повышенной электрической опасностью и разрешено детям только под присмотром взрослых.