Прибор для пчеловодов Пчелка-1

 

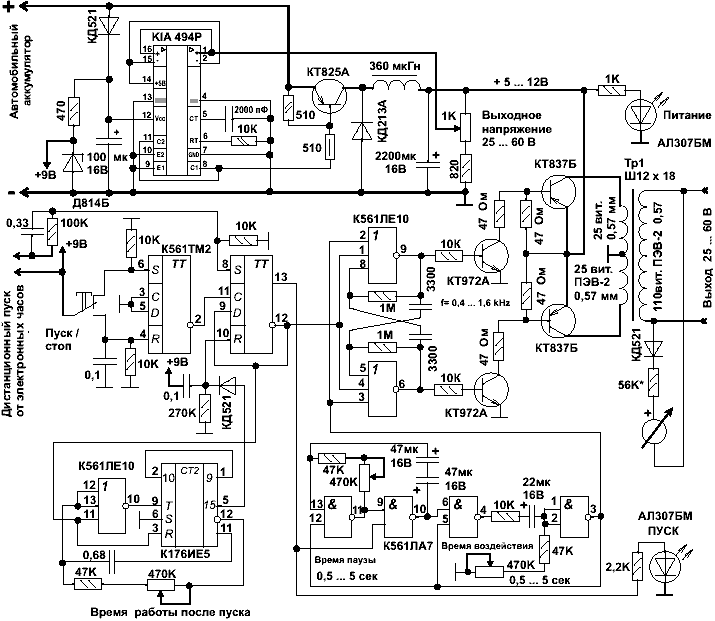
Суть метода такова: вместо обычных рамок в ульи устанавливаются специальные рамки, у которых на месте вощины располагается пластина из оконного стекла. По боковым сторонам деревянной рамки, на расстоянии 4 мм, не до конца набиваются маленькие гвозди, на которые закрепляют тонкую нихромовую проволоку. Монтаж ведётся в два провода, каждый из которых закрепляется на своих гвоздиках, чтобы рамка заполнилась параллельно натянутыми проводниками. Между двумя соседними проводниками не должно быть электрической цепи. На расстоянии 3 мм. от проводников закрепляется стеклянная пластина. От каждой рамки отходят два проводника, которые соединяют с проводниками соседней рамки и с выходом прибора для импульсного воздействия. Воздействие на пчёл производят рано утром, примерно в 4 часа утра и продолжают в течении одного часа. Пчёлы получают электрический удар напряжением примерно 60 В и частотой около 1 кГц, который длится около 1 сек, а затем следует пауза около 5 сек. Эти неутомимые труженики начинают жалить стекло и выпускают на него пчелиный яд, который быстро высыхает на стекле. Днём рамки вынимаются, снимается стеклянная пластина и лезвием бритвы соскабливается порошкообразный налёт, который собирается в специальную ёмкость. Ввиду очень большой токсичности яда, делают это чрезвычайно осторожно и защищая органы дыхания. Так как пасеки, обычно, располагаются далеко от жилья, питание электронного прибора осуществляют от автомобильного аккумулятора.

Обсудить эту статью на форуме (0 ответов).
Вся информация, предоставленная на данном ресурсе разрешена к ознакомлению детям школьного возраста. Все практическое использование может быть связана с повышенной электрической опасностью и разрешено детям только под присмотром взрослых.