Микросхема К1182ПМ1 (старое название КР1182ПМ1) является новым решением проблемы регулировки мощности в классе высоковольтных мощных электронных схем.
ОСОБЕННОСТИ
• Защита лампочки от перегорания при включении
• Регулировка яркости свечения лампы накаливания
• Плавное включение и выключение лампы накали-
вания
• Последовательное включение с нагрузкой
• Ограничение выдаваемой на нагрузку мощности при
достижении предельно допустимой мощности рассеива-
ния ИС.
• Низковольтные и маломощные внешние элементы
управления
• Температурный диапазон от минус 40° до +70°С
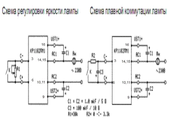
Схемы регулировки яркости и плавного включения ламп до 150 Вт (ограничение в 150 Вт связано, в первую очередь, с возможным включением прибора в сеть штепсельной вилкой в положении регулировочного резистора “полная яркость” на холодную спираль лампы, что вызовет протекание импульсного тока через ИС около 10 А)
1. Вариант управления двумя тиристорами.
Вариант управления симистором.
Картинка печатной платы. Для импортного симистора BTA208, в отличии от ТС106 управляющий электрод с другой стороны.