Прошло более года после нашей публикации о "Люстре Чижевского", однако до сих пор в редакцию приходят читательские письма с новыми вариантами ее блока питания. Рассказ об одном из них - в предлагаемой статье.
Большинство устройств, предназначенных для получения высокого напряжения, питающего "Люстру Чижевского", можно подразделить на транзисторные инверторы напряжения и тринисторные (а иногда тиристорные, поскольку в них используются разновидности этой группы: динисторы, тринисторы, симисторы) импульсные преобразователи.
Недостатком первых является необходимость понижения и выпрямления сетевого напряжения, что увеличивает как стоимость, так и габариты устройства. Тринисторные же устройства [1 - 3] сравнительно просты, что и является основным аргументом в их пользу.
Как правило, работают тринисторные устройства по принципу однополупериодного разрядника (рис.1):
в течение одной полуволны сетевого напряжения накопительный конденсатор С1 заряжается, а во время другой - разряжается на обмотку повышающего трансформатора Т1 через тринистор VS1, который включается системой управления (СУ). Отличия порою сводятся лишь к способу управления тринистором.
Основной недостаток подобных конструкций, по мнению автора, заключается в пониженной частоте питания умножителя напряжения, что может привести к увеличению пульсации на выходе блока и уменьшению эффективности работы "люстры" [4]. Кроме того, иногда можно наблюдать повышенный уровень шума трансформатора, являющийся следствием большой амплитуды токовых импульсов.
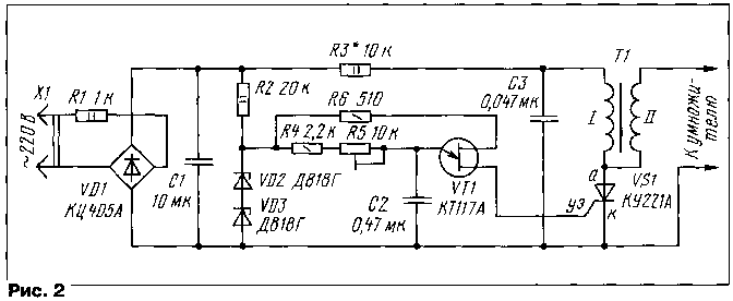
Всего этого автору удалось избежать, разработав блок питания, схема которого (без высоковольтного умножителя) приведена на рис.2.
Рассмотрим его работу. Сетевое напряжение выпрямляется диодным мостом VD1. Пульсации выпрямленного напряжения сглаживает конденсатор С1, ток зарядки конденсатора в момент включения устройства в сеть ограничивает резистор R1. Через резистор R3 заряжается конденсатор С3. Одновременно вступает в действие генератор импульсов, выполненный на однопереходном транзисторе VT1. Его "спусковой" конденсатор заряжается через резисторы R4, R5 от параметрического стабилизатора, выполненного на балластном резисторе R2 и стабилитронах VD2, VD3.
Как только напряжение на конденсаторе С2 достигает определенного значения, "срабатывает" транзистор и на управляющий переход тринистора поступает открывающий импульс (рис. 3,б). Конденсатор С3 разряжается через тринистор на первичную обмотку трансформатора (рис. 3,а). На его вторичной обмотке формируется импульс высокого напряжения (рис. 3,в). Частота следования этих импульсов определяется частотой генератора, которая, в свою очередь, зависит от параметров цепочки R4R5C2.
Подстроечным резистором R5 можно изменять выходное напряжение блока примерно в 1,5 раза. При этом частота импульсов регулируется в пределах 250...1000 Гц. Кроме того, выходное напряжение изменяется при подборе резистора R3 (в пределах от 5 до 30 кОм). Пульсации выходного напряжения не превышают 5 %, сетевые помехи практически отсутствуют.
Конденсаторы желательно применять бумажные (С1 и С3 - на номинальное напряжение не менее 400 В; на такое же напряжение должен быть рассчитан диодный мост). Вместо указанного на схеме подойдет тринистор Т10-50 или в крайнем случае КУ202Н. Стабилитроны VD2, VD3 - любые другие, с суммарным напряжением стабилизации примерно 18 В. Высоковольтный умножитель можно заимствовать из [1-3]. Трансформатор изготовлен на базе строчного ТВС-110П2 от черно-белых телевизоров, но в принципе подойдут и другие [5]. Все первичные обмотки нужно удалить и намотать на освободившееся место 70 витков провода ПЭЛ или ПЭВ диаметром 0,5...0,8 мм. Повышающую обмотку (II) трогать не следует.
ЛИТЕРАТУРА
1. Иванов Б. "Люстра Чижевского" - своими руками. - Радио, 1997, N 1, с. 36, 37.
2. Бирюков С. "Люстра Чижевского" - своими руками. - Радио, 1997, N 2, с. 34,35.
3. Утин В. Варианты блока питания "Люстры Чижевского". - Радио, 1997, N 10,с.42,43.
4. Чижевский А. Л. Аэроионификация в народном хозяйстве. - М.: Госпланиздат, 1960.
5. Иванов Б. "Люстра Чижевского": вопросы и ответы. - Радио, 1997, N 6, с. 33.
Т. ГЛУХЕНЬКИЙ, г. Чебоксары, Чувашия