Двухтональная сирена

В качестве источника мощного звукового сигнала в современных охранных системах используют, как правило, довольно дорогие пьезосирены. Но мощный звуковой излучатель можно построить и из общедоступных элементов.

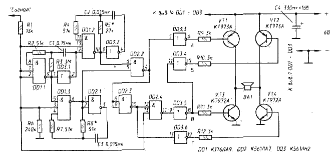
Принципиальная схема двухтональной сирены приведена на рис. 86. Акустический излучатель ВА1 - низкоомная (Rн=4...8 Ом), достаточно мощная (4...5 Вт) динамическая головка, - включен в диагональ моста, образованного транзисторами VT1... VT4. Два тональных RC-генератора (DD1.2, DD3.2 и DD1.3, DD2.1) и один коммутирующий (DD1.1, DD3.1) формируют сигнал тревожного звучания. При таких номиналах во времязадающих RC-цепочках частоты тональных генераторов будут близки, соответственно, к 1 кГц и 500 Гц, а их смена будет происходить с частотой около 2 Гц.

Другие элементы микросхем DD2 и DD3 входят в блок управления транзисторами. Если на вход «Сигнал» подано напряжение низкого уровня (~0 В), то все транзисторы переходят в закрытое состояние,

Рис. 86. Двухтональная «сирена»
Рис. 86. Двухтональная «сирена»

а генераторы выключаются; если высокое (близкое к +Uпит - напряжению питания сирены), то включается коммутирующий генератор и, в зависимости от его фазы, один из тональных. И на выходе элемента DD2.2 возникает меандр той или иной частоты.

В этом режиме транзисторы VT1...VT4 открываются попеременно парами - либо VT1 и VT4, либо VT2 и VT3. Поскольку работают они в ключевом режиме, то амплитуда напряжения на нагрузке ВА1 будет близка к Uпит-2Uкэ нас, где Uкэ нас - напряжение насыщения транзистора (в транзисторах КТ972 и КТ973 Uкэ нас@1В).

Частоты тональных генераторов могут быть, конечно, и другими: изменяя номиналы R5, С2 и R8, СЗ, можно «двигать» их в очень широких пределах. Один из тональных генераторов целесообразно выставить на частоту механического резонанса акустической системы (а при двухпиковом ее резонансе - и оба). Варьируя величины R3 и С1, можно изменить и темп смены тональных посылок.

Ток, потребляемый «сиреной» в режиме молчания, Iпотр.деж <2 мкА. В режиме тревожной сигнализации он зависит от напряжения питания и сопротивления нагрузки: Iпотр.тр =(Uпит -2Uкэ нас)/Rн , где Iпотр.тр - в амперах, Uпит - в вольтах, Rн - омах.

Напряжение питания «сирены» может быть и выше указанного, но не выше допустимого для микросхем (для микросхем серии К561 Uпит max=15 В). В таких случаях транзисторы рекомендуется ставить -на хорошие теплоотводы и использовать динамические головки с Rні8 Ом.

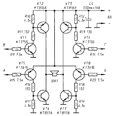
Рис. 87. Выходной каскад «сирены» (вариант)

Если такие или подобяые им транзисторы (образующие мощные комплементарные пары и имеющие коэффициент усиления по току h21э>750) приобрести не удается, то блок транзисторных ключей можно выполнить так, как показано на рис. 87. Транзисторы серий КТ315 (VT1, VT4) и КТ361 (VT5, VT8) могут быть с буквенными индексами Б, Г, Е.

Динамическую головку, источник питания (например, аккумулятор 10НКН-3,5 или герметичный кислотный), электронную часть сирены рекомендуется разместить компактно, чтобы свести к минимуму потери в соединительных проводах (при растянутых коммуникациях их сопротивление может быть сопоставимым с Rн). К тому же помещенная в прочный металлический футляр, укрепленный в труднодоступном месте, такая сирена окажется и «криминальноупорной».

Обсудить эту статью на форуме (0 ответов).
Вся информация, предоставленная на данном ресурсе разрешена к ознакомлению детям школьного возраста. Все практическое использование может быть связана с повышенной электрической опасностью и разрешено детям только под присмотром взрослых.