Металлоискатель на транзисторах

Металлоискатель на транзисторах

Принцип работы металлоискателя сводится к тому, что при приближении металлического предмета к катушке индуктивности генератора- основного узла прибора- частота генератора изменяется. Чем ближе предмет и чем он больше, тем сильнее его влияние на частоту генератора.
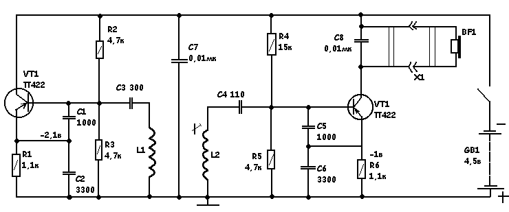
А теперь рассмотрим конструкцию металлоискатемя собранного на двух транзисторах. Генератор выполнен на транзисторе VT1 по схеме емкостей трехточки. Генерация образуется из-за положительной обратной связи между эмиттерной и базовой цепями транзистора. Частота генератора зависит от емкости конденсаторов С1-С3 и индуктивности катушки L1. При приближении катушки к металлическому предмету индуктивность ее изменяется- увеличивается, если металл ферромагнитный, например железо, и уменьшается, если металл цветной- медь, латунь.
Но как проследить за изменением частоты? Для этого служит приемник, собранный на втором транзисторе. Это тоже генератор, собранный, как и первый, по схеме емкостной трехточки. Частота его зависит от емкости конденсаторов С4-С6 и индуктивности катушки L2 и не намного отличается от частоты первого генератора. Нужную разность частот подбирают подстроечником катушки. Кроме того, каскад на транзисторе VT2 совмещает в себе и функцию детектора, выделяющего колебания низкой частоты поступающих на базу транзистора высокочастотных колебаний. Нагрузкой детектора являются головные телефоны BF1; конденсатор С1 шунтирует нагрузку для колебаний высокой частоты.
Колебательный контур приемника индуктивно связан с контуром генератора, поэтому в коллекторной цепи транзистора VT2 протекают токи частотой обоих генераторов, а также ток разностной частоты, иначе говоря, частоты биения. Если, к примеру, частота основного генератора 460 кГц, а частота генератора приемника 459 кГц, то разностная составит 1кГц, т. е. 1000Гц. Этот сигнал и слышен в телефонах. Но стоит приблизить поисковую катушку L1 к металлу, как частота звука в телефонах изменится- в зависимости от вида металла она или понизится, или станет выше.

Вместо указанных на схеме подойдут П401, П402 и другие высокочастотные транзисторы. Головные телефоны- высокоомные ТОН-1 или ТОН-2, но их капсюли нужно включать параллельно, чтобы общее сопротивление составило 800...1200 Ом. Громкость звука в этом случае будет несколько выше. Резисторы- МЛТ-0,25, конденсаторы- КЛС-1 или БМ-2.
Катушка L1 представляет собой прямоугольную рамку размерами 175х230 мм, состоящую из 32 витков провода ПЭВ-2 0.35 (подойдет провод ПЭЛШО 0.37). Конструкция катушки L2 показана на рисунке. В двух бумажных цилиндрических каркасах 6 размещены отрезки стержня диаметром 7 мм из феррита 400НН или 600НН: один (1) длинной 20...22мм, закрепленный постоянно, другой (2)-35...40мм (подвижный- для подстройки катушки). Каркасы обернуты бумажной лентой 3, поверх которой намотана катушка L2 (5)-55 витков провода ПЭЛШО (можно ПЭВ-1 или ПЭВ-2) диаметром 0,2мм. Выводы катушки закреплены резиновыми колечками 4.
Источники питания- батарея 3336, ваключатель SA1- тумблер, разъем Х1- двухгнездая колодка.
Транзисторы, конденсаторы и резисторы смонтированы на плате (рис.) из изоляционного материала. Плату соединяют с катушками, батареей питания, выключателем и разъемом, многожильным проводом в изоляции. Плату и остальные детали размещают в фанерном клееном футляре размерами 40х200х350 мм. Катушку L1 прикрепляют ко дну футляра, а внутри катушки на расстоянии 5...7 мм от ее витков размещают катушку L2. Рядом с этой катушкой крепят плату. Разъем и выключатель прикрепляют снаружи к боковой стенке футляра. Сверху к футляру крепят (желательно на клею) деревянну ручку примерно метровой длинны.

Налаживание металлоискателя начинают с измерения режимов работы транзисторов. Включив питание, измерябт напряжение на эмиттере первого транзистора (относительно общего провода- плюса питания)- оно должно бать 2,1в. Точнее это напряжение можно подобрать резистором R2. Затем измеряют напряжение на эмиттере второго транзистора - оно должно быть 1 в (устанавливают точнее подбором резистора R4). После этого медленным перемещением подстроечного сердечника катушки L2 добиваются появления в головных телефонах громкого чистого звука низкой частоты.

Приближая к поисковой катушке консервную банку, фиксируют начало изменения тона звучания. Как правило, это происходит на расстоянии 30...40 см. Более точной подстройкой частоты второго генератора добиваются наибольшей чувствительности прибора.

Обсудить эту статью на форуме (0 ответов).
Вся информация, предоставленная на данном ресурсе разрешена к ознакомлению детям школьного возраста. Все практическое использование может быть связана с повышенной электрической опасностью и разрешено детям только под присмотром взрослых.