Металлоискатель повышенной чувствительности

Это электронное устройство, предназначенное для обнаружения металлических предметов под покровом снега, грунта, камня, в куче мусора.
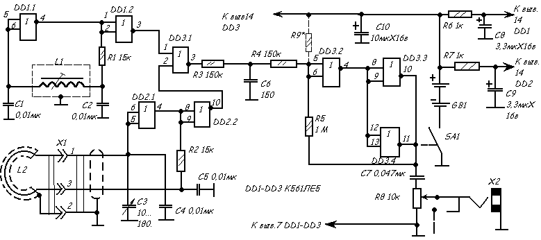
Принцип работы металлоискателя основан на сравнении частот двух генераторов, один из которых образцовый, а второй измерительный- изменяет частоту своих колебаний при приближении к металлическим предметам. Устройство может "различать" цветный и черные металлы. В нем три микросхемы. Тем не менее он прост в изготовлении и налаживании.

Образцовый генератор собран на элементе DD1.1, а измерительный - на элементах DD2.1 и DD2.2. Частота колебаний образцоваго генератора, определяемая данными его контурной катушки L1 и конденсаторов С1 и С2, около 100кГц. Частота измерительного генератора, колебательный контур которого образуют выносная катушка L2 и конденсаторы С3-С5, близка к частоте образцового генератора; ее плавно изменяют конденсатором переменной емкости С3 в пределах+- 1 кГц. Элемент DD1.2 выполняет функцию каскада, служащего для развязки между генераторами по переменному напряжению.
Микросхемы DD1 и DD2 металлоискателя питаются от источника постоянного тока GB1 через развязывающие фильтры R6C8 и R7C9.
Элемент DD3.1- смеситель сигналов генераторов. На его выходе формируются колебания с суммарными и разностными частотами генераторов и их гармоник. Для выделения сигналов разностной, т.е звуковой частоты предназначен фильтр низких частот (НЧ) R3C6. Такое схематическое построение металлоискателя позволяет получить биения генераторов частотой в несколько герц. Чтобы обеспечить прослушивание сигналов столь низких частот на головные телефоны, использовано преобразование синусоидального, а точнее- треугольного сигнала в короткие импульсы с удвоенной частотой следования. Достигается это с помощью компаратора напряжения, собранного на элементах DD3.2- DD3.4. За один период частоты биения компаратора дважды переключается из одного логического состояния в другое. Формируемые им прямоугольные импульсы дифференцируются цепью C7R8, поэтому на телефон, подключенный к разъему Х2, поступают короткие импульсы напряжения и громкость звукового сигнала слабее зависит от его частоты. В телефоне, который может быть как высокоомным, так и низкоомным, слышатся "шелчки". Громкость их регулируют переменным резистором R8 (совмещен с выключателем SA1).

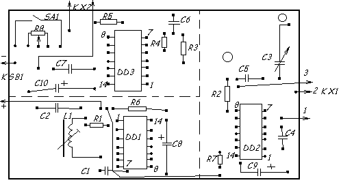
Все детали, кроме разъемов и, конечно, контурной катушки измерительного генератора, размещают на печатной плате из двухстороннего фольгированного материала (рисунок). Монтаж односторонний- со стороны печатных проводников. Фольга другой стороны, которую по краям платы соединяют с общим проводом питания, выполняет роль экрана.
Монтажную плату и источник питания лучше разместить в металлическом корпусе подходящих размеров, например, спаянном из пластин фольгированного тексталита. Если корпусом будет служить пластмассовая коробка, то по краям платы, а так же в местах, обозначенных на рис. штриховыми линиями, надо вертикально припаять полоски фольги шириной 7...10 мм.
Микросхемы К561ЛЕ5 можно заменить на К176ЛЕ5, К176ЛА7, К561ЛА7. Конденсатор С3- КП-180 или другой, с максимальной емкостью 180...240 пФ; С8-С10- оксидные К50-6 или серии К52, К53, остальные- КМ, КЛС. Резистор R8 -СП3-3в, остальные- ВС, МЛТ. Разъемы Х1 и Х2 любые малогаборитные.

Для повышения термостабильности конденсаторы С1, С2, С4, и С5 надо использовать с ТКЕ не хуже М1500.
Катушка L1, содержащая 300 витков провода ПЭВ-2 0,08, намотана на каркасе контура ПЧ радиоприемника "Альпинист-407".
Выносную катушку измерительного генератора рис. выполняют в такой последовательности. На оправке диаметром 240...250мм наматывают 30 витков провода ПЭВ-2 0,6, а получившийся жгут скрепляют в 10-12 местах тонкой прочной ниткой. Затем, нагревая катушку над пламенем газовой плиты до температуры 50...60 градусов С, пропитывают заранее приготовленной эпоксидной смолой. После отвержения смолы катушку обматывают лакотканью или (в крайнем случае) изоляционной лентой ПХВ. Далее катушку экранируют- обматывают тонкой луженой фольгой с таким расчетом, чтобы в передней части образовался небольшой, длинной 5...10мм, незамкнутый участок экрана катушки. Можно, конечно, использовать и аллюминивую фольгу. Готовую выносную катушку и ее экран соединяют (через разъем Х1) с конструкцией металлоискателя двужильным экранированным проводом длинной 120...150см.

Налаживание металлоискателя начинают с настройки образцового генератора и проверки работоспособности компаратора напряжения. Для этого ротор конденсатора С3 устанавливают в положение средней емкости и подстроечником катушки L1 изменяют частоту оброзцового генератора до появления в телефоне звукового сигнала. Затем этим же подстроечником добиваются "нулевых биений"- "щелчков" в телефоне, следующих с частотой в несколько герц.
Бывает, что достигнуть этого не удается. Причиной тому могут быть неполадки в компараторе. В таком случае надо проверить работоспособность остальной части устройства- к выходу элемента DD3.1 подключить высокоомный телефон (например ТОН-2) и тем же подстроечником катушки L1 добиться звукового сигнала. В противном случае придется искать ошибку в монтаже генераторов или неисправные детали.
Настройка компаратора заключается в подборе резистора R9, показанного на рисунке 1 штриховыми линиями. Его сопротивление может быть в пределах 300кОм...1МОм. Если на выходе компаратора (выводы 10, 11 микросхемы DD3) напряжение высокого уровня, то этот резистор включают между выводами 5 и 6 элемента DD3.2 и общим проводом. После настройки образцового генератора подстроечник катушки L1 фиксируют в каркасе каплей клея.
Для удобства работы с металлоискателем его выносную катушку лучше всего снабдить деревянной или пластмассовой ручкой. Можно, кроме того, сделать несколько выносных катушек разного диаметра.

Из журнала "Радио" №10, 1994 г.

Обсудить эту статью на форуме (0 ответов).
Вся информация, предоставленная на данном ресурсе разрешена к ознакомлению детям школьного возраста. Все практическое использование может быть связана с повышенной электрической опасностью и разрешено детям только под присмотром взрослых.