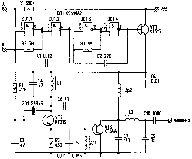
- генератора частоты 1 кГц на элементах DD1.3, DD1.4; - генератора инфранизкой частоты на DD1.1; DD1.2; - эмиттерного повторителя на транзисторе VT1; - кварцевого автогенератора на транзисторе VT2; - усилителя мощности на транзисторе VT3.
При подключении охранного шлейфа к точке "А" схемы и общему проводу, радиопередатчик не работает, и вся схема потребляет ток 25 мкА.
При обрыве шлейфа в точке "А" - потенциал логической "1", генератор на DD1.1, DD1.2 "растормаживается" и периодически включает генератор на DD1.3, DD1.4. ЭП на VT1 осуществляет амплитудную модуляцию ВЧ-сигнала.
При номиналах элементов генераторов, указанных на схеме, в приемнике слышен сигнал, похожий на сигнал "занято" АТС. Если необходимо иметь постоянный тон, нужно закоротить точки "А" и "В" схемы (когда устройство используется для радиоуправления).
Сигнал радиопередатчика можно принимать на приемники АМ и ЧМ-сигналов.
Схема работоспособна при напряжении питания 5...15 В.
Кварц ZQ1 применен в корпусе РК169, дроссели намотаны на ферритовых кольцах диаметров 7...10 мм проводом диаметром 0,2...0,3 мм (до заполнения кольца). Катушки L1 и L2 не имеют каркасов. L1 намотана на оправке D=4 мм проводом ПЭВ 0,41 и содержит 14 витков. L2 намотана на оправке D=3 мм проводом ПЭВ 0,8 (7 витков). Число витков L1 и L2 следует считать ориентировочным, т.к. из-за больших допусков емкостей конденсаторов подбора числа витков при настройке не избежать.