Универсальный металлоискатель

Металлоискатели, о которых рассказывалось ранее рассчитаны на обнаружение в основном сравнительно больших металлических предметов на расстоянии нескольких десятков сантиметров. С их помощью практически невозможно определить точное местоположение, скажем, гвоздей, скрытой проводки в стене или в полу, поскольку разрешающая способность металлоискателя низка из-за громоздкости выносной катушки (диаметр 200 мм). К примеру, с такой катушкой группа близкорасположенных гвоздей может восприниматься как некий большой предмет из металла. Кроме того, более удаленные массивные предметы могут экранировать близлежащие мелкие, например, те же гвозди в деревянном настиле на железобетонных плитах. На рис. 4.15 представлен универсальный металлоискатель, способный обнаруживать как мелкие, так и крупные металлические предметы. Он снабжен несколькими сменными катушками диаметром от 25 до 250 мм, что позволяет обнаруживать местоположение мелких предметов с точностью до миллиметров на расстоянии нескольких сантиметров, а крупные предметы — на расстоянии нескольких десятков сантиметров.
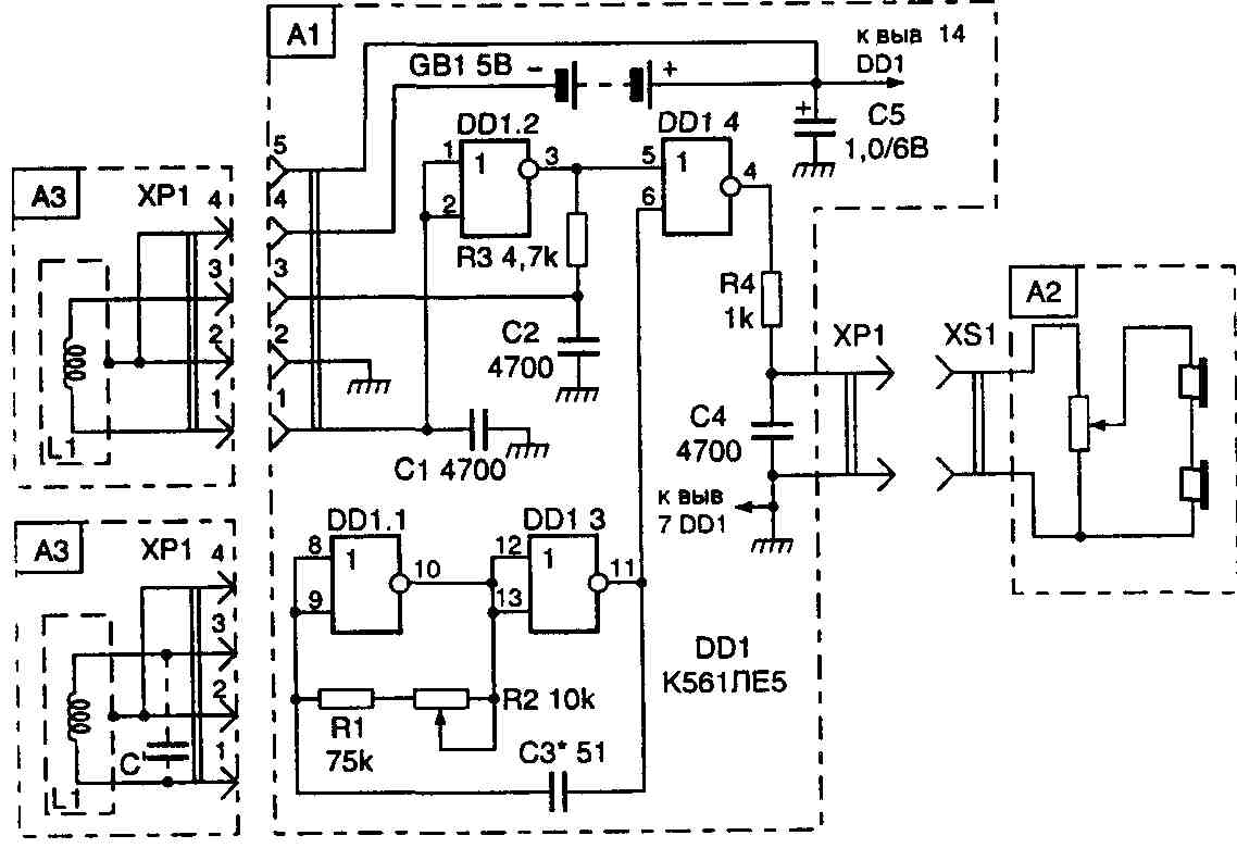
Принцип работы металлоискателя — традиционный. Он содержит эталонный генератор, собранный на логических элементах DD1.1 и DD 1.3 с частотой генерации примерно 100 кГц и перестраиваемый генератор, выполненный на элементе

4.15. Универсальный металлоискатель
DD1.2 и одной из выносных катушек индуктивности, подключаемых к генератору через разъем XS1. Сигналы обоих генераторов поступают на смеситель, собранный на элементе DD1.4. К выходу смесителя через фильтр R4C4, ослабляющий высшие частоты, подключены головные телефоны (узел А2). Для получения большей громкости звука капсюли телефонов соединены последовательно.
Пока вблизи выносной (сменной или поисковой) катушки нет металла, в телефонах будет звук вполне определенной тональности, установленной переменным резистором R2. При приближении же катушки к металлическому предмету тональность звука будет изменяться. Металлоискатель питается от батареи GB1, но выключателя питания в ее цепи нет — питающее напряжение подается на микросхему через контакты 2, 4 при подключении сменной катушки.
Кроме указанной на схеме, можно применить микросхемы К561ЛА7, К561ЛА7, К564ЛЕ5. Постоянные резисторы — МЛТ-0,125, переменный R2 — СП5-2 или другой малогабаритный. Оксидный конденсатор С5 может быть К50-6, К53 1, остальные конденсаторы — КЛС, КМ Головные телефоны — ТОН-2А с регулятором громкости. Их нужно немного доработать — установить на корпусе регулятора громкости гнездо XS2 от малогабаритных телефонов (в это гнездо вставляют вилку ХР2 от таких же телефонов), удалив предварительно провод с вилкой. И, конечно, соединить капсюли последовательно.
Источник питания, батарею GB1, составляют из четырех последовательно соединенных аккумуляторов Д-0,1 или Д-0,06. Поскольку аккумуляторы со временем истощаются, для подзарядки батареи используют простое зарядное устройство (узел А4 на рис. 4.16), включаемое в разъем XS1 с помощью пятиштырьковой вилки.

Зарядное устройство для металлоискателя
Детали узла А1 металлоискателя, кроме разъемов, батареи и переменного резистора, смонтированы на небольшой печатной плате, которая вместе с батаре ей аккумуляторов размещена в небольшом корпусе - коробке из-под лекарств На крышке коробки крепят разъем, а через отверстие в дне пропускают двух-проводный шнур, концы проводов которого припаивают к разъему ХР2 Переменный резистор R2 крепят на боковой стенке коробки.
Сменные катушки диаметром до 100 мм изготавливают так. Сначала на оправке Необходимого диаметра наматывают обмотку, которую обматывают слоем лакоткани, а поверх — медной луженой фольгой. Начало и конец обмотки из фольги не должны касаться друг друга, поэтом между ними оставляют зазор в несколько миллиметров.
Затем из фольгированного материала изготавливают основание в виде диска, на котором пайкой крепят разъем. С внутренней стороны на основании оставляют на краю кольцевую фольгированную полоску, не замкнутую на концах, а также полоску-проводник к разъему (с этой полоской соединяют контакты 2 и 4 разъема). К основанию припаивают фольговую обмотку катушки так, чтобы зазоры обмотки и кольцевой полоски основания совпали. В случае необходимости на основании размещают конденсатор С', выводы которого подпаивают к выводам 3 и 1 разъема, т.е. подключают параллельно катушке индуктивности.
После проверки катушки (омметром) и подбора конденсатора С1 (при налаживании металлоискателя) припаивают крышку из фольгированного материала, изготовленную наподобие основания с незамкнутой кольцевой полоской
Катушки диаметром 100 мм и более можно изготовить аналогично описанным выше и соединять их с металлоискателем с помощью кабеля (обязательно экранированного) длиной 1,5...2 м. Индуктивность любой катушки должна быть примерно 1,25 мГн.
Для катушки диаметром (средним) 25 мм обмотка должна содержать 150 витков провода ПЭВ-1 0,1 мм, диаметром 75 мм — 80 витков ПЭВ-1 0,18 мм, диаметром 200 мм — 50 витков ПЭВ1 0,3 мм. Для катушек любого другого диаметра число витков приближенно определяют но формуле:

где W — число витков; L — индуктивность катушки, мкГн; D — средний диаметр катушки, см. Настраивают металлоискатель в такой последовательности. После изютов-ления одной из сменных катушек, например самой малогабаритной, ее подключают к разъему XS1. Движок резистора R2 устанавливают в среднее положение и, подключив головные телефоны, подбором конденсатора СЗ добиваются звука низкого тона в них. При приближении к катушке металлического предмета тональность звука должна изменяться. Затем изготавливают катушку другого диаметра и, не припаивая крышку, подключают катушку к разъему XS1 Желательно, чтобы индуктивность катушки пролучилась на 5...10% меньше ранее изготовленной. Подбором конденсатора С1 (если это понадобится) добиваются звука примерно такой же тональности, что и в первом случае. Аналогично изготавливают и настраивают катушки других размеров При зарядке батареи аккумуляторов необходимо помнить о правилах безопасности и не касаться токопроводящих частей устройства, например вилки ХР2. Чтобы сделать этот процесс более безопасным, можно воспользоваться для зарядки сетевым блоком питания с выходным напряжением 9...12 В и подключать его к батарее GB1 (через контакты 4, 5 разъема XS1) через резистор сопротивлением 470...510 Ом.

Обсудить эту статью на форуме (0 ответов).
Вся информация, предоставленная на данном ресурсе разрешена к ознакомлению детям школьного возраста. Все практическое использование может быть связана с повышенной электрической опасностью и разрешено детям только под присмотром взрослых.