Электрическая зажигалка для газа

В журналах приведено много схем для самостоятельного изготовления аналогичных по назначению устройств, однако, как показывает опыт, наибольшую сложность при изготовлении таких устройств представляет намотка высоковольтной катушки так, чтобы не было пробоя у нее внутри, а также изготовление красивого корпуса. Приводимая ниже схема и конструкция легко решает эти проблемы.


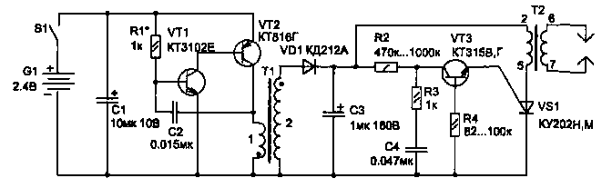
Электрическая схема содержит только унифицированные и легко доступные детали, в том числе и высоковольтную катушку Т2, в качестве которой применен трансформатор строчной развертки от черно-белых миниатюрных телевизоров ТВС-70П1.
Предлагаемая схема позволяет снять зависимость напряжения подаваемого в высоковольтную катушку от порога срабатывания динистора (их наиболее часто применяют), как это реализуется в опубликованных ранее схемах.
Схема состоит из автогенератора на транзисторах VT1 и VT2, повышающего напряжение до 120...160 В с помощью трансформатора Т1 и схемы запуска тиристора VS1 на элементах VT3, С4, R2, R3, R4. Накопленная на конденсаторе СЗ энергия разряжается через обмотку Т2 и открытый тиристор.


Рис. 1.25

Трансформатор Т1 выполнен на кольцевом ферритовом магнитопроводе М2000НМ1 типоразмера К16х10х4,5 мм. Обмотка 1 содержит 10 витков, 2 — 650 витков проводом ПЭЛШО-0,12. Используются конденсаторы:С1, СЗ типа К50-35; С2, С4 типа К10-7 или аналогичные малогабаритные. Диод VD1 можно заменить на КД102А, Б. S1 — микровключатель типа ПД-9-2. Тиристор можно использовать любой, с рабочим напряжением не менее 200 В. Трансформаторы Т1 и Т2 крепятся к плате клеем.Вся схема вместе с двумя элементами питания А316 или аккумуляторами НКГЦ-0,45 легко размещается в пачке от сигарет с жестким каркасом(типа СТОЛИЧНЫЕ)

Разрядная камера располагается между двумя жесткими проводами диаметром 1...2 мм на расстоянии 80...100 мм от корпуса. Искра между электродами проходит на расстоянии 3...4 мм.
Схема потребляет ток не более 180 мА, и ресурса элементов питания хватит более чем на два часа непрерывной работы, однако не прерывная работа устройства более одной минуты не желательна из-за возможного перегрева транзистора VT2 (он не имеет радиатора).
При настройке устройства может потребоваться подбор элементов R1 и С2, а также изменение полярности включения обмотки 2 у трансформатора Т1. Желательно также проводить настройку с неустановленным R2: проверить напряжение на конденсаторе СЗ вольтметром, а после этого установить резистор R2 и, контролируя напряжение осциллографом на аноде тиристора VS1, убедиться в наличии процесса разряда конденсатора СЗ.
Разряд СЗ через обмотку трансформатора Т2 происходит при открывании тиристора. Короткий импульс для открывания тиристора формируется транзистором VT3 при возрастании напряжения на конденсаторе СЗ более 120В.
Устройство может найти и другие применения, например, в качестве ионизатора воздуха или электрошокового (пугающего) устройства, так как между электродами разрядника возникает напряжение более 10 кВ, что вполне достаточно для образования электрической дуги. При малом токе в цепи это напряжение не опасно для жизни.

Обсудить эту статью на форуме (0 ответов).
Вся информация, предоставленная на данном ресурсе разрешена к ознакомлению детям школьного возраста. Все практическое использование может быть связана с повышенной электрической опасностью и разрешено детям только под присмотром взрослых.