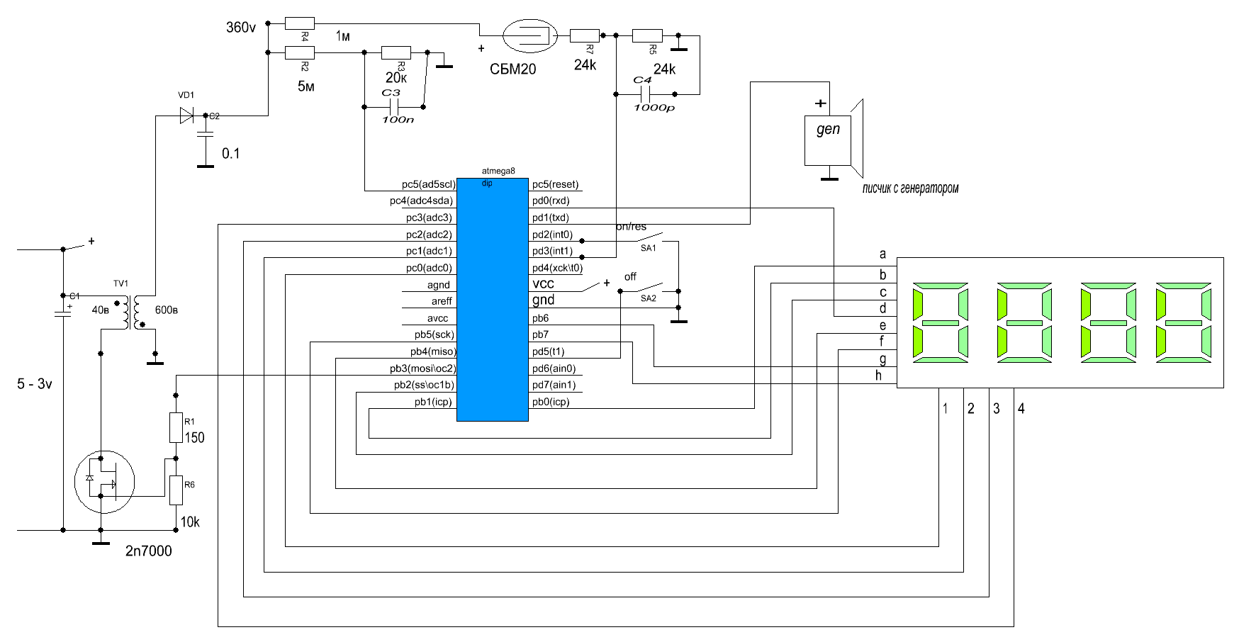
Бытовой дозиметр на ATMega8
Ratings
(20)
dozimetr1.1
Файлы необходимые к схеме
Doc
27 марта 2011
Просмотров: 12532
Обсудить эту статью
Войдите, чтобы комментировать
Обсудить эту статью на форуме (0 ответов).
Вы здесь:
Главная
Cхемы
Электроника в быту
Бытовой дозиметр на ATMega8
Поиск
Sign In
Главная
Cхемы
Программы
Библиотека
Форум
Справочный лист
Советы
Обзоры
Это интересно
Cсылки
Вся информация, предоставленная на данном ресурсе разрешена к ознакомлению детям школьного возраста. Все практическое использование может быть связана с повышенной электрической опасностью и разрешено детям только под присмотром взрослых.