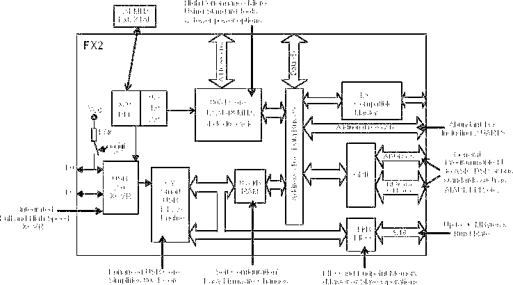
Конвертер USB <-> IDE разработан на основе ИМС периферийного контроллера Cypress Semiconductor CY7C68013. С его помощью можно через USB-порт спецификаций 1.1 (до 12 Мб/с) или 2.0 (до 480 Мб/с) подключить к ПК внешний HDD, CD-ROM, DVD, ZIP и др. устройства с интерфейсом АТА. Питание конвертера возможно как непосредственно от шины USB через интегральный стабилизатор U1, так и от отдельного 5-вольтового блока питания; потребляемый ток при работе с шиной USB 1.1 не превышает 150 мА, а при работе с USB 2.0 - 260 мА. |
ПК подключается к разъему J2, а внешний «винчестер» - к J3. Управляющий код загружается при инициализации устройства через шину I2C из EEPROM U3. Программное обеспечение и прошивки доступны по адресу http://www.cypress.com/cfuploads/support/developer_kits/ez_usb-devtools.zip |
CY7C68013 - контроллер периферии для шины USB стандарта 2.0 с ядром MCS-51 обеспечивает скорость обмена данными до 480 Мбит/сек.
|
![]() |
Cпецификация USB - http://www.usb.org/, полный даташит ИМС CY7C68013 - на http://www.cypress.com/cfuploads/img/products/38-08012.pdf и тут http://www.alldatasheet.com/view.jsp
|
Сайт Кравченко К.В.: www.kkbweb.narod.ru
|
Контроллер жесткого диска для USB порта
Doc
Просмотров: 7016
