Высококачественный звуковой усилитель для компьютера
Ratings
(3)
Используя современную импортную элементную базу, не сложно самостоятельно собрать высококачественный звуковой усилитель. Потребуется всего одна микросхема фирмы TOSHIBA. При этом не нужна настройка, которая подразумевает наличие дорогостоящих измерительных приборов.
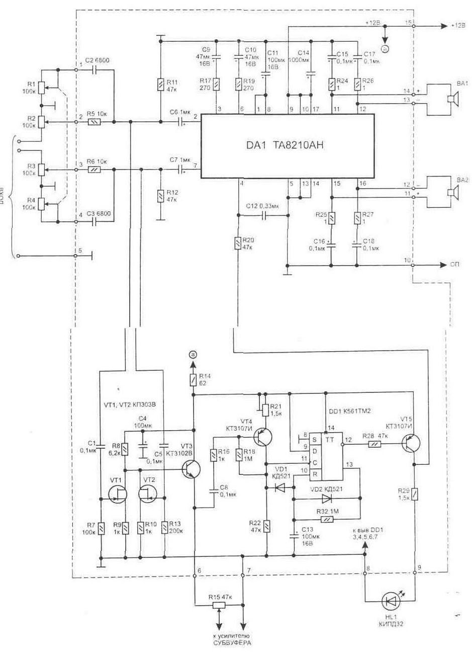
Электрическая схема такого усилителя приведена на рис. 5.5. Для его изготовления выбрана микросхема ТА8205АН в типовом включении. Обычно она применяется в аппаратуре Hi-Fi класса благодаря малым нелинейным искажениям. Подойдут также аналогичные, но более мощные: ТА8210АН и ТА8215АН (схема подключения в этом случае не меняется).
В отличие от многих других типов, кроме низкого коэффициента нелинейных искажений в микросхеме предусмотрена работа в дежурном режиме, т.е. с пониженным потреблением тока от источника в случае подачи на вход DA1/4 нулевого уровня. Кроме того, в усилителе обеспечивается мягкое включение, что устраняет щелчки в колонках при подаче питания.
Для управления автоматическим включением усилителя в рабочий режим выполнен каскад на элементах VT4, DD1, VT5, который работает следующим образом. Сигналы с выхода звуковой карты компьютера поступают через конденсаторы С1, С5 на смеситель из полевых транзисторов VT1, VT2 (VT3 - повторитель сигнала). Этот смеситель используется также для выделения сигнала, подаваемого на усилитель субвуфера.
С эмиттера транзистора VT3 сигнал поступает через C8-R6 на базу VT4. Режим работы транзистора VT4 выбран так, чтобы при отсутствии сигнала на выходе - на его коллекторе было напряжение около 11 В, что для триггера соответствует уровню лог. "1".
Так как лог. "1" присутствует на выводе DD1/9, триггер переключится при появлении первого же импульса на входе DD1/11.
На триггере DD1 собран одновибратор, который формирует на выходе импульс длительностью около 90 с (пока заряжается конденсатор С13 через резистор R23). Этот сигнал используется для включения рабочего режима звукового усилителя, когда транзистор VT5 будет открыт и на входе DA1/4 присутствует напряжение питания.
Данному одновибратору благодаря применению диода VD1 присуще свойство перезапуска, т.е. пока на входе DD1/11 появляются импульсы с нулевым уровнем - конденсатор С13 будет разряжен и процесс формирования интервала на задержку отключения начнется только после пропадания звукового сигнала. В этом случае на DD1/11 будет уровень напряжения, близкий к питающему, и диод VD1 на работу цепи заряда конденсатора не влияет.
Регуляторы R1 и R4 сдвоенные и позволяют ограничить усиление в области высоких частот. По свечению светодиода HL1 можно контролировать нахождение усилителя в рабочем режиме.
Основные технические параметры усилителя:
выходная мощность на нагрузке 4 Ом - 2х10 Вт;
полоса усиливаемых частот 20...100000 Гц;
ток потребления:
а) в рабочем режиме при Uвх=0 не более 150 мА;
б) в дежурном режиме не более 10...15 мА;
в) максимальный до 3 А;
напряжение питания может находиться в диапазоне 9...16 В;
коэффициент нелинейных искажений не более 0,1%.
Для выполнения источника питания усилителя идеально подходит трансформатор типа ТП60-17 и регулируемый стабилизатор LT1084, рис. 5.7.
Все детали, выделенные на схеме пунктиром, располагаются на печатной плате из одностороннего стеклотекстолита толщиной 1 мм с размерами 80х65 мм, рис. 5.6. Она содержит три объемные перемычки.
Для нормальной работы усилителя микросхему DA1 необходимо закрепить к радиатору площадью не менее 200 см кв. (им может являться корпус конструкции).
В схеме могут применяться следующие элементы: регулировочные резисторы R1...R4, R15 типа СП--33-32-0,125 Вт (R1 и R4 сдвоенные - расположены на одной оси, аналогичные можно использовать R2 и R3), подстроечный R21 типа СП--19а, постоянные резисторы МЛТ или С2-23. Полярные конденсаторы типа К50-35, остальные из серии К10. Диоды VD1, VD2 можно заменить любыми импульсными, например КД522, КД503.
Общие размеры корпуса устройства не превышают 175х150х75 мм.
При правильной сборке схема звукового усилителя в настройке не нуждается. Подстроечный резистор R21 позволяет менять чувствительность транзистора VT3 к уровню входного сигнала. Обычно триггер срабатывает при появлении на входе схемы сигнала амплитудой около 10 мВ.
При подключении платы усилителя к источнику питания следует проявлять внимательность, так как подача ошибочной полярности на микросхему DA1 приведет к ее повреждению. Недопустимо также соединение выводов на динамики у микросхемы с общим проводом питания, так как в ней применяется мостовой оконечный каскад.