Самих систем может быть 2 варианта: PAL и NTSC версии.
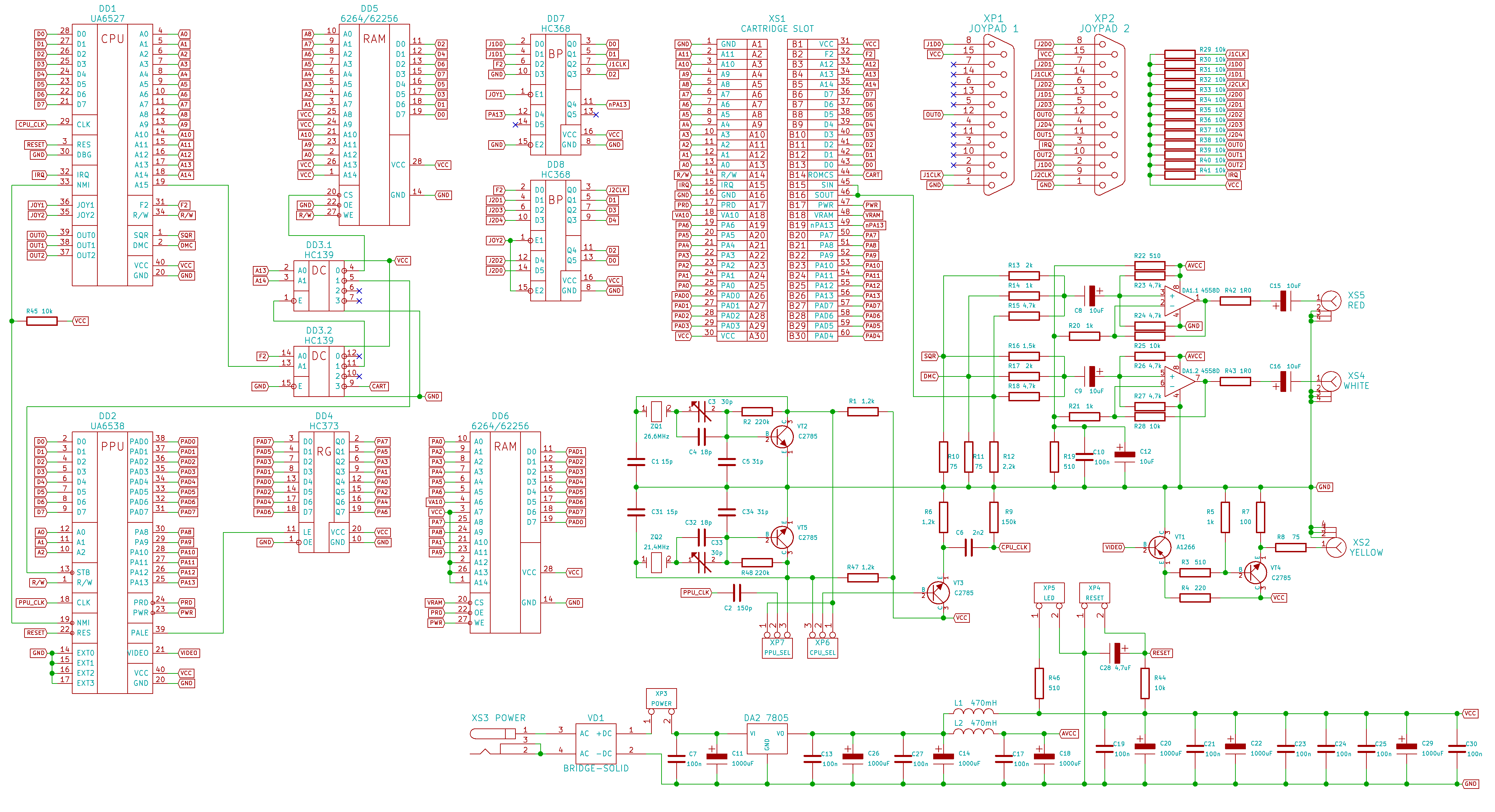
NTSC версии: Процессор — UA6527, Видео процессор UA6528
PAL версии: Процессор — UA6527p, Видео процессор UA6538
Для выбора системы передачи видео сигнала, не забываем про основной генератор приставки. Разница в выдаваемой частоте генерации, на которых работают эти разные системы.
PAL работает на частоте 26.6
NTSC работает на частоте 21.47
Это все отличия в деталях при сборе PAL или NTSC систем.
Картинка есть, игра идёт на экране артефакты — битый PPU, не починить никак, только замена на заранее стабильный для проверки.
Очень часто купленные микросхемы не совместимы с китайскими картриджами на 400 игр. Не хватает скорости обработки. Проверяйте работоспособность на старых картриджах, которые ещё на капле. У них микросхемы на 5 вольт и там скорость медленнее, чем на новых китайских многоигровках.