Диагностическая плата POST Card для шины ISA

 

Прошивка для К155РЕ3

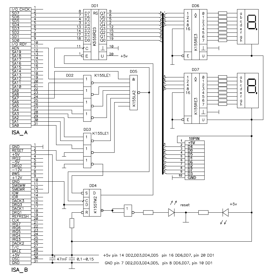
 рис.1
рис.1
 

В конструкции можно использовать микросхемы DD1 типа K555ИР23, DD2,DD3-К555ЛЕ1, DD4-K555TM2, DD5-K555ЛА2, DD6,DD7-K155РЕ3, а также их аналоги из серий K1533, K1531, K531 ( зарубежные 74LS, 74ALS, 74HC, 74F ). В качестве HL1, HL2 можно применить АЛС324Б, либо любые другие светодиодные индикаторы с общим анодом.
Описание работы схемы достаточно подробно описано в статье Романа Скрипника: "POST Card для шины ISA с семисегментными индикаторами (со схемой)"

Разъем на плате предназначен для подключения выносной платы индикации или других дополнительных устройств.

Достаточно полный список POST кодов доступен через Internet на сайтах соответствующих производителей BIOS: для AMI это www.ami.com, для AWARD - www.award.com в виде файлов в формате Acrobat Reader: ami.pdf и award.pdf, а здесь можно взять программы для проверки работоспособности POST Card ISA: post80.exe и post.exe

рис.2 Внешний вид диагностической платы POST Card ISA
рис.2 Внешний вид диагностической платы POST Card ISA
Обсудить эту статью на форуме (0 ответов).
Вся информация, предоставленная на данном ресурсе разрешена к ознакомлению детям школьного возраста. Все практическое использование может быть связана с повышенной электрической опасностью и разрешено детям только под присмотром взрослых.