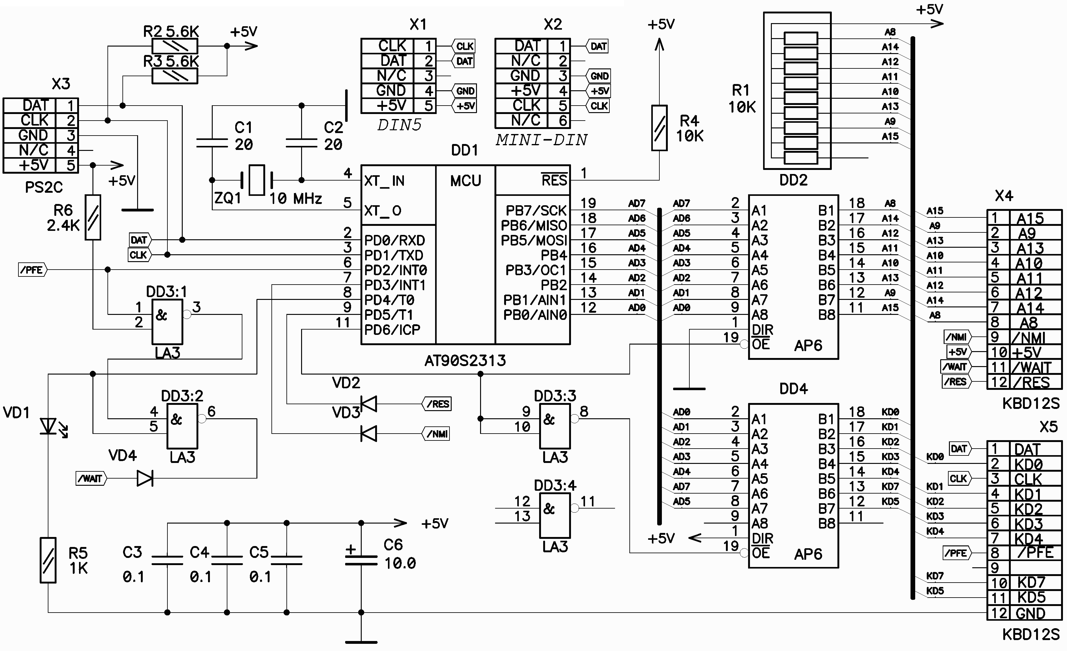
Keybord ps/2 for ZX-Spectrum
Doctor Death
Просмотров: 525
Вся информация, предоставленная на данном ресурсе разрешена к ознакомлению детям школьного возраста. Все практическое использование может быть связана с повышенной электрической опасностью и разрешено детям только под присмотром взрослых.