MIDI-клавиатура

Характерная особенность описываемой здесь клавиатуры заключается в том, что выход у нее не звуковой, как в обычных ЭМИ, а выход цифрового музыкального интерфейса MIDI. К такой клавиатуре можно подключать различные музыкальные инструменты, если, конечно, они имеют вход этого интерфейса. Многие промышленные синтезаторы, например, серии PSS фирмы "Yamaha", имеют уменьшенные клавиатуры, не всегда удобные для игры, и MIDI-клавиатура с полноразмерными клавишами позволяет существенно расширить их исполнительские возможности. При этом, разумеется, никаких переделок или конструктивных доработок в инструменте делать не приходится - надо лишь соединить MIDI-кабелем клавиатуру с входом "MIDI IN" синтезатора и запрограммировать его на прием сигналов MIDI. Предлагаемое устройство может также стать частью вашей домашней MIDI-студии или использоваться совместно со звуковыми модулями и сэмплерами в бесклавиатурном "Rack"-исполнении. Цифровой музыкальный интерфейс MIDI, появившийся в 1982 г., позволил разделить исполнительскую (задающую) и звукогенерирующую (исполняющую) части музыкальных инструментов [1-3]. Передаваемая между ними информация имеет вид простых команд, единых для клавишных, грифовых, духовых и других ЭМИ. Команды отражают воздействие исполнителя на инструмент, например, "ВКЛЮЧИТЬ НОТУ", "ИЗМЕНИТЬ ПОЛОЖЕНИЕ РЕГУЛЯТОРА". Несмотря на то, что приемы и техника игры на инструментах различаются, команды MIDI универсальны, что позволяет соединять ЭМИ разных типов и получать при этом невиданные сочетания исполнительских и звуковых возможностей. Задача исполнительских устройств - как можно более полно и правильно воспринять и передать самые тонкие оттенки музыкального исполнения. Современные клавиатуры ЭМИ называют динамическими, потому что они фиксируют не только сам факт нажатия клавиши, но и силу, либо скорость ее нажатия [5], что может влиять как на громкость звука, так и на его тембр - в зависимости от того, как запрограммирован ЭМИ. Более того, скорость нажатия может управлять включением звуковых эффектов и даже переключением тембров. Например, при "мягкой" игре инструмент звучит одним тембром, а при более "жесткой"-другим. Этим приемом часто пользуются в сэмплерных инструментах. Скажем, записывают в сэмплер звук фортепиано при сильном и слабом ударах по клавише, а затем звуки смешивают в пропорции, зависящей от скорости нажатия. Это позволяет имитировать динамический и тембровый диапазон натурального фортепиано и гибко управлять им во время игры. Однако многие акустические инструменты имеют, по крайней мере, еще одну степень управления тембром. Грифовые, духовые инструменты позволяют в большой степени варьировать звук уже после взятия ноты. Игра на смычковых инструментах, на электрогитаре состоит в искусстве подтяжек, вибрато и других исполнительных эффектов на всем протяжении звучания ноты. А как заманчиво клавишнику использовать не автоматическое, а пальцевое, естественное и живое, "вибрато" либо оживить аккорд, введя модуляцию, не отрывая пальцев от клавиш) Чувствительная к нажатию (англ. touch-sensitive) клавиатура позволяет все это делать, поскольку измеряет силу давления пальцев музыканта на всем протяжении звучания ноты. Возможно, в будущем появятся клавиатуры, измеряющие силу давления на клавиши по всем трем направлениям - музыканты наверняка захотят все это использовать. Конечно же, все измеряемые параметры должны передаваться по интерфейсу и управлять всеми подсоединенными ЭМИ. Для этого стандарт MIDI предоставляет средства, суть которых отображает приведенная здесь табл. 1. Команда "ВКЛЮЧИТЬ НОТУ" несет информацию о силе либо о скорости нажатия каждой клавиши клавиатуры. Все динамические клавиатуры измеряют и передают этот параметр в диапазоне от 0 (отсутствие звука) до 127 (фортиссимо). Аналогично команда "ВЫКЛЮЧИТЬ НОТУ" сообщаете скорости отпускания ноты. Немногие клавиатуры измеряют этот параметр, поэтому вместо нее часто используют команду "ВКЛЮЧИТЬ НОТУ" с нулевой скоростью, что не возбраняется стандартом MIDI. Команду "ДАВЛЕНИЕ НА КЛАВИШУ" передают лишь некоторые динамические клавиатуры- те, которые воспринимают давление пальцев музыканта на клавишу после взятия ноты. Команда "ПОЛОЖЕНИЕ КОЛЕСА" передается при вращении колеса изменения тона, если, конечно, оно есть.

Таблица 1.

Команда (в hex-коде) Байт статуса (n - номер канала) Первый байт данных (0...7Fh) Второй байт данных (0...7Fh)
ВКЛЮЧИТЬ НОТУ 9n Номер ноты Скорость нажатия (1...7Fh)
ВЫКЛЮЧИТЬ НОТУ 8n
9n
Номер ноты
Номер ноты
Скорость отпускания
Скорость=0
ДАВЛЕНИЕ НА КЛАВИШУ 0An Номер ноты Сила давления
ПОЛОЖЕНИЕ КОЛЕСА 0En Младшие 7 бит Старшие 7 бит
СМЕНА УПРАВЛЕНИЯ 0Bn

0 - регулятор 0
1 - регулятор 1
(колесо модуляции)
*
*
*
1Fh - регулятор 31
20h - регулятор 0
21h - регулятор 1
(колесо модуляции)
*
*
*
3Fh - регулятор 31
40h - выключатель 0
41h - выключатель 1
*
*
*
5Fh - выключатель 31

 

 

 

Старшие 7 бит
Старшие 7 бит - - - -Старшие 7 бит
Младшие 7 бит
Младшие 7 бит
- - - -Младшие 7 бит
0-выкл.,7Fh-вкл.
0-выкл.,7Fh-вкл.
- - -0-выкл.,7Fh-вкл.
 

 

 

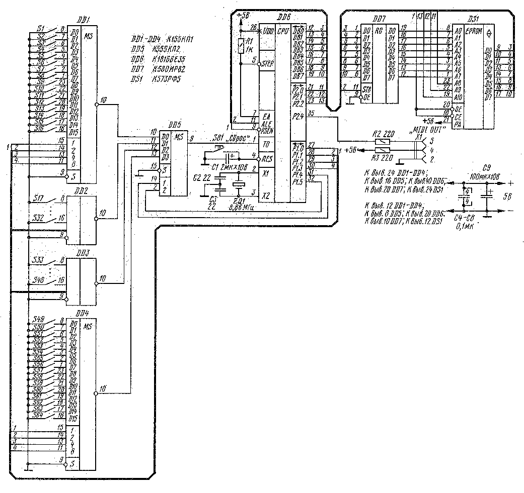
Большая группа команд "СМЕНА УПРАВЛЕНИЯ" зарезервирована для любых, как дискретных, так и непрерывно действующих органов управления. Привязка конкретных переключателей и регуляторов к кодам передаваемых и принимаемых команд индивидуальна для каждого инструмента. К ним же относится и колесо модуляции, с помощью которого можно во время игры управлять эффектом вибрато. Предлагаемая MIDI-клавиатура - простейшая . Она передает лишь две команды - "ВКЛЮЧИТЬ-ВЫКЛЮЧИТЬ НОТУ" в любом из шестнадцати MIDI-каналов. Поскольку клавиатура не динамическая, то скорость нажатия-отпускания передается всегда одинаковой - 63. Кроме того, каждые 300 мс передается команда "АКТИВНАЯ ПРОВЕРКА" (байт OFEh), иногда используемая для проверки электрического соединения MIDI. Однокристальная микро-ЭВМ К1816ВЕ35 (DD6) позволила сильно упростить схемотехнику устройства. ПЗУ К537РФ5 (DS1) содержит коды программы, выполняемой микро-ЭВМ (табл.2). Пропуски в таблице могут быть заполнены любым кодом. Регистр К580ИР82 (DD7) служит для хранения младшей части адреса ПЗУ [4]. Сигнал на выходе "MIDI OUT" формируется программным путем, поэтому скорость передачи непосредственно зависит от частоты кварцевого резонатора ZQ1. Его частота может быть в пределах 8820...8990 кГц - вполне подойдет, например, используемый в декодерах PAL резонатор на частоту 8,86 МГц.

                           Таблица 2

Адрес  0  1  2  3  4  5  6  7    8  9  a  b  c  d  e  f    К.С.

0000   23 ff 3а 00 00 00 00 00   00 00 00 00 00 00 00 00   5d5c

0010   00 00 00 00 00 00 00 00   00 00 00 00 34 80 bf 64   74d7

0020   bc 00 b8 20 bа 08 bb 08 	 f0 2c 39 2c 97 36 50 67   bc1e

0030   f6 b0 1с еb 29 а0 18 ea 	 26 ef 20 b9 fe 34 00 04   9f9c

0040   1e ff ff ff ff ff ff ff 	 ff ff ff ff ff ff ff ff   1e0f

0050   a7 67 e6 80 04 32 ff ff 	 ff ff ff ff ff ff ff ff   aca0


0080   2d b9 3f f1 03 90 a9 34 	 00 fc 03 24 a9 34 00 b9   8b3f

0090   3f 34 00 2d 04 32 ff ff 	 ff ff ff ff ff ff ff ff   d6cc


00b0   2d b9 3f f1 03 80 a9 34 	 00 fc 03 24 a9 34 00 b9   7b2f

00c0   3f 34 00 2d 04 32 ff ff 	 ff ff ff ff ff ff ff ff   d6cc


0100   23 00 3а f9 e7 e7 e7 e7 	 b9 08 00 00 00 00 00 00   b8b3

0110   00 00 00 00 3a 77 00 00   00 00 00 00 00 00 00 00   b1b1

0120   00 00 00 00 e9 14 23 ff 	 3а b9 0а е9 2b 83 ff ff   b7b1


0180   b8 3f b0 00 b8 20 b9 08   b0 00 18 e9 88 bb 10 fb   4a3f

0190   07 39 36 97 eb 8f 83 b8   3f a0 36 9a 83 ff ff ff   f9f1

Кнопка SB1 "Сброс" микро-ЭВМ служит для программирования номера канала MIDI. Контакты клавиатуры S1-S64, подключенные к мультиплексорам К155КП1 (DD1-DD4), опрашиваются последовательно для обнаружения нажатых клавиш. Выходы этих микросхем коммутирует мультиплексор К555КП2 (DD5). Состояние опрашиваемого контакта фиксируется на тестовом входе ТО (вывод 1) микро-ЭВМ DD6. Клавиатура питается от источника постоянного тока напряжением 5 В и, потребляемый ток - не более 0,5 А. Печатная плата для устройства не разрабатывалась. Для уменьшения длины жгута мультиплексоры DD1-DD4 расположены непосредственно под клавиатурой. Вместо механических контактов S1-S64 можно применить герконы с магнитами, закрепленными на клавишах. Контакт S1 соответствует нижней клавише (нота До большой октавы), S64 - самой верхней. Разъем Х1, через который к MIDI- клавиатуре подключают MIDI- кабель - стандартная пятиштырьковая розетка СШ5 (DIN-5) с незадействованными контактами 1 и 3. Микросхему К1816ВЕ35 можно заменить на К1816ВЕ39, К573РФ5 - на К573РФ2, а К555КП2 - на К555КП12. Мультиплексоры DD1-DD5 могут быть любыми аналогичными серий К133, К555, К533, К1533. При заведомо исправных деталях и безошибочном монтаже клавиатура начинает работать сразу после включения питания. Если, однако, этого не произошло, в первую очередь проверьте наличие напряжения питания на всех микросхемах. Пользуясь осциллографом, понаблюдайте на выводе 11 микросхемы DD6 тактовые импульсы. Отсутствие колебаний- признак неправильной работы этой микросхемы или резонатора ZQ1. Далее проводник вывода 1- микросхемы DD6 отключите от вывода 9 микросхемы DD5 и соедините его с общим проводом. К гнездам 5 и 4 разъема X1 подключите головные телефоны - в них должны прослушиваться щелчки с частотой около 3 Гц - это передаются байты OFEh "Активная проверка". Если их нет, значит неисправна одна из микросхем DD6, DD7 или DS1. Затем восстановите соединение выводов 1 и 9 микросхем DD6 и DD5. Теперь щелчки в телефонах должны быть слышны при каждом нажатии и отпускании клавиш. Если это не так, неисправность находится в узле микросхем DD1- DD5 либо среди контактов клавиатуры есть постоянно замкнутые. Клавиатуру подключайте к инструменту в соответствии с рекомендациями, изложенными в [3]. При включении питания клавиатура автоматически настраивается на первый MIDI-канал. Для изменения номера канала нажмите на кнопку SB1 "Сброс" и, не отпуская ее, на клавишу с порядковым номером необходимого канала. Первой отпускайте кнопку, затем клавишу. После такой коммутации цепей устройства все команды будут передаваться по каналу с нужным номером.

ЛИТЕРАТУРА

  1. Субботкин М. MIDI. - IN/OUT, 1992, N1, с.18.
  2. Кудеев Ю. MIDI-оообщеяия. - IN/OUT, 1992, N 2, с.66, 67.
  3. Студнев А. Что такое MIDI? - Радио, 1993, N 1, с.32, 33; N 2, c. 23-25.
  4. Сташин В. В., Урусов А. В, Мологонцева О. Ф. Проектирование цифровых устройств на однокристальных микроконтроллерах. - М.: Энергоатомиздат, 1990.
  5. Кузнецов Л. А. Основы теории, конструирования, производства и ремонта электромузыкальных инструментов. - М.: Легкая и пищевая промышленность, 1981.

Алексей СТУДНЕВ, г. Жуковский

Обсудить эту статью на форуме (0 ответов).
Вся информация, предоставленная на данном ресурсе разрешена к ознакомлению детям школьного возраста. Все практическое использование может быть связана с повышенной электрической опасностью и разрешено детям только под присмотром взрослых.