Вашему вниманию предлагается устройство для тестирования и ремонтаперсональных компьютеров, которое подключается по шине PCI. Полезное устройство можно собрать из набора МАСТЕР КИТ NM9221 .
POST Card PCI применяется для диагностики неисправностей при ремонте и модернизации компьютеров типа IBM PC (или совместимых с ним).
POST Card PCI представляет собой плату расширения компьютера, которая может быть установлена в любой свободный PCI слот (33 МГц) и предназначена для отображения POST кодов, генерируемых BIOS'ом компьютера, в удобном для пользователя виде.
Благодаря применению ПЛИС фирмы Altera стало возможным создание простого и доступного для повторения устройства радиолюбителями со средней квалификацией.
Технические характеристики:
Напряжение питания: +5 В.
Ток потребления, не более: 200 мА.
Частота шины PCI: 33 МГц.
Адрес диагностического порта: 0080h.
Индикация POST кодов: в шестнадцатеричном виде, один байт.
Индикация сигналов PCI шины: RST (левая точка индикатора), CLK (правая точка индикатора).
Индикаторы наличия напряжений питания PCI шины: +5 В; +12 В; -12 В; +3,3 В.
Совместимость с материнскими платами чипсетах: Intel, VIA, SIS.
Размер печатной платы: 112 х 90 мм.
Так как рабочая частота шины PCI относительно высока (33 МГц), то реализация подобного устройства на дискретных микросхемах стандартной логики проблематична, поэтому в качестве основы устройства была выбрана недорогая ПЛИС фирмы Altera EPM3064ALC44-10, имеющая достаточное быстродействие и в то же время выпускающаяся в корпусе PLCC44, что при применении соответствующей панельки с стандартным шагом выводов 2,5 мм дает возможность повторить устройство радиолюбителям со средней квалификацией.
EPM3064ALC44-10 представляет собой программируемую логическую интегральную схему (ПЛИС), содержащую 1250 вентилей, которая может быть запрограммирована под нужды разработчика при помощи ПО фирмы Altera прямо в изготовленном устройстве через специальный разъем JTAG. Для программирования используется специальный кабель ByteBlasterMV, подключаемый к LPT порту любого компьютера. Схема кабеля свободно распространяется фирмой Altera, ее можно найти на вышеприведенном сайте.
Память ПЛИС изготовлена по EEPROM технологии и позволяет призводить до 100 циклов записи/стирания.
Общий вид устройства представлен на рис 1.

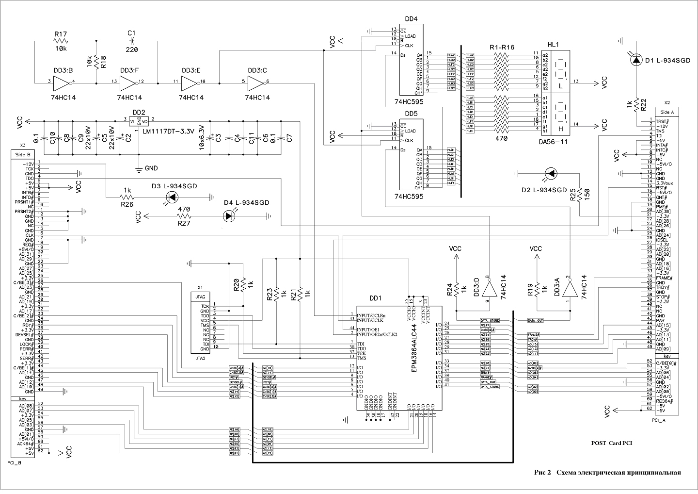
Принципиальная электрическая схема устройства приведена на рис. 2.
Сигналы с PCI шины компьютера AD0-AD15, C/BE0-C/BE3, CLK, RST, FRAME, IRDY, TRDY, IDSEL, DEVSEL подаются на ПЛИС DD1, на которой реализовано простейшее Target PCI устройство вывода по фиксированному адресу 080H. При каждом поступлении POST кода с шины PCI этот POST код защелкивается во внутреннем 8-разрядном регистре ПЛИС, преобразуется в шестнадцатиричный семисегментный код и в последовательном виде через буферный элемент DD3A поступает на сдвиговые регистры DD5, DD4.
По сигналу загрузки DATA_STORE, проходящему из ПЛИС через буферный элемент DD3D, POST код переписывается из внутренних последовательных регистров DD5, DD4 в их внутренние параллельные регистры и, через токоограничительные резисторы R1-R16, подается на сдвоенный семисегментный индикатор HL1 для индикации. Кроме того, две точки на индикаторе HL1 служат для отображения состояния сигналов RST и CLK PCI шины компьютера. Зажигание правой точки соответствует наличию активного сигнала синхронизации CLK шины PCI, зажигание левой точки - наличию активного сигнала RST шины PCI.
На элементах DD3B, DD3F, DD3E, DD3С собран тактовый генератор, который обеспечивает независимость работы узла индикации в случае срыва генерации CLK PCI шины в неисправном компьютере. Так как на некоторых старых моделях материнских плат на PCI слотах отсутствует напряжение +3,3 В, то для питания ПЛИС на ИС DD2 собран стабилизатор напряжения +3,3 В. Светодиоды D1-D4 служат для индикации наличия напряжений питания +12 В; -12 В; +3,3 В; +5 В в слоте PCI, в который вставлена POST карта.
Из особенностей работы данной POST Card хочется отметить то, что после включения питания компьютера (или нажатия на кнопку RESET) и до появления первого POST кода на индикатор POST Card выводится специальный символ (рис. 3), который свидетельствует об отсутствии вывода компьютером каких-либо POST кодов.

Это облегчает диагностику и позволяет наглядно определить, стартует ли компьютер вообще. Кроме того, этот же символ выводится при программном сбросе PCI шины для фиксации прохождения короткого сигнала RST (RESET).
Принцип работы POST Card
При каждом включении питания компьютера, совместимого с IBM PC, и до начала загрузки операционной системы процессор компьютера выполняет процедуру BIOS под названием "Самотест по включению питания" - POST (Power On Self Test). Эта же процедура выполняется также при нажатии на кнопку RESET или при программной перезагрузке компьютера.
Основной целью процедуры POST является проверка базовых функций и подсистем компьютера (таких как память, процессор, материнская плата, видеоконтроллер, клавиатура, гибкий и жесткий диски и т. д.) перед загрузкой операционной системы. Это в некоторой степени застраховывает пользователя от попытки работать на неисправной системе, что могло бы привести, например, к разрушению пользовательских данных на HDD. Перед началом каждого из тестов процедура POST генерирует так называемый POST код, который выводится по определенному адресу в пространстве адресов устройств ввода/вывода компьютера. В случае обнаружения неисправности в тестируемом устройстве процедура POST просто "зависает", а предварительно выведенный POST код однозначно определяет, на каком из тестов произошло "зависание". Таким образом, глубина и точность диагностики при помощи POST кодов полностью определяется глубиной и точностью тестов соответствующей процедуры POST BIOS'а компьютера.
Следует отметить, что таблицы POST кодов различны для различных производителей BIOS и, в связи с появлением новых тестируемых устройств и чипсетов, несколько отличаются даже для различных версий одного и того же производителя BIOS. Таблицы POST кодов можно найти на соответствующих сайтах производителей BIOS: для AWARD.
Особенности тестирования
Последовательность действий при ремонте компьютера с использованием POST Card выглядит следующим образом:
1. выключаем питание неисправного компьютера;
2. устанавливаем POST Card в любой свободный слот материнской платы;
3. включаем питание компьютера и считываем с индикатора POST Card соответствующий POST код, на котором "зависает" загрузка компьютера;
4. по таблицам POST кодов определяем, на каком из тестов возникли проблемы и осмысливаем вероятные причины;
5. при выключенном питании производим перестановки шлейфов, модулей памяти и других компонентов с целью устранить неисправность.
6. повторяем пункты 3, 4, 5, добиваясь устойчивого прохождения процедуры POST и начала загрузки операционной системы.
7. при помощи программных утилит производим окончательное тестирование аппаратных компонентов, а в случае плавающих ошибок - осуществляем длительный прогон соответствующих программных тестов.
При ремонте компьютера без использования POST Сard пункты 2-4 этой последовательности просто опускают и со стороны ремонт компьютера выглядит просто как лихорадочная перестановка памяти, процессора, карт расширения, блока питания, и в довершение всего - материнской платы.
Двухслойная печатная плата POST Card PCI с металлизацией переходных отверстий (рис.4 и рис.5) изготовлена из стеклотекстолита толщиной 1,5 мм, фольга 18 мкм. Контакты ножевого разъема PCI желательно покрыть износостойким материалом.


Монтажная схема POST Card приведена на рис. 6.
При изготовлении устройства необходимо обратить внимание на правильную установку панельки PLCC44 под ПЛИС DD1 по ключу, а также во время пайки не допускать затекания флюса внутрь панельки.
Для настройки POST Card и первого включения следует по возможности использовать старую исправную материнскую плату с шиной PCI. Первое включение POST Card производится без установленной в панельку ПЛИС DD1, при этом следует проверить напряжение питания ПЛИС (35, 15, 3, 23 ножки DD1), выдаваемое стабилизатором DD2 - оно должно быть около +3,3 В, а также необходимо убедиться в наличии стабильных импульсов прямоугольной формы на частотах около 100-200 кГц на 6 и 10 ножках ИС DD3.
Кроме того, компьютер с установленной POST Card без ПЛИС должен нормально загружаться, что говорит об отсутствии дефектов монтажа. Если эти предварительные проверки прошли успешно, то можно установить ПЛИС в панельку, подключить к разъему X1 JTAG кабель ByteBlasterMV, подать на POST Card питание +5 В и при помощи свободно распространяемого ПО Altera Stand-Alone Programmer 10.23 (14 Мбайт) запрограммировать ПЛИС. Демо-версия прошивки, позволяющая отобразить первые 8 POST кодов, приведена на сайте журнала “Радиохобби” (файл PCI_POST_CARD_DEMO_8kod.pof).
Этого вполне достаточно, чтобы проверить, стартует ли материнская плата вообще, а также проверить исправность памяти компьютера.
Заключение
Чтобы сэкономить время и избавить Вас от рутинной работы по поиску необходимых компонентов и изготовлению печатных плат МАСТЕР КИТ предлагает набор NM9221.
Набор состоит из заводской печатной платы, всех необходимых компонентов и инструкции по сборке и эксплуатации. Набор комплектуется запрограммированными ПЛИС с полной версией прошивки, отображающей все POST коды.
Более подробно ознакомиться с ассортиментом нашей продукции можно с помощью каталога "МАСТЕР КИТ-2005" и на нашем сайте, где представлено много полезной информации по электронным наборам и модулям МАСТЕР КИТ и приведены адреса магазинов, где их можно купить.
На сайте МАСТЕР КИТ работает конференция и электронная подписка на рассылку новостей, в разделе "КИТы в журналах" предложены радиотехнические статьи, а также много интересной информации для радиолюбителей и специалистов. Наш ассортимент постоянно расширяется и дополняется новинками, созданными с использованием новейших достижений современной электроники.
Наборы, блоки и модули МАСТЕР КИТ можно купить в магазинах радиодеталей вашего города.