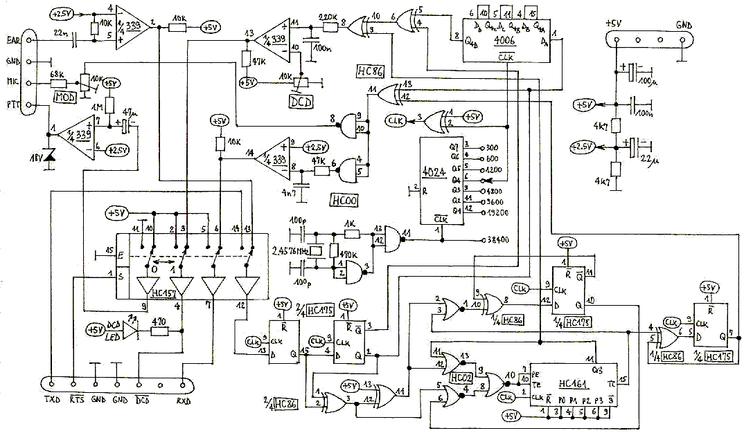
Радиомодем на 2400 - 76800 бод
Ratings
(0)
Doc
19 июня 2010
Просмотров: 3760
Обсудить эту статью
Войдите, чтобы комментировать
Обсудить эту статью на форуме (0 ответов).
Вы здесь:
Главная
Cхемы
Компьютеры и периферийные устройства
Радиомодем на 2400 - 76800 бод
Поиск
Sign In
Главная
Cхемы
Программы
Библиотека
Форум
Справочный лист
Советы
Обзоры
Это интересно
Cсылки
Вся информация, предоставленная на данном ресурсе разрешена к ознакомлению детям школьного возраста. Все практическое использование может быть связана с повышенной электрической опасностью и разрешено детям только под присмотром взрослых.