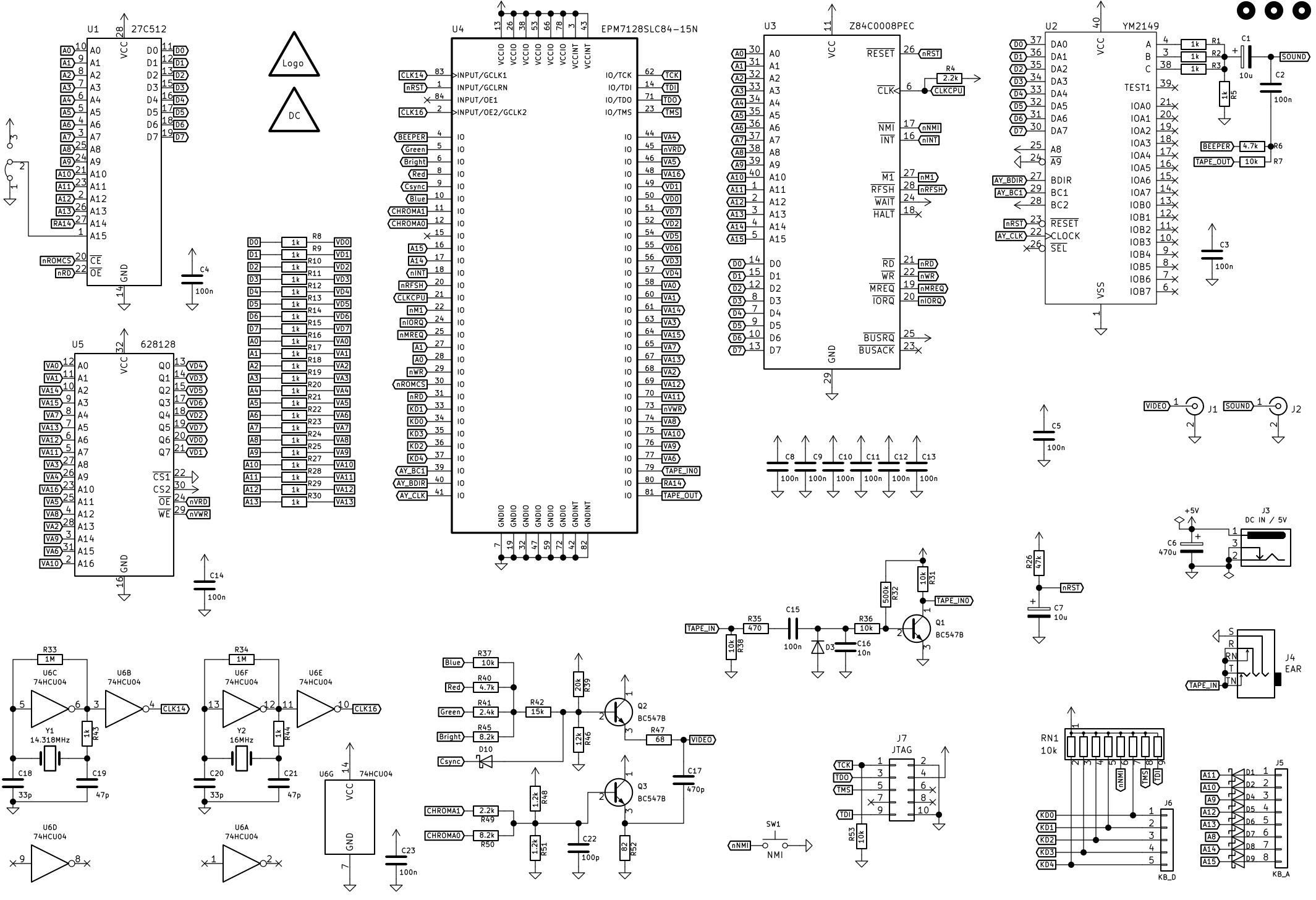
| C6 | 470u | CP_Radial_D10.0mm_P3.80mm | 1 |
| C7 | 10u | CP_Radial_D4.0mm_P2.00mm | 1 |
| C1 | 10u | CP_Radial_D6.3mm_P2.50mm | 1 |
| C18, C20 | 33p | C_Disc_D3.8mm_W2.6mm_P2.50mm | 2 |
| C19, C21 | 47p | C_Disc_D3.8mm_W2.6mm_P2.50mm | 2 |
| C17 | 470p | C_Disc_D3.8mm_W2.6mm_P2.50mm | 1 |
| C22 | 100p | C_Disc_D3.8mm_W2.6mm_P2.50mm | 1 |
| C2, C3, C4, C5, C8, C9, C10, C11, C12, C13, C14, C15, C23 | 100n | C_Disc_D7.0mm_W2.5mm_P5.00mm | 13 |
| C16 | 10n | C_Disc_D7.0mm_W2.5mm_P5.00mm | 1 |
| R1, R2, R3, R5, R8, R9, R10, R11, R12, R13, R14, R15, R16, R17, R18, R19, R20, R21, R22, R23, R24, R25, R27, R28, R29, R30, R43, R44 | 1k | R_Axial_DIN0204_L3.6mm_D1.6mm_P7.62mm_Horizontal | 28 |
| R7, R31, R36, R37, R38, R53 | 10k | R_Axial_DIN0204_L3.6mm_D1.6mm_P7.62mm_Horizontal | 6 |
| R4, R49 | 2.2k | R_Axial_DIN0204_L3.6mm_D1.6mm_P7.62mm_Horizontal | 2 |
| R6, R40 | 4.7k | R_Axial_DIN0204_L3.6mm_D1.6mm_P7.62mm_Horizontal | 2 |
| R33, R34 | 1M | R_Axial_DIN0204_L3.6mm_D1.6mm_P7.62mm_Horizontal | 2 |
| R45, R50 | 8.2k | R_Axial_DIN0204_L3.6mm_D1.6mm_P7.62mm_Horizontal | 2 |
| R48, R51 | 1.2k | R_Axial_DIN0204_L3.6mm_D1.6mm_P7.62mm_Horizontal | 2 |
| R26 | 47k | R_Axial_DIN0204_L3.6mm_D1.6mm_P7.62mm_Horizontal | 1 |
| R32 | 500k | R_Axial_DIN0204_L3.6mm_D1.6mm_P7.62mm_Horizontal | 1 |
| R35 | 470 | R_Axial_DIN0204_L3.6mm_D1.6mm_P7.62mm_Horizontal | 1 |
| R39 | 20k | R_Axial_DIN0204_L3.6mm_D1.6mm_P7.62mm_Horizontal | 1 |
| R41 | 2.4k | R_Axial_DIN0204_L3.6mm_D1.6mm_P7.62mm_Horizontal | 1 |
| R42 | 15k | R_Axial_DIN0204_L3.6mm_D1.6mm_P7.62mm_Horizontal | 1 |
| R46 | 12k | R_Axial_DIN0204_L3.6mm_D1.6mm_P7.62mm_Horizontal | 1 |
| R47 | 68 | R_Axial_DIN0204_L3.6mm_D1.6mm_P7.62mm_Horizontal | 1 |
| R52 | 82 | R_Axial_DIN0204_L3.6mm_D1.6mm_P7.62mm_Horizontal | 1 |
| D1, D2, D4, D5, D6, D7, D8, D9, D10 | BAT85 | D_DO-35_SOD27_P7.62mm_Horizontal | 9 |
| D3 | 1N4148 | D_DO-35_SOD27_P7.62mm_Horizontal | 1 |
| U6 | 74HCU04 | DIP-14_W7.62mm_Socket | 1 |
| U1 | 27C512 | DIP-28_W15.24mm_Socket | 1 |
| U5 | 628128 | DIP-32_W15.24mm_Socket | 1 |
| U2 | YM2149 | DIP-40_W15.24mm_Socket | 1 |
| U3 | Z84C0008PEC | DIP-40_W15.24mm_Socket | 1 |
| U4 | EPM7128SLC84-15N | PLCC-84_THT-Socket | 1 |
| Y1 | 14.318MHz | Crystal_HC49-U_Vertical | 1 |
| Y2 | 16MHz | Crystal_HC49-U_Vertical | 1 |
| SW1 | SW_Push | SW_PUSH_6mm | 1 |
| JP1 | Jumper_3_Bridged12 | PinHeader_1x03_P2.54mm_Vertical | 1 |
| RN1 | 10k | R_Array_SIP9 | 1 |
| Q1, Q2, Q3 | BC547B | TO-92_Inline | 3 |
| J3 | DC-005 | BarrelJack_Horizontal | 1 |
| J1, J2 | RCJ-013 | CUI_RCJ-013 | 2 |
| J7 | Conn_02x05 | PinHeader_2x05_P2.54mm_Vertical | 1 |
| J6 | Conn_01x05 | PinSocket_1x05_P2.54mm_Vertical | 1 |
| J5 | Conn_01x08 | PinSocket_1x08_P2.54mm_Vertical | 1 |
| J4 | PJ307 | SWITCHCRAFT_35RAPC4BHN2 | 1 |
ZX-Spectrum "Sizif-128"
Александр Русин
Просмотров: 578