Простейшая 3-х канальная цветомузыкальная установка

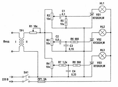
На рисунке приведена схема самой примитивной цветомузыкальной установки на три канала. Данная ЦМУ включает простейшие пассивные фильтры на RC элементах, сигналы с выхода которых управляют тиристорными ключами. Излучатели питаются от источника постоянного напряжения 220 В.

Верхним по схеме является фильтр НЧ, настраиваемый на частоту 100...200 Гц, ниже по схеме идет полосовой фильтр СЧ (200...6000 Гц), а внизу — фильтр ВЧ (6000...7000 Гц). Каналам НЧ, СЧ и ВЧ соответствуют лампы красного, зеленого и синего цветов. Поскольку данная схема не содержит предварительного усилителя, входной сигнал должен иметь амплитуду 0,8...2 В. Уровень сигнала регулируется с помощью резистора R1. Резисторы R2, R3. R4 предназначены для регулирования уровней сигнала по каждому каналу в отдельности.

Трансформатор ТР1 выполняется на сердечнике Ш16х24 из трансформаторной стали. Обмотка I содержит 60 витков провода ПЭЛ 0,51. обмотка II — 100 витков ПЭЛ 0,51. Может использоваться и любой другой малогабаритный трансформатор (например, от транзисторных приемников) с соотношением витков в обмотках близким к 1:2. Тиристоры необходимо установить на теплоотводя-щие радиаторы в том случае, если суммарная мощность ламп на один канал будет превышать 200 Вт.

Представленная 3-х канальная ЦМУ очень проста в изготовлении, однако обладает множеством недостатков. Это, во-первых, большой требуемый входной уровень сигнала, во-вторых, малое входное сопротивление, в-третьих, резкое мигание ламп, вызванное отсутствием компрессии и примитивизмом применяемых фильтров.

 

Обсудить эту статью на форуме (0 ответов).
Вся информация, предоставленная на данном ресурсе разрешена к ознакомлению детям школьного возраста. Все практическое использование может быть связана с повышенной электрической опасностью и разрешено детям только под присмотром взрослых.