Данное устройство предназначено для использования его в прихожей квартиры для автоматического выключения света через 30...90 секунд после его включения кнопкой SB1 (звонковой) или SB2 (внутри квартиры). Этого времени достаточно, чтобы раздеться.
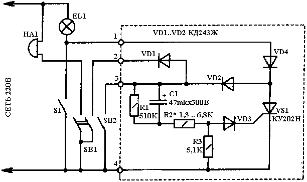
Схема, рис. 1, состоит из тиристора VS1, который будет находиться в открытом состоянии в течение времени, пока идет заряд конденсатора С1. Кнопку SB2 можно установить рядом с уже имеющимся в квартире включателем света S1 (включателем удобно пользоваться, если свет нужен надолго, например при наведении порядка). Кнопка SB1 находится снаружи двери и является звонковой. При нажатии на нее зазвенит звонок и включится свет в прихожей на установленный при настройке интервал времени, что позволит при свете подойти к двери.
При работе схемы автомата в режиме освещения, лампа ЕL1 будет светиться вполнакала, так как она работает на одной полуволне сетевого напряжения, но этого вполне достаточно для освещения, а увеличить яркость можно, увеличив мощность лампочки.
При желании схему легко дополнить еще одной кнопкой - SB3 (включенной параллельно с кнопкой SB2), которая будет связана с дверью и при ее открывании включит свет. Устройство может найти и другие применения, например для включения света в подвале. В этом случае кнопка SB1 и звонок не нужны, а время работы освещения можно увеличить, применив конденсатор С1 большей емкости (в схеме применен конденсатор типа К50-29 на 300 В) или подобрав резистор R2. Для стабильной работы схемы ток утечки у конденсатора должен быть минимальным. В качестве кнопки SB2 удобно использовать любой двухсекционный включатель света, доработав одну секцию для использования ее в качестве кнопки. Для этого под подвижный контакт подкладывается пористая резина, которая не позволит одной секции включателя находиться в фиксированном состоянии после нажатия на нее. Имеющуюся кнопку звонка можно доработать, дополнив ее еще одним контактом, но если у вас есть реле с рабочим напряжением 220 В можно обойтись одной группой контактов. При этом реле включается параллельно со звонком и при его срабатывании своими контактами (работающими вместо второй группы контактов кнопки) разряжает С1.
Топология печатной платы и расположение на ней элементов приведено на рис.2. По сравнению с другими опубликованными устройствами аналогичного назначения данная схема имеет меньшие габариты, не содержит дефицитных деталей и проще в изготовлении и подключении.