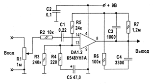
Схема предварительного усилителя ЦМУ. На вход усилителя можно подавать сигнал непосредственно с линейного выхода любого звуковоспроизводящего устройства. Резистором R1 осуществляют подстройку уровня входного сигнала. Усилитель собран на микросхеме К548УН1А (используется только одна половина микросхемы, имеющей в своем составе два канала УНЧ). Резистор R5 предназначен для коррекции обратной связи усилителя.
Предварительны усилитель для цветомузыки
Doc
Просмотров: 6188