Осцилограф С1-94 своими силами

Захарычев Е.В., инженер-конструктор

Многим специалистам, а особенно радиолюбителям, хорошо известен осциллограф С1-94 (рис. 1). Прибор, при своих достаточно неплохих технических характеристиках, имеет весьма небольшие габариты и вес, а также относительно невысокую стоимость. Благодаря этому модель сразу завоевала популярность среди специалистов, занимающихся мобильным ремонтом различной электронной техники, не требующим очень широкой полосы частот входных сигналов и наличия двух каналов для одновременных измерений. В настоящее время в эксплуатации находится достаточно большое количество таких осциллографов.
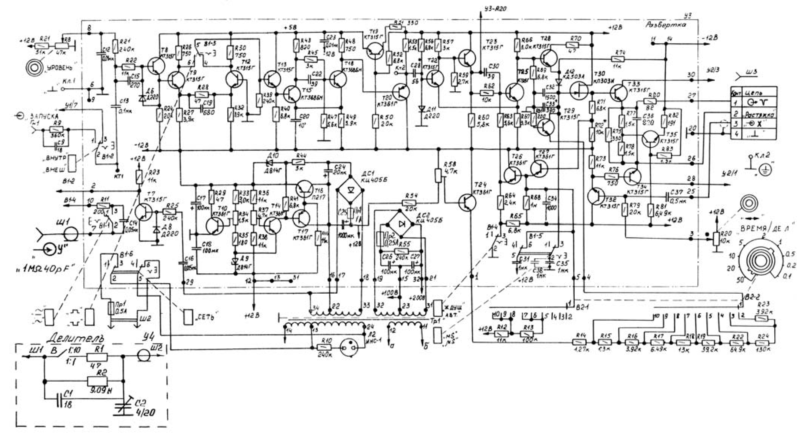
В связи с этим данная статья предназначена для специалистов, у которых возникла необходимость ремонта и настройки осциллографа С1-94. Осциллограф имеет обычную для приборов подобного класса структурную схему (рис. 2). Она содержит канал вертикального отклонения (КВО), канал горизонтального отклонения (КТО), калибратор, электронно-лучевой индикатор с высоковольтным источником питания и низковольтный источник питания.
КВО состоит из переключаемого входного делителя, предварительного усилителя, линии задержки и оконечного усилителя. Он предназначен для усиления сигнала в частотном диапазоне 0...10 МГц до уровня, необходимого для получения заданного коэффициента отклонения по вертикали (10 мВ/дел ... 5 В/дел с шагом 1-2-5), с минимальными амплитудно-частотными и фазо-частот-ными искажениями.
КГО включает в себя усилитель синхронизации, триггер синхронизации, схему запуска, генератор развертки, схему блокировки и усилитель развертки. Он предназначен для обеспечения линейного отклонения луча с заданным коэффициентом развертки от 0,1 мкс/дел до 50 мс/дел с шагом 1-2-5.
Калибратор вырабатывает сигнал для калибровки прибора по амплитуде и времени.
Узел электронно-лучевого индикатора состоит из электронно-лучевой трубки (ЭЛТ), схемы питания ЭЛТ и схемы подсвета.
Низковольтный источник предназначен для питания всех функциональных устройств напряжениями +24 В и ± 12 В. Рассмотрим работу осциллографа на уровне принципиальной схемы (рис. 3).
Исследуемый сигнал через входной разъем Ш1 и кнопочный переключатель В1-1 («Открытый/Закрытый вход») поступает на входной переключаемый делитель на элементах R3...R6, R11, С2, С4... С8. Схема входного делителя обеспечивает постоянство входного сопротивления независимо от положения переключателя чувствительности по вертикали В1 («V/ДЕЛ.»). Конденсаторы делителя обеспечивают частотную компенсацию делителя во всей полосе частот.
С выхода делителя исследуемый сигнал поступает на вход предварительного усилителя КВО (блок У1). На полевом транзисторе Т1-У1 собран истоковый повторитель для переменного входного сигнала. По постоянному току этот каскад обеспечивает симметрию рабочего режима для последующих каскадов усилителя. Делитель на резисторах R1-Y1, R5-yi обеспечивает входное сопротивление усилителя равное 1МОм. Диод Д1-У1 и стабилитрон Д2-У1 обеспечивают защиту входа от перегрузок.
Двухкаскадный предварительный усилитель выполнен на транзисторах Т2-У1...Т5-У1 с общей отрицательной обратной связью (ООС) через R19-Y1, R20-Y1, R2-Y1, R3-Y1, С2-У1, Rl, C1, которая позволяет получить усилитель с необходимой полосой пропускания, которая практически не изменяется при ступенчатом изменении коэффициента усиления каскада в два и пять раз. Изменение коэффициента усиления осуществляется изменением сопротивления между эмиттерами транзисторов VT2-Y1, VT3-У1 путем коммутации резисторов R3-yi, R16-yi и Rl параллельно резистору R16-yi. Балансировка усилителя осуществляется изменением потенциала базы транзистора ТЗ-У1 резистором R9-yi, который выведен под шлиц. Смещение луча по вертикали производится резистором R2 (« X ») путем изменения базовых потенциалов транзисторов Т4-У1, Т5-У1 в противофазе. Корректирующая цепочка R2-Y1, С2-У1, С1 осуществляет частотную коррекцию коэффициента усиления в зависимости от положения переключателя В1.1.
Для исключения паразитных связей по цепям питания предварительный усилитель запитывается через фильтр R42-У1, С10-У1, R25-Y1, СЗ-У1 от источника -12 В и через фильтр R30-Y1, С7-У1, R27-Y1, С4-У1 от источника +12 В.
Для задержки сигнала относительно начала развертки введена линия задержки Л31, являющаяся нагрузкой усилительного каскада на транзисторах Т7-У1, Т8-У1. Выход линии задержки включен в базовые цепи транзисторов оконечного каскада, собранного на транзисторах Т9-У1, Т10-У1, Т1-У2, Т2-У2. Такое включение линии задержки обеспечивает согласование ее с каскадами предварительного и оконечного усилителей. Частотная коррекция коэффициента усиления выполняется цепочкой R35-Y1, С9-У1, а в каскаде оконечного усилителя — цепочкой С11-У1, R46-Y1, С12-У1. Коррекция калиброванных значений коэффициента отклонения при эксплуатации и смене ЭЛТ осуществляется резистором R39-Y1, выведенным под шлиц. Оконечный усилитель собран на транзисторах Т1-У2, Т2-У2 по схеме с общей базой с резистивной нагрузкой R11-Y2... R14-Y2, что позволяет достичь необходимой полосы пропускания всего канала вертикального отклонения. С коллекторных нагрузок сигнал поступает на вертикальные отклоняющие пластины ЭЛТ.
Исследуемый сигнал со схемы предварительного усилителя КВО через каскад эмиттерного повторителя на транзисторе Т6-У1 и переключатель В1.2 поступает также на вход усилителя синхронизации КГО для синхронного запуска схемы развертки.
Канал синхронизации (блок УЗ) предназначен для запуска генератора развертки синхронно со входным сигналом для получения неподвижного изображения на экране ЭЛТ. Канал состоит из входного эмиттерного повторителя на транзисторе Т8-УЗ, дифференциального каскада усиления на транзисторах Т9-УЗ, Т12-УЗ и триггера синхронизации на транзисторах Т15-УЗ, Т18-УЗ, представляющего собой несимметричный триггер с эмиттер-ной связью с эмиттерным повторителем на входе на транзисторе Т 13-У2.
В базовую цепь транзистора Т8-УЗ включен диод Д6-УЗ, предохраняющий схему синхронизации от перегрузок. С эмиттерного повторителя синхронизирующий сигнал поступает на дифференциальный каскад усиления. В дифференциальном каскаде осуществляется переключение (В1-3) полярности синхронизирующего сигнала и усиление его до величины, достаточной для срабатывания триггера синхронизации. С выхода дифференциального усилителя синхросигнал через эмиттерныи повторитель поступает на вход триггера синхронизации. С коллектора транзистора Т18-УЗ снимается сигнал, нормированный по амплитуде и форме, который через развязывающий эмиттерныи повторитель на транзисторе Т20-УЗ и дифференцирующую цепочку С28-УЗ, R56-Y3 управляет работой схемы запуска.
Для повышения устойчивости синхронизации усилитель синхронизации совместно с триггером синхронизации питается от отдельного стабилизатора напряжения 5 В на транзисторе Т19-УЗ.

 

Продифференцированный сигнал поступает на схему запуска, которая совместно с генератором развертки и схемой блокировки обеспечивает формирование линейно изменяющегося пилообразного напряжения в ждущем и автоколебательном режимах.
Схема запуска представляет собой несимметричный триггер с эмиттерной связью на транзисторах Т22-УЗ, Т23-УЗ, Т25-УЗ с эмиттерным повторителем на входе на транзисторе Т23-УЗ. Начальное состояние схемы запуска: транзистор Т22-УЗ открыт, транзистор Т25-УЗ открыт. Потенциал, до которого заряжен конденсатор С32-УЗ, определяется потенциалом коллектора транзистора Т25-УЗ и равен примерно 8 В. Диод Д12-УЗ открыт. С приходом отрицательного импульса на базу Т22-УЗ схема запуска инвертируется, и отрицательный перепад на коллекторе Т25-УЗ запирает диод Д12-УЗ. Схема запуска отключается от генератора развертки. Начинается формирование прямого хода развертки. Генератор развертки находится в ждущем режиме (переключатель В1-4 в положении «ЖДУЩ»). При достижении амплитуды пилообразного напряжения порядка 7 В схема запуска через схему блокировки, транзисторы Т26-УЗ, Т27-УЗ возвращается в исходное состояние. Начинается процесс восстановления, в течение которого времязадающий конденсатор С32-УЗ заряжается до исходного потенциала. Во время восстановления схема блокировки поддерживает схему запуска в исходном состоянии, не позволяя импульсам синхронизации перевести ее в другое состояние, то есть обеспечивает задержку запуска развертки на время, необходимое для восстановления генератора развертки в ждущем режиме и автоматический запуск развертки в автоколебательном режиме. В автоколебательном режиме работа генератора развертки происходит в положении «АВТ» переключателя В1-4, а запуск и срыв работы схемы запуска — от схемы блокировки изменением ее режима.
В качестве генератора развертки выбрана схема разряда времязадающего конденсатора через стабилизатор тока. Амплитуда линейно изменяющегося пилообразного напряжения, формируемого генератором развертки, равна примерно 7 В. Времязадающий конденсатор С32-УЗ во время восстановления быстро заряжается через транзистор Т28-УЗ и диод Д12-УЗ. Во время рабочего хода диод Д12-УЗ запирается управляющим напряжением схемы запуска, отключая цепь времязадающего конденсатора от схемы запуска. Разряд конденсатора происходит через транзистор Т29-УЗ, включенный по схеме стабилизатора тока. Скорость разряда времязадающего конденсатора (а, следовательно, и значение коэффициента развертки) определяется величиной тока транзистора Т29-УЗ и изменяется при переключении времязадающих сопротивлений R12...R19, R22...R24 в цепи эмиттера с помощью переключателей В2-1 и В2-2 («ВРЕМЯ/ДЕЛ.»). Диапазон скоростей развертки имеет 18 фиксированных значений. Изменение коэффициента развертки в 1000 раз обеспечивается переключением времязадающих конденсаторов С32-УЗ, С35-УЗ переключателем В1-5 («mS/mS»).
Настройка коэффициентов развертки с заданной точностью производится конденсатором СЗЗ-УЗ в диапазоне «mS», а в диапазоне «mS» — подстроеч-ным резистором R58-y3, путем изменения режима эмиттерного повторителя (транзистор Т24-УЗ), питающего вре-мязадающие резисторы.
Схема блокировки представляет собой эмиттерный детектор на транзисторе Т27-УЗ, включенном по схеме с общим эмиттером, и на элементах R68-y3, С34-УЗ. На вход схемы блокировки поступает пилообразное напряжение с делителя R71-y3, R72-y3 в истоке транзистора ТЗО-УЗ. Во время рабочего хода развертки емкость детектора С34-УЗ заряжается синхронно с напряжением развертки. Во время восстановления генератора развертки транзистор Т27-УЗ запирается, а постоянная времени эмиттерной цепи детектора R68-y3, С34-УЗ поддерживает схему управления в исходном состоянии. Ждущий режим развертки обеспечивается запиранием эмиттерного повторителя на Т26-УЗ переключателем В1-4 («ЖДУЩ./АВТ.»). В автоколебательном режиме эмиттерный повторитель находится в линейном режиме работы. Постоянная времени схемы блокировки изменяется ступенчато переключателем В2-1 и грубо В1-5. С генератора развертки пилообразное напряжение через истоковый повторитель на транзисторе ТЗО-УЗ поступает на усилитель развертки. В повторителе применен полевой транзистор для повышения линейности пилообразного напряжения и исключения влияния входного тока усилителя развертки. Усилитель развертки усиливает пилообразное напряжение до величины, обеспечивающей заданный коэффициент развертки. Усилитель выполнен двухкаскадным, дифференциальным, по каскодной схеме на транзисторах ТЗЗ-УЗ, Т34-УЗ, ТЗ-У2, Т4-У2 с генератором тока на транзисторе Т35-УЗ в эмиттерной цепи. Частотная коррекция коэффициента усиления осуществляется конденсатором С36-УЗ. Для повышения точности временных измерений в КВО прибора предусмотрена растяжка развертки, которая обеспечивается изменением коэффициента усиления усилителя развертки путем параллельного соединения резисторов 1175-УЗ, R80-УЗ при замыкании контактов 1 и 2 («Растяжка») разъема ШЗ.
Усиленное напряжение развертки снимается с коллекторов транзисторов ТЗ-У2, Т4-У2 и подается на горизонтально отклоняющие пластины ЭЛТ.
Изменение уровня синхронизации производится изменением потенциала базы транзистора Т8-УЗ резистором R8 («УРОВЕНЬ»), выведенным на переднюю панель прибора.
Смещение луча по горизонтали осуществляется изменением напряжения базы транзистора Т32-УЗ резистором R20 («<->»), выведенным также на переднюю панель прибора.
В осциллографе имеется возможность подачи внешнего сигнала синхронизации через гнездо 3 («Выход X») разъема ШЗ на эмиттерный повторитель Т32-УЗ. Кроме того, предусмотрен выход пилообразного напряжения порядка 4 В с эмиттера транзистора ТЗЗ-УЗ на гнездо 1 («Выход "Ч"») разъема ШЗ.
Высоковольтный преобразователь (блок У31) предназначен для питания ЭЛТ всеми необходимыми напряжениями. Он собран на транзисторах Т1-У31, Т2-У31, трансформаторе Tpl и питается от стабилизированных источников +12В и -12В, что позволяет иметь стабильные напряжения питания ЭЛТ при изменении напряжения питающей сети. Напряжение питания катода ЭЛТ -2000 В снимается со вторичной обмотки трансформатора через схему удвоения Д1-У31, Д5-У31, С7-У31, С8-У31. Напряжение питания модулятора ЭЛТ снимается с другой вторичной обмотки трансформатора также через схему умножения Д2-У31, ДЗ-У31, Д4-У31, СЗ-У31, С4-У31, С5-У31. Для уменьшения влияния преобразователя на источники питания применен эмиттерный повторитель ТЗ-У31.
Питание накала ЭЛТ производится от отдельной обмотки трансформатора Tpl. Напряжение питания первого анода ЭЛТ снимается с резистора 1110-У31 («ФОКУСИРОВКА»). Регулирование яркости луча ЭЛТ производится резистором Ш8-У31 («ЯРКОСТЬ»). Оба резистора выведены на переднюю панель осциллографа. Напряжение питания второго анода ЭЛТ снимается с резистора Ш9-У2 (выведен под шлиц).
Схема подсвета в осциллографе представляет собой симметричный триггер, питаемый от отдельного источника 30 В относительно источника питания катода -2000 В, и выполнена на транзисторах Т4-У31, Т6-У31. Запуск триггера осуществляется положительным импульсом, снимаемым с эмиттера транзистора Т23-УЗ схемы запуска. Исходное состояние триггера подсвета Т4-У31 открыт, Т6-У31 закрыт. Положительный перепад импульса со схемы запуска переводит триггер подсвета в другое состояние, отрицательный — возвращает в исходное состояние. В результате на коллекторе Т6-У31 формируется положительный импульс с амплитудой 17 В, по длительности равный длительности прямого хода развертки. Этот положительный импульс подается на модулятор ЭЛТ для подсвета прямого хода развертки.

РЕЖИМЫ АКТИВНЫХ ЭЛЕМЕНТОВ ПО ПОСТОЯННОМУ ТОКУ
Обозначение Напряжение, В
  Коллектор, сток Эмиттер, исток База, затвор
Усилитель У1
Т1 8,0-8,3 0,6-1 0
Т2 -(3,8-5,0) 1,3-1,8 0,6-1,2
ТЗ -(3,8-5,0) 1,3-1,8 0,6-1,2
Т4 -(1,8-2,5) -(4,5-5,5) -(3,8-5,0)
Т5 -(1,8-2,5) -(4,5-5,5) -(3,8-5,0)
Т6 -(11,3-11,5) -(1,3-1,9) -(1,8-2,5)
Т7 0,2-1,2 -(2,6-3,4) -(1,8-2,5)
Т8 0,2-1,2 -(2,6-3,4) -(1,8-2,5)
Т9 6,5-7,8 0-0,7 0,2-1,2
Т10 6,5-7,8 0-0,7 0,2-1,2
Усилитель У2
Т1 60-80 8,3-9,0 8,8-9,5
Т2 60-80 8,3-9,0 8,8-9,5
ТЗ 100-180 11,0-11,8 11,8-12,3
Т4 100-180 11,0-11,8 11,8-12,3
Развертка УЗ
Т1 -(11-9) 12 13,5-14,5
Т2 -(11-9) 12 13,5-14,5
ТЗ -(10,5-11,5) -(10,1-11,1) -(11,0-10,4)
Т4 -(18-23) -(8,2-10,2) -(8,5-10,5)
Т6 -(14,5-17) -(8-10,2) -(8-10,5)
Т7 6-6,5 0 0-0,2
Т8 4,5-5,5 -(0,5-0,8) 0
Т9 4,5-5,5 -(0,7-0,9) -(0,6-0,8)
Т10 -(11,4-11,8) 0 -(0,6-0,8)
Т12 0,5-1,5 -(0,6-0,8) 0
Т13 4,5-5,5 3,7-4,8 4,5-5,6
Т14 -(12,7-13) от-0,3 до 2,0 от -1 до 1,5
Т15 3,0-4,2 3,0-4,2 3,6-4,8
Т16 -(25-15,0) -12 -(12,0-12,3)
Т17 -(25-15) -(12,0-12,3) -(12,6-13)
Т18 4,5-5,5 3,0-4,1 2,0-2,6
Т19 7,5-8,5 4,5-5,5 5,2-6,1
Т20 -12 5,1-6,1 4,5-5,5
Т22 0,4-1 от-0,2 до 0,2 0,5-0,8
Т23 12 от-0,3 до 0,3 0,4-1
Т24 -12 -(9,6-11,3) -(10,5-11,9)
Т25 8,0-8,5 от-0,2 до 0,2 от-0,2 до 0,2
Т26 -12 от-0,2 до 0,2 0,3-1,1
Т27 -12 0,3-1,1 от-0,2 до 0,4
Т28 11,8-12 7,5-7,8 8,0-8,5
Т29 6,8-7,3 -(0,5-0,8) 0
ТЗО 12 7,3-8,3 6,8-7,3
Т32 12 6,9-8,1 7,5-8,8
ТЗЗ 10,6-11,5 6,1-7,6 6,8-8,3
Т34 10,6-11,5 6,1-7,4 6,8-8,1
Т35 -(4,8-7) -(8,5-8,9) -(8,0-8,2)
Осциллограф имеет простейший калибратор амплитуды и времени, который выполнен на транзисторе Т7-УЗ и представляет собой схему усилителя в режиме ограничения. На вход схемы поступает синусоидальный сигнал с частотой питающей сети. С коллектора транзистора Т7-УЗ снимаются прямоугольные импульсы с такой же частотой и амплитудой 11,4... 11,8 В, которые подаются на входной делитель КВО в положении 3 («Т») переключателя В1. При этом чувствительность осциллографа устанавливается 2 В/дел, а калибровочные импульсы должны занимать пять делений вертикальной шкалы осциллографа. Калибровка коэффициента развертки производится в положении 2 переключателя В2 и положении «mS» переключателя В1-5.
Напряжения источников 100 В и 200 В не стабилизированы и снимаются со вторичной обмотки силового трансформатора Tpl через схему удвоения ДС2-УЗ, С26-УЗ, С27-УЗ. Напряжения источников +12 В и -12 В стабилизированы и получаются из стабилизированного источника 24 В. Стабилизатор на 24 В выполнен на транзисторах Т14-УЗ, Т16-УЗ, Т17-УЗ. Напряжение на вход стабилизатора снимается со вторичной обмотки трансформатора Tpl через диодный мост ДС1-УЗ. Подстройка стабилизованного напряжения 24 В производится резистором R37-y3, выведенным под шлиц. Для получения источников +12 В и -12 В в схему включен эмиттерный повторитель Т10-УЗ, база которого питается от резистора R24-y3, которым осуществляется подстройка источника +12 В.
При проведении ремонта и последующей настройке осциллографа прежде всего необходимо проверить режимы активных элементов по постоянному току на соответствие их значениям, приведенным в табл. 1. В случае, если проверяемый параметр не укладывается в допустимые границы, нужно проверить исправность соответствующего активного элемента, а при его исправности — и элементы «обвязки» в данном каскаде. При замене активного элемента на аналогичный может потребоваться подстройка режима работы каскада (при наличии соответствующего подстроечного элемента), но в большинстве случаев этого делать не приходиться, т.к. каскады охвачены отрицательной обратной связью, и поэтому разброс параметров активных элементов не сказывается на нормальной работе прибора.
В случае появления неисправностей, связанных с работой электронно-лучевой трубки (плохая фокусировка, недостаточная яркость луча и т.п.), необходимо проверить соответствие напряжений на выводах ЭЛТ значениям, приведенным в табл. 2. Если измеренные величины не соответствуют табличным, нужно проверить исправность узлов, ответственных за выработку этих напряжений (источник высокого напряжения, выходные каналы КВО и КГО и т.д.). Если же подводимые к ЭЛТ напряжения укладываются в пределы допустимого, значит проблема в самой трубке, и ее нужно заменить.

 

 

 

 

 

 

 

 

Обсудить эту статью на форуме (0 ответов).
Вся информация, предоставленная на данном ресурсе разрешена к ознакомлению детям школьного возраста. Все практическое использование может быть связана с повышенной электрической опасностью и разрешено детям только под присмотром взрослых.