Цифровой минитестер

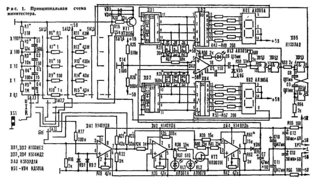
Все большую популярность у радиолюбителей завоевывают цифровые измерительные приборы Однако те из них, что выпускает промышленность, хотя и обладают высокими эксплуатационными параметрами, но громоздки и тяжелы, да еще и недешевы. Малогабаритный цифровой авометр, предлагаемый мной на конкурс «Вычислительная техника», не уступает по возможностям своим серийным собратьям, построен на широко распространенной элементной базе, прост в налаживании, удобен и недорог. Во время работы прибор закрепляют на кисти правой руки, и при измерениях цифровое табло всегда находится в поле зрения оператора. Цифровой авометр показывает на двухразрядном цифровом табло значения постоянных и переменных напряжений и токов, а также сопротивлений. Причем их полярность определяется автоматически. А если измеряемый параметр превышает выбранный предел, загорается индикатор «Перегрузка». Пределы измерений и режимы работы выбирают с помощью галетных переключателей. Величина измеряемого напряжения, тока или сопротивления нормируется и призодится к уровню 0 — 100 мВ с помощью входных делителей, собранных на резисторах R1—R15 (рис. 1). Это напряжение поступает на вход усилителя, выполненного на микросхеме DA1. Коэффициент его усиления подбирают резистором R21 при измерении постоянных напряжений и токов и R23 — для переменных. Микросхемы DA2, DA4 выполняют функцию преобразователя входного сигнала произвольной полярности в выходной положительной полярности. Поскольку у ИС DA2 резистор обратной связи имеет большую величину, усиление ее велико и при небольшом положительном или отрицательном напряжении на входе эта микросхема переходит в состояние соответственно отрицательного или положительного насыщения, о чем сигнализируют светодиоды HL1 или HL2, индицируя знак измеряемой величины. Напряжение с выхода DA2 закрывает либо открывает полевой транзистор VT2. В первом случае он представляет собой очень большое сопротивление, и микросхема DA4 не инвертирует входной сигнал, а передает его на выход с единичным усилением в положительной полярности. Во втором случае отрицательный сигнал инвертируется и также поступает на выход в положительной полярности. Единичное усиление обеспечивается с помощью резисторов R39—R41, R61. При измерении постоянных напряжений и токов уровень сигнала на выходе DA4 изменяется пропорционально входному на DA1. Измерение переменных напряжений и токов вызывает одновременное свечение индикаторов знака HL1, HL2, и переключатель SA3 нужно перевести в положение « ~ ». Тогда на выходе DA4 устанавливается действующее значение напряжения тока синусоидальной формы. Когда нужно измерить сопротивление, переключатели SA2 и SA3 переводят соответственно в положение «R» и «=». При этом ко входному гнезду подключается генератор стабильного тока на транзисторе VT1 и падение напряжения на измеряемом резисторе будет пропорционально величине его сопротивления. Протекающий в измеряемой цепи ток даже на самом нижнем пределе «0,1 кОм» не превышает 1 мА (при напряжении 4,5 В). Диоды VD1, VD2 защищают вход прибора от перегрузок и должны пропускать обратные токи. Постоянное напряжение с выхода DA4 поступает на инвертирующий вход операционного усилителя DA3, а переменное однополярное напряжение выпрямляется диодом VD6, сглаживается и поступает на тот же вход. На остальных элементах выполнены цифровой индикатор и аналого-цифровой преобразователь. Последний служит для сравнения измеряемого и ступенчатого возрастающего эталонного напряжений. Исходное напряжение подают на инвертирующий вход ОУ DA3, выполняющего функции компаратора (устройство сравнения). На неинвертирующий вход поступает эталонное ступенчатое напряжение. Формируется оно следующим образом. Предположим, что двоично-десятичные счетчики DD1 и DD2 находятся в «нулевом» состоянии и напряжение на выводе 5 DA3 также равно нулю. Тогда компаратор выключен и на выводе 11 DD5.2. присутствует низкий уровень напряжения — мультивибратор DD5.3., DD5.4. генерирует импульсы, поступающие в двухразрядный счетчик DD1, DD2 На соответствующих выводах счетчиков образуется высокий логический уровень, который через резистивную матрицу на R27 — R34 передается на вывод 5 DA3. Поскольку счетчики работают в коде 1-2-4-8, то, выбрав номиналы резисторов матрицы в отношении 1:2:4:8 и обеспечив для младшего разряда счетчика в десять раз меньший уровень, чем в старшем разряде, получим возрастающее ступенчатое напряжение с количеством ступенек 99. Итак, эталонное напряжение возрастает ступенчато и на каком-то шаге станет равным исходному. В этот момент на выводе 10 DA3 появляется положительное напряжение и конденсатор С6 заряжается через резисторы R59, R60. Зарядный ток поддерживает высокий логический уровень на входе DD5.1. Уровень логической единицы появляется также на выводе 11 DD5.2., запрещая работу мультивибратора и вводя в действие дешифраторы DD3, DD4. Поскольку мультивибратор не функционирует, зафиксированное счетчиками количество импульсов численно равно исходному напряжению. Это число индицируется на цифровом табло прибора. По мере заряда конденсатора С6 протекающий через резистор R60 ток уменьшается, и в момент, когда напряжение на нем становится ниже порога срабатывания инвертора DD5.1, на выходе элемента DD5.2. появляется уровень логического нуля, который запрещает работу дешифраторов и возобновляет генерацию мультивибратора. Индикаторы гаснут, счетчик считает до переполнения и затем сбрасывается в нулевое состояние, переводя компаратор в исходное положение. Если измеряемое напряжение больше максимального для выбранного предела, то сравнения не произойдет и компаратор останется в начальном состоянии. Индикаторы светиться не будут, но горит светодиод HL3, указывая на перегрузку прибора. Таким образом формируется автоматический измерительный цикл, состоящий из интервалов измерения и индикации. Отметим, что скорость преобразования зависит от частоты мультивибратора, а точность определяется только точностью и стабильностью резисторов матрицы и параметрами компаратора.

Рис. 1 принципиальная схема
Рис. 1 принципиальная схема

Минитестер собран на четырех печатных платах, каждая из которых представляет собой функционально законченный узел. Между собой платы соединены проводом МГТФ в соответствии с номерами, помещенными в кружках (см. рис. 2—5). На плате П1, представленной на рисунке 2, собраны дешифраторы с резисторами R43—R57 и входной делитель напряжения. На плате П2 (рис. 3) размещены преобразователь полярности и входной делитель тока. Плата ПЗ (рис. 4) содержит аналого-цифровой преобразователь, генератор стабильного тока и резисторы R11—R15. На плате П4 (рис. 5) размещены цифровые индикаторы и саетодиоды.

Рис.2. Плата дешифраторов и делителя напряжения со схемой расположения элементов
Рис.2. Плата дешифраторов и делителя напряжения со схемой расположения элементов
Рис.3. Плата преобразователя полярности и делителя тока со схемой расположения элементов
Рис.3. Плата преобразователя полярности и делителя тока со схемой расположения элементов
Рис.4. Плата АЦП и измерителя сопротивлений со схемой расположения элементов
Рис.4. Плата АЦП и измерителя сопротивлений со схемой расположения элементов
Рис.5. Плата индикатора со схемой расположения элэментов
Рис.5. Плата индикатора со схемой расположения элэментов
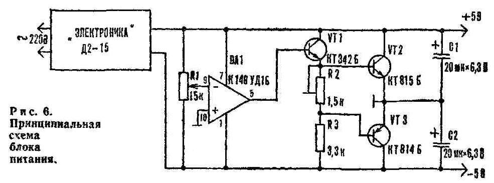
Рис.6. Принципиальная схема блока питания
Рис.6. Принципиальная схема блока питания

Платы изготовлены из двухсторонне-го фольгированного стеклотекстолита толщиной 1,5—2 мм, причем на платах П2, ПЗ фольгу со стороны деталей не удаляют, а лишь зенкуют все отверстия для исключения возможных замыканий. Фольга в этом случае играет роль защитного и теплового экрана. В качестве переключателей SA1—SA3 применены стандартные галетиые переключатели — 4 галеты на 5 положений и два направления. Переключатели доработаны и объединены в один блок. Из-за высокой плотности монтажа прибора контактные площадки на текстолитовых платах имеют маленькую площадь, повторные перепайки могут привести к отслоению фольги. Вот почему необходимо при изготовлении минитестера придерживаться определенной технологии. В качестве несущей используется плата П4, остальные крепятся к ней как листы книги В пары продольных отверстий платы П4, обозначенные условно А, Б, В., Г, Д, Е, надо вставить полоски тонкой луженой жести, проложить между каждой парой отрезок стальной проволоки диам.1 мм, затянуть проволоку полосками, разогнуть их на обратной стороме и припаять к фольге. Получились петли для навешивания других плат. Петли на остальных платах с внутренним 0 1 мм припаиваются или приклепываются в местах, условно обозначенных К, Л. Платы П1 и П2 крепятся в петлях соответственно А, Г и Б, Д монтажом вверх, плата ПЗ в петлях В, Е — монтажом вниз. Таким образом, по отношению к лицевой стороне платы П4 вырезы всех остальных плат будут находиться слева, образовав место для переключателей прибора. Следующий этап — электрический монтаж всех плат. Затем выполняют соединения между платами П4 и П1, подключают плату ПЗ и последней ставят плату П2. При сборке резисторы Rl—R15 должны быть подобраны заранее, резисторы R20, R22, R27—R34 впаивать на этом этапе не имеет смысла, поскольку их подбирают при налаживании прибора. То же можно сказать относительно R61. Диоды VD1, VD2 размещены под резистором R18.

ТЕХНИЧЕСКИ ХАРАКТЕРИСТИКИ МИНИТЕСТЕРА.

Пределы измерений:

постоянного и пераменного напряжения, В ............................................ 0,1; 1; 10; 100; 1000

постоянного и переменного тока, мА ........................................................0,1; 1; 10; 100; 1000

сопротивления, к0м ..................................................................................... 0,1; 1; 10; 100; 1000

Падение напряжения при измерении тока, мВ ....................................................100

Входное сопротивление, МОм ..................................................................................1

Полоса частот при измерении переменных напряжений и токов, Гц............ 0 - 25000

Погрешность измерения на пределах:

«0,1»; «1»; «10»; «100», % ...................................................................................не более 1

«1000», % .....................................................................................................................1,5

Напряжение питания двухполярное, В..................................................................... ±5

Потребляемая мощность, Вт .......................................................................................1

Габариты, мм ..........................................................................................................80х50хЗО

Масса, г.........................................................................................................................150

Все резисторы, кроме R6, R7. — МЛТ-0,125, R6, R7 — проволочные, провод ПЭВМ 0,4 или аналогичный высокоомный, R11 собран из четырех резисторов по 10 МОм. Подстроечные резисторы R18, R36, R42 — любые малогабаритные. Конденсаторы — керамические, например KM. C1—C4 должны быть подобраны с точностью не хуже 1 %, тоже касается и резисторов входного делителя. Электролитические конденсаторы: С7 — К53-1, С12, C13 — К50-6. Указанные на принципивяьной схеме полупроводниковые приборы и ИМС заменять на другие типы не рекомендуется. Исключение составляют лишь операционные усилители К140УД6, вместо которых можно использовать К140УД7. Гнездо XS1 — от микротелефона для транзисторных радиоприемников. Через разъем ХР2 минитестер соединяют с доработанным блоком питания «Электроника Д2-15» (рис. 6) или любым другим, имеющим стабилизированные напряжения +5 В (ток нагрузки 150 мА) и —5 В (ток нагрузки 15 мА). Настройка прибора доступна радиолюбителю средней квалификации. Вам потребуется осциллограф типа С1-70 или С1-101, универсальный вольтметр с точностью не хуже 0,5 %, например В7-16, звуковой генератор, батарея 3336Л. В крайнем случае можно использовать тестер класса 1,5, но точность настройки будет хуже. На отдельной макетной плате собирают входной делитель напряжения Rl — R5, С1 — С4 и подсоединяют к нему батарею 3336Л. С помощью вольтметра устанавливают напряжение таким образом, чтобы на каждом последующем резисторе (начиная с R5) оно уменьшалось в 10 раз. В противном случае устанавливают соответствующий резистор меньшего номинала и подчищают его проводящий слой микронной шлифовальной шкуркой, причем доводку выполняют обычной ученической резинкой. После подгонки сопротивлений резисторов их промывают, не касаясь проводящего слоя, в ацетоне и покрывают лаком методом окунания. Далее на вход делителя подают сигнал частотой не ниже 20 кГц со звукового генератора и подбирают емкости конденсаторов С1 — С4. Затем собирают делитель тока и, подключив к нему батарею на 4,5 В и добавочный переменный резистор, устанавливают величины токов, протекающих через резисторы R6, R7, R8, R9, R10, соответственно рваные 1000, 100, 10, 1, 0,1 мА. Причем падение напряжения на каждом отдельном резисторе должно составлять 100 мА. Точные их значения подгоняют описанным выше способом, кроме R6 и R7, у которых подбирают длину провода. И наконец монтируют измеритель сопротивлений. Ко входу устройства поочередно подсоединяют резисторы сопротивлением 1000, 100, 10, 1, 0,1 кОм и, подбирая величины R11 — R15, добиваются, чтобы через измеряемые резисторы протекали соответственно токи силой 0,1, 1, 10, 100, 1000 мкА. После этого элементы всех делителей впаивают в монтажную плату прибора. В петли платы П4 устанавливают платы П1, П3 и закрепляют их штифтами диам. 1 мм. Вывод 4 DA3 (рис. 1) заземляют через резистор сопротивлением 47 кОм, элемент R67 шунтируют перемычкой, вместо резисторов R27 — R30 впаивают цепочки, состоящие из постоянного и переменного резисторов: R27 (18+4,7) кОм, R28 (36+8,2) кОм, R29 (75+10) кОм, R30 (150+22) кОм, установив их значения в соответствии с принципиальной схемой. К выводу 5 DA3 подсоединяют осциллограф, к выводу 4 — вольтметр и включают питание ± 5 В. Помните, что при монтаже и настройке паяльник и измерительные приборы должны быть заземлены через общий резистор сопротивлением 1 МОм, иначе статический разряд выведет из строя микросхемы. Все пайки выполняют при отключенном источнике питания. На экране осциллографа наблюдают девять ступенек, последняя из которых расположена на уровне 2—2.4 В. Вращая движки дополнительных переменных резисторов, устанавливают амплитуды всех ступенек равными 210— 230 мВ при условии, чтобы соседние ступеньки отличались друг от друга не более чем на 10 мВ. После этого проверяют точность настройки. Параллельно батарее 3336Л припаивают переменный резистор сопротивлением 22-47 кОм. «Минусовой» вывод батарее соединяют с общим проводом минитестера, а движок переменного резистора — с выводом 4 DA3. Медленно вращая ручку резистора, получают в младшем разряде цифрового индикатора HQ1 цифру 1.

По вольтметру, подключенному к выводу 4, определяют соответствующее значение входного напряжения. Постепенно увеличивая его, фиксируют момент погасания индикатора. Настройку повторяют для всех остальных цифр. Если полученные уровни напряжения отличаются друг от друга менее чем на 10—15 мВ, резистивная матрица настроена правильно, в противном случае настройку повторяют. Затем временные цепочки из резисторов тщательно измеряют и вместо них впаивают постоянные резисторы того же сопротивления. Резистивную матрицу R31—R34 настраивают аналогично, только нужчо снять перемычку у R67. Цифры теперь появятся в старшем разряде индикатора HG2. Далее подбирают величину резистора масштабирования R67. Вместо него впаивают цепочку из двух последовательно соединенных резисторов по 47 кОм — переменного и постоянного. Изменяя сопротивление переменного резистора, получают на экране осциллографа наклонную линию, состоящую из 99 ступенек. В пределах каждого десятка расстояние между ступеньками устанавливается автоматически, остается лишь проверить точность настройки при отображении на табло чисел 10, 20, 30, 40, 50, 60, 70, 80, 90. Настройку выполняют, как и для цифр 1 — 9, подбирая в случае необходимости значения резисторов R31— R34. Помните, что продолжать настройку можно лишь спустя 10 минут после пайки. В заключение производят установку нуля компаратора DA3, подбирая такое значение резистора R26, чтобы уровень нулевой ступеньки на выводе 5 совпал с уровнем на выводе 4. Иногда на выводе 5 компаратора возникают паразитные высокочастотные колебания, вызывающие мерцание цифр на табло. Эти колебания заметны на осциллографе при настройке. Их устраняет конденсатор фильтра С14 (слюдяной или керамический) номиналом 300—1000 пф. Далее приступают к настройке преобразователя полярности. Плату П2 устанавливают на место и соединяют с остальными блоками согласно принципиальной схеме. Резисторы R20, R61 заменяют на переменные тех же значений. R20 соединяют с выводами 3;7; DA1, резистор R17 заземляют. Прежде чем подать питание на прибор, проложите между платами картонные прокладки во избежание замыканий. А чтобы установить тепловые режимы всех элементов, минитестер оставляют включенным не меньше чем на 20 минут. Поочередно подсоединяя вольтметр или осциллограф к выводам 7 DA1, 6 DA2, 6 DA4, на них с помощью подстроечных резисторов R18, R36, R42 устанавливают нулевой потенциал. На выходах ОУ DA1, DA4 он должен быть не ниже 1—3 мВ, а на DA2 — 100 мВ. Если спустя 10—15 минут установка нуля нарушается, микросхему следует заменить. На резистор R17 подают положительное напряжение 50 мВ. на выходе DA4 оно должно составлять около 1 В Теперь изменим полярность входного напряжения на противоположную. Если преобразователь полярности работает правильно, на выводе 6 DA4 напряжение останется положительным Подбирая сопротивление резистора R61, устанавливаем такую же величину напряжения на выходе DA4, как и в первом случае. Расхождение не должно превышать 1—3 мВ. При смене полярности напряжения поочередно загораются светодиоды индикации знака измеряемой величины («+» - красный, «—» - зеленый). Установим теперь на входе напряжение +80 мВ и, подбирая величину резистора R20, получим на табло показание 80 А затем, подавая на вход напряжение от 1 до 99 мВ, проверяем соответствие показаний прибора этим напряжениям Если отклонения происходят в нижней части шкалы, нужно точнее подобрать у DA1, DA4 уровень, соответствующий нулю Верхний участок шкалы определяется сопротивлением резистора R20. Далее во всем диапазоне входных положительных и отрицательных напряжений проверяют соответствие их величинам цифровой индикации. Затем на прибор подают от ЗГ сигнал частотой 1000 Гц и с помощью резистора R22 устанавливают на табло показания, соответствующие эффективному значению измеряемого напряжения. Учтите, что, если измеряемая величина равна 0, на цифровых индикаторах ничего не отображается и светодиоды не светятся При наличии напряжения на входе светодиод HL3 выполняет двойную функцию индикации: переполнения и нормальной работы компаратора. В случае переполнения цифровое табло гаснет и горят только светодиоды HL3 и HL1, HL2, указывающие знак измеряемой величины. При измерении сопротивлений зажигается знак «—» - светодиод зеленого свечения. После окончания настройки к соответствующим делителям подсоединяют переключатели SA1—SA3 и входное гнездо XS1, «бутерброд» из плат снаружи изолируют слоем тонкого картона и устанавливают в корпус (см рис) Он изготовлен из алюминия толщиной 1,5 мм и окрашен нитроэмалью.

Внимание! Поскольку корпус минитестера соединен с общим проводом, при закреплении прибора на руке запрещается выполнять измерения в электрических цепях, в которых напряжение превышает 100 В, или имеющих гальваническую связь с электросетью. В этом случае минитестер можно использовать только в настольном варианте. Для повышения электробезопасности его закрепляют с помощью двух пружинных фиксаторов на пластине из трехмиллиметрового полистирола, которая на широком кожаном ремне крепится к руке.

В. ЕВСЕЕВ, г. Львов, «М-К» № 6-7, 1986 г.

Обсудить эту статью на форуме (0 ответов).
Вся информация, предоставленная на данном ресурсе разрешена к ознакомлению детям школьного возраста. Все практическое использование может быть связана с повышенной электрической опасностью и разрешено детям только под присмотром взрослых.